产品分类
- 深沟球轴承
- 角接触球轴承
- 超高精密轴承
- 精密角接触球轴承
- 标准型
- 标准密封型-S
- 陶瓷球标准型-C
- 陶瓷球密封型-CS
- 高速小球型-HS
- 小球密封型-HSS
- 陶瓷小球型-HC
- 陶瓷小球密封型-HCS
- 超高速陶瓷球型-XC
- 超高速陶瓷球密封型-XCS
- 超高速小球型-XS
- 超高速小球密封型-XSS
- 油气润滑-标准钢球型
- 油气润滑-标准陶瓷球型
- 油气润滑-高速小球型
- 油气润滑-高速陶瓷球型
- 油气润滑-超高速小球型
- 油气润滑-超高速陶瓷球型
- 精密丝杠轴承
- 精密圆柱滚子轴承
- 调心球轴承
- 推力轴承
- 圆柱滚子轴承
- 圆锥滚子轴承
- 调心滚子轴承
- 交叉滚子轴承
- 超薄截面轴承
- 滚针轴承
- 滚轮轴承
- 关节轴承
- 直线运动
- 轴承附件

XCS7913ETP4DU轴承
类型:【超高精密轴承 - 精密角接触球轴承】
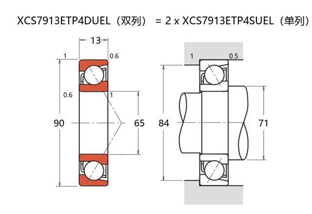
基本尺寸:内径:65 mm,外径:90 mm,厚度:26 mm。
价格区间:¥3755.85 - ¥4619.7【详情】
前缀列表:【X:超高转速】【C:陶瓷球】【S:密封型】后缀列表:【E:25° 接触角】【T:聚酰胺保持架】【P4:ISO 4级精度】【DU:双列万能配对】
XCS7913ETP4DU属于超高精密角接触球轴承系列,专为超高速工况设计。其核心材质采用陶瓷球,具备低密度、高刚度及耐温稳定性,能有效抑制高速运转下的离心力效应,减少摩擦升温。内部填充特殊润滑脂,配合双侧密封结构,可在长期运行中维持润滑性能并阻隔污染物侵入。
该轴承基本尺寸为内径65毫米、外径90毫米、厚度26毫米,紧凑的结构适配高刚性主轴系统。接触角设计与预载荷优化使其可同时承受径向与轴向联合载荷,在高速旋转场景下保持运行精度。加工制造过程遵循精密标准,套圈与滚动体经超精加工,确保滚道几何误差控制在微米级。
此类轴承常见于电主轴、高速铣削主轴及精密测试设备等领域,适用于连续高速且对温升敏感的应用环境。其材料特性与密封设计可延长维护周期,但实际寿命需结合工况载荷与维护条件综合评估。选型时需同步校验安装配合公差及润滑系统的兼容性。
X
C
S
7
9
1
3
E
T
P
4
D
U
X:超高转速
C:陶瓷球
S:密封型
7:精密角接触球轴承
9:尺寸系列:超轻 19 系列
13:内径:65 mm
E:25° 接触角
T:聚酰胺保持架
P4:ISO 4级精度
DU:双列万能配对
X:
超高转速
C:
陶瓷球
S:
密封型
7:
精密角接触球轴承
9:
尺寸系列:超轻 19 系列
13:
内径:65 mm
E:
25° 接触角
T:
聚酰胺保持架
P4:
ISO 4级精度
DU:
双列万能配对
公称型号 | ||
超高速陶瓷球密封型 | XCS7913ETP4DU | |
主要尺寸(mm) | ||
内径 | d | 65 |
外径 | D | 90 |
厚度(单列) | B | 13 |
厚度(多列) | T | 26 |
倒角尺寸 | r(min) | 1 |
倒角尺寸 | r1(min) | 0.6 |
额定载荷(KN) | ||
基本额定动载荷 | Cr | 29 |
基本额定静载荷 | C0r | 24.2 |
极限载荷(KN) | ||
轴向-单个 | 14.9 | |
接触角 | ||
度 | ° | 25 |
系数 | ||
fo | - | |
作用点(mm) | ||
a | 24.6 | |
限制速度(rpm) | ||
脂润滑 | Grease | 24600 |
油润滑 | Oil | - |
安装尺寸(mm) | ||
da(min) | 71 | |
Da(max) | 84 | |
Db(max) | 85 | |
ra(max) | 1 | |
rb(max) | 0.5 | |
预紧力(N)-DU/DB/DF | ||
微预紧 | EL | 49 |
轻预紧 | L | 324 |
中预紧 | M | 683 |
重预紧 | H | - |
轴承刚度(N/μm)-DU/DB/DF | ||
微预紧 | EL | 93 |
轻预紧 | L | 177 |
中预紧 | M | 232 |
重预紧 | H | - |
测量轴向游隙(μm) | ||
微预紧 | EL | 0 |
轻预紧 | L | -8 |
中预紧 | M | -15 |
重预紧 | H | - |
轴承组合 | ||
方式 | 万能 | |
列数 | 2 | |
重量(Kg) | ||
0.38 |

商品 | 品牌 | 主要尺寸 | 发货仓 | 产地 | 库存 | 含税单价 | VIP价 | 操作 |
SKF S71913 ACB/HCP4ADGA轴承 超精密角接触球轴承B设计 |
SKF | 65 X 90 X 26 | 华东 | 意大利 | 2 | 4619.7 | ¥3755.85 | |