产品分类
- 深沟球轴承
- 角接触球轴承
- 超高精密轴承
- 精密角接触球轴承
- 标准型
- 标准密封型-S
- 陶瓷球标准型-C
- 陶瓷球密封型-CS
- 高速小球型-HS
- 小球密封型-HSS
- 陶瓷小球型-HC
- 陶瓷小球密封型-HCS
- 超高速陶瓷球型-XC
- 超高速陶瓷球密封型-XCS
- 超高速小球型-XS
- 超高速小球密封型-XSS
- 油气润滑-标准钢球型
- 油气润滑-标准陶瓷球型
- 油气润滑-高速小球型
- 油气润滑-高速陶瓷球型
- 油气润滑-超高速小球型
- 油气润滑-超高速陶瓷球型
- 精密丝杠轴承
- 精密圆柱滚子轴承
- 调心球轴承
- 推力轴承
- 圆柱滚子轴承
- 圆锥滚子轴承
- 调心滚子轴承
- 交叉滚子轴承
- 超薄截面轴承
- 滚针轴承
- 滚轮轴承
- 关节轴承
- 直线运动
- 轴承附件

XCS7203CTP4DU轴承
类型:【超高精密轴承 - 精密角接触球轴承】
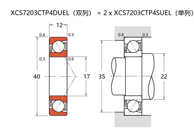
基本尺寸:内径:17 mm,外径:40 mm,厚度:24 mm。
价格区间:¥0 - ¥0【详情】
前缀列表:【X:超高转速】【C:陶瓷球】【S:密封型】后缀列表:【C:接触角 15°】【T:聚酰胺保持架】【P4:ISO 4级精度】【DU:双列万能配对】
XCS7203CTP4DU属于超高精密角接触球轴承系列。该型号内径为17毫米,外径40毫米,厚度24毫米,尺寸规格适用于紧凑型设计需求。其内外圈及滚动体采用高品质钢材制造,内部填充陶瓷球材质,显著降低高速运转时的离心力效应,有助于提升转速极限并减少摩擦发热。
该轴承采用接触式密封结构,能够有效防止润滑剂泄漏并阻挡外部污染物侵入,延长使用寿命。套圈与滚道经过精密研磨,达到P4级精度标准,确保运行平稳性和定位准确性。此类轴承常见于高速电主轴、精密机床主轴及高刚性回转支撑部位,能够同时承受径向与轴向联合载荷。
在安装时需注意预紧力调整,合理的配置可优化刚性并抑制高速下的温升。日常维护中需关注润滑状态,建议使用高速润滑脂或油雾润滑方式。此类轴承的设计平衡了高速性能与负载能力,适用于对旋转精度和长期稳定性有较高要求的工业场景。
X
C
S
7
2
0
3
C
T
P
4
D
U
X:超高转速
C:陶瓷球
S:密封型
7:精密角接触球轴承
2:尺寸系列:轻窄 02 系列
03:内径:17 mm
C:接触角 15°
T:聚酰胺保持架
P4:ISO 4级精度
DU:双列万能配对
X:
超高转速
C:
陶瓷球
S:
密封型
7:
精密角接触球轴承
2:
尺寸系列:轻窄 02 系列
03:
内径:17 mm
C:
接触角 15°
T:
聚酰胺保持架
P4:
ISO 4级精度
DU:
双列万能配对
公称型号 | ||
超高速陶瓷球密封型 | XCS7203CTP4DU | |
主要尺寸(mm) | ||
内径 | d | 17 |
外径 | D | 40 |
厚度(单列) | B | 12 |
厚度(多列) | T | 24 |
倒角尺寸 | r(min) | 0.6 |
倒角尺寸 | r1(min) | 0.3 |
额定载荷(KN) | ||
基本额定动载荷 | Cr | 14.5 |
基本额定静载荷 | C0r | 5.72 |
极限载荷(KN) | ||
轴向-单个 | 2.39 | |
接触角 | ||
度 | ° | 15 |
系数 | ||
fo | 6.8 | |
作用点(mm) | ||
a | 9.8 | |
限制速度(rpm) | ||
脂润滑 | Grease | 77200 |
油润滑 | Oil | - |
安装尺寸(mm) | ||
da(min) | 22 | |
Da(max) | 35 | |
Db(max) | 37.5 | |
ra(max) | 0.6 | |
rb(max) | 0.3 | |
预紧力(N)-DU/DB/DF | ||
微预紧 | EL | 25 |
轻预紧 | L | 51 |
中预紧 | M | 107 |
重预紧 | H | - |
轴承刚度(N/μm)-DU/DB/DF | ||
微预紧 | EL | 18 |
轻预紧 | L | 24 |
中预紧 | M | 32 |
重预紧 | H | - |
测量轴向游隙(μm) | ||
微预紧 | EL | 0 |
轻预紧 | L | -5 |
中预紧 | M | -13 |
重预紧 | H | - |
轴承组合 | ||
方式 | 万能 | |
列数 | 2 | |
重量(Kg) | ||
0.114 |

商品 | 品牌 | 主要尺寸 | 发货仓 | 产地 | 库存 | 含税单价 | VIP价 | 操作 |