产品分类
- 深沟球轴承
- 角接触球轴承
- 超高精密轴承
- 精密角接触球轴承
- 标准型
- 标准密封型-S
- 陶瓷球标准型-C
- 陶瓷球密封型-CS
- 高速小球型-HS
- 小球密封型-HSS
- 陶瓷小球型-HC
- 陶瓷小球密封型-HCS
- 超高速陶瓷球型-XC
- 超高速陶瓷球密封型-XCS
- 超高速小球型-XS
- 超高速小球密封型-XSS
- 油气润滑-标准钢球型
- 油气润滑-标准陶瓷球型
- 油气润滑-高速小球型
- 油气润滑-高速陶瓷球型
- 油气润滑-超高速小球型
- 油气润滑-超高速陶瓷球型
- 精密丝杠轴承
- 精密圆柱滚子轴承
- 调心球轴承
- 推力轴承
- 圆柱滚子轴承
- 圆锥滚子轴承
- 调心滚子轴承
- 交叉滚子轴承
- 超薄截面轴承
- 滚针轴承
- 滚轮轴承
- 关节轴承
- 直线运动
- 轴承附件

XCS72006ETP4DU轴承
类型:【超高精密轴承 - 精密角接触球轴承】
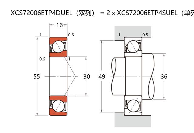
基本尺寸:内径:30 mm,外径:55 mm,厚度:32 mm。
价格区间:¥0 - ¥0【详情】
前缀列表:【X:超高转速】【C:陶瓷球】【S:密封型】后缀列表:【E:25° 接触角】【T:聚酰胺保持架】【P4:ISO 4级精度】【DU:双列万能配对】
XCS72006ETP4DU型角接触球轴承属于超高精密轴承系列。其基本规格为内径30毫米、外径55毫米、厚度32毫米,结构设计适用于高转速工况。该型号采用陶瓷球作为滚动体,有效降低高速运转时的离心力效应,配合优化的接触角设计可同时承受径向与轴向复合载荷。
密封结构能有效阻隔外部污染物侵入,延长润滑脂保持周期,特别适合对清洁度要求较高的应用场景。在保持架设计上选用工程聚合物材料,具有良好的自润滑特性与高速适应性。
此类轴承在机床电主轴、精密回转工作台等设备中表现稳定,其热稳定性与抗磁化性能满足精密传动系统的技术要求。针对不同工况需求,可通过预紧力调整进一步优化刚性表现。实际应用中需注意配合公差与润滑剂的适配性,以充分发挥其性能优势。
X
C
S
7
2
0
0
6
E
T
P
4
D
U
X:超高转速
C:陶瓷球
S:密封型
7:精密角接触球轴承
2:宽度系列:宽型 2 系列
0:直径系列:超轻 10 系列
06:内径:30 mm
E:25° 接触角
T:聚酰胺保持架
P4:ISO 4级精度
DU:双列万能配对
X:
超高转速
C:
陶瓷球
S:
密封型
7:
精密角接触球轴承
2:
宽度系列:宽型 2 系列
0:
直径系列:超轻 10 系列
06:
内径:30 mm
E:
25° 接触角
T:
聚酰胺保持架
P4:
ISO 4级精度
DU:
双列万能配对
公称型号 | ||
超高速陶瓷球密封型 | XCS72006ETP4DU | |
主要尺寸(mm) | ||
内径 | d | 30 |
外径 | D | 55 |
厚度(单列) | B | 16 |
厚度(多列) | T | 32 |
倒角尺寸 | r(min) | 1 |
倒角尺寸 | r1(min) | 0.6 |
额定载荷(KN) | ||
基本额定动载荷 | Cr | 16.6 |
基本额定静载荷 | C0r | 10.6 |
极限载荷(KN) | ||
轴向-单个 | 6.5 | |
接触角 | ||
度 | ° | 25 |
系数 | ||
fo | - | |
作用点(mm) | ||
a | 17.8 | |
限制速度(rpm) | ||
脂润滑 | Grease | 44800 |
油润滑 | Oil | - |
安装尺寸(mm) | ||
da(min) | 36 | |
Da(max) | 49 | |
Db(max) | 50 | |
ra(max) | 1 | |
rb(max) | 0.5 | |
预紧力(N)-DU/DB/DF | ||
微预紧 | EL | 49 |
轻预紧 | L | 250 |
中预紧 | M | 505 |
重预紧 | H | - |
轴承刚度(N/μm)-DU/DB/DF | ||
微预紧 | EL | 72 |
轻预紧 | L | 126 |
中预紧 | M | 165 |
重预紧 | H | - |
测量轴向游隙(μm) | ||
微预紧 | EL | 0 |
轻预紧 | L | -8 |
中预紧 | M | -15 |
重预紧 | H | - |
轴承组合 | ||
方式 | 万能 | |
列数 | 2 | |
重量(Kg) | ||
0.284 |

商品 | 品牌 | 主要尺寸 | 发货仓 | 产地 | 库存 | 含税单价 | VIP价 | 操作 |