产品分类
- 深沟球轴承
- 角接触球轴承
- 超高精密轴承
- 精密角接触球轴承
- 标准型
- 标准密封型-S
- 陶瓷球标准型-C
- 陶瓷球密封型-CS
- 高速小球型-HS
- 小球密封型-HSS
- 陶瓷小球型-HC
- 陶瓷小球密封型-HCS
- 超高速陶瓷球型-XC
- 超高速陶瓷球密封型-XCS
- 超高速小球型-XS
- 超高速小球密封型-XSS
- 油气润滑-标准钢球型
- 油气润滑-标准陶瓷球型
- 油气润滑-高速小球型
- 油气润滑-高速陶瓷球型
- 油气润滑-超高速小球型
- 油气润滑-超高速陶瓷球型
- 精密丝杠轴承
- 精密圆柱滚子轴承
- 调心球轴承
- 推力轴承
- 圆柱滚子轴承
- 圆锥滚子轴承
- 调心滚子轴承
- 交叉滚子轴承
- 超薄截面轴承
- 滚针轴承
- 滚轮轴承
- 关节轴承
- 直线运动
- 轴承附件

XCS7024ETP4DU轴承
类型:【超高精密轴承 - 精密角接触球轴承】
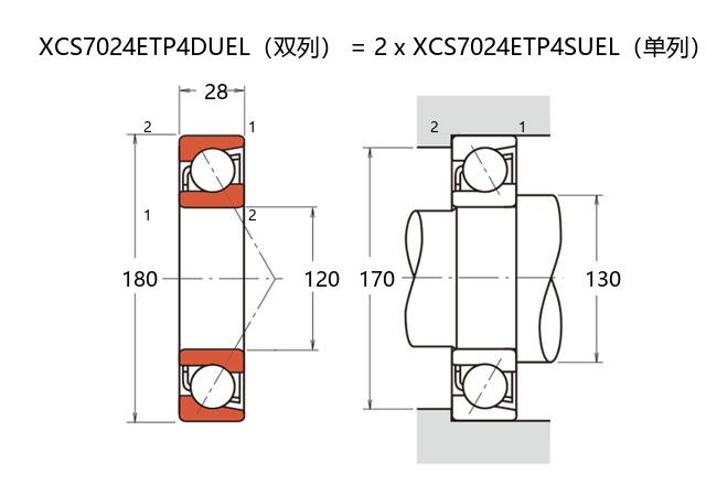
基本尺寸:内径:120 mm,外径:180 mm,厚度:56 mm。
价格区间:¥ - ¥28080.9【详情】
前缀列表:【X:超高转速】【C:陶瓷球】【S:密封型】后缀列表:【E:25° 接触角】【T:聚酰胺保持架】【P4:ISO 4级精度】【DU:双列万能配对】
XCS7024ETP4DU是一款超高精密角接触球轴承,其内径为120毫米,外径为180毫米,厚度为56毫米。该轴承采用陶瓷球材质,并配备了密封结构,有助于在高速运转条件下保持稳定性和使用寿命。这类轴承通常适用于对精度和转速有较高要求的场合,例如精密机床主轴或高速电主轴等应用场景。
在特性方面,陶瓷球的运用有助于降低轴承的密度和惯性,从而在高速旋转时减少离心力带来的影响。密封结构的设计能够有效防止污染物侵入,同时保留润滑剂,有助于延长维护周期。角接触结构使轴承能够承受径向和轴向的复合载荷,在高速运转中提供较好的刚性支撑。
应用范围涵盖高速加工中心、精密仪器以及其他需要高转速和高精度的工业设备。在实际使用中,需根据具体工况选择合适的预紧力和润滑方式,以达到较佳性能表现。该型号轴承的设计理念注重于平衡高转速能力与精密运转的要求,为设备性能提升提供了一种可行方案。
X
C
S
7
0
2
4
E
T
P
4
D
U
X:超高转速
C:陶瓷球
S:密封型
7:精密角接触球轴承
0:尺寸系列:超轻 10 系列
24:内径:120 mm
E:25° 接触角
T:聚酰胺保持架
P4:ISO 4级精度
DU:双列万能配对
X:
超高转速
C:
陶瓷球
S:
密封型
7:
精密角接触球轴承
0:
尺寸系列:超轻 10 系列
24:
内径:120 mm
E:
25° 接触角
T:
聚酰胺保持架
P4:
ISO 4级精度
DU:
双列万能配对
公称型号 | ||
超高速陶瓷球密封型 | XCS7024ETP4DU | |
主要尺寸(mm) | ||
内径 | d | 120 |
外径 | D | 180 |
厚度(单列) | B | 28 |
厚度(多列) | T | 56 |
倒角尺寸 | r(min) | 2 |
倒角尺寸 | r1(min) | 1 |
额定载荷(KN) | ||
基本额定动载荷 | Cr | 91 |
基本额定静载荷 | C0r | 93 |
极限载荷(KN) | ||
轴向-单个 | 58 | |
接触角 | ||
度 | ° | 25 |
系数 | ||
fo | - | |
作用点(mm) | ||
a | 49 | |
限制速度(rpm) | ||
脂润滑 | Grease | 12700 |
油润滑 | Oil | - |
安装尺寸(mm) | ||
da(min) | 130 | |
Da(max) | 170 | |
Db(max) | 174 | |
ra(max) | 2 | |
rb(max) | 1 | |
预紧力(N)-DU/DB/DF | ||
微预紧 | EL | 98 |
轻预紧 | L | 1125 |
中预紧 | M | 2286 |
重预紧 | H | - |
轴承刚度(N/μm)-DU/DB/DF | ||
微预紧 | EL | 160 |
轻预紧 | L | 367 |
中预紧 | M | 475 |
重预紧 | H | - |
测量轴向游隙(μm) | ||
微预紧 | EL | 0 |
轻预紧 | L | -15 |
中预紧 | M | -26 |
重预紧 | H | - |
轴承组合 | ||
方式 | 万能 | |
列数 | 2 | |
重量(Kg) | ||
4.5 |

商品 | 品牌 | 主要尺寸 | 发货仓 | 产地 | 库存 | 含税单价 | VIP价 | 操作 |
NSK 120BER10XTV1VDUELP4轴承 |
NSK | 0 | ¥0 | |||||
NSK 120BER10XTV1VDUELP01轴承 超高速陶瓷球密封型精密角接触球轴承 |
NSK | 120 X 180 X 56 | 华东 | 日本 | 4 | 28080.9 | ¥24850.35 | |