产品分类
- 深沟球轴承
- 角接触球轴承
- 超高精密轴承
- 精密角接触球轴承
- 标准型
- 标准密封型-S
- 陶瓷球标准型-C
- 陶瓷球密封型-CS
- 高速小球型-HS
- 小球密封型-HSS
- 陶瓷小球型-HC
- 陶瓷小球密封型-HCS
- 超高速陶瓷球型-XC
- 超高速陶瓷球密封型-XCS
- 超高速小球型-XS
- 超高速小球密封型-XSS
- 油气润滑-标准钢球型
- 油气润滑-标准陶瓷球型
- 油气润滑-高速小球型
- 油气润滑-高速陶瓷球型
- 油气润滑-超高速小球型
- 油气润滑-超高速陶瓷球型
- 精密丝杠轴承
- 精密圆柱滚子轴承
- 调心球轴承
- 推力轴承
- 圆柱滚子轴承
- 圆锥滚子轴承
- 调心滚子轴承
- 交叉滚子轴承
- 超薄截面轴承
- 滚针轴承
- 滚轮轴承
- 关节轴承
- 直线运动
- 轴承附件

XCS7020ETP4DU轴承
类型:【超高精密轴承 - 精密角接触球轴承】
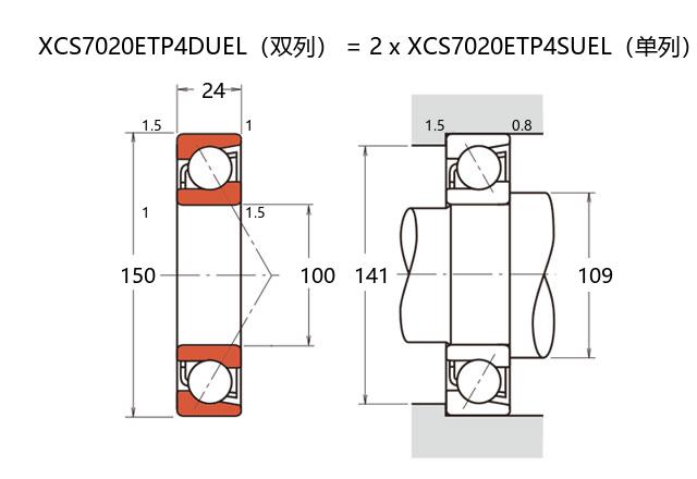
基本尺寸:内径:100 mm,外径:150 mm,厚度:48 mm。
价格区间:¥0 - ¥0【详情】
前缀列表:【X:超高转速】【C:陶瓷球】【S:密封型】后缀列表:【E:25° 接触角】【T:聚酰胺保持架】【P4:ISO 4级精度】【DU:双列万能配对】
XCS7020ETP4DU属于超高精密角接触球轴承系列,其结构设计兼顾了高速运转与长期稳定性。该型号的基本尺寸为内径100毫米、外径150毫米、厚度48毫米,适用于对空间布局有严格要求的精密设备安装。
在材料选用方面,轴承滚动体采用了陶瓷材质,具备低密度、耐高温及电绝缘特性,有助于减小高速运转时的离心力影响,同时抑制电蚀现象的发生。接触角设计与预载荷配置经过优化,可同时承受径向与轴向复合载荷,适用于高刚性支撑场景。集成式密封结构在维持润滑状态的同时有效阻隔外部污染物,延长了维护周期。
此类轴承常见于精密机床主轴、电主轴及测量仪器等设备,特别适合连续高速加工环境。其精度指标符合P4级标准,在动态运行中能够保持平稳的旋转特性,为设备提供可靠的支承解决方案。
X
C
S
7
0
2
0
E
T
P
4
D
U
X:超高转速
C:陶瓷球
S:密封型
7:精密角接触球轴承
0:尺寸系列:超轻 10 系列
20:内径:100 mm
E:25° 接触角
T:聚酰胺保持架
P4:ISO 4级精度
DU:双列万能配对
X:
超高转速
C:
陶瓷球
S:
密封型
7:
精密角接触球轴承
0:
尺寸系列:超轻 10 系列
20:
内径:100 mm
E:
25° 接触角
T:
聚酰胺保持架
P4:
ISO 4级精度
DU:
双列万能配对
公称型号 | ||
超高速陶瓷球密封型 | XCS7020ETP4DU | |
主要尺寸(mm) | ||
内径 | d | 100 |
外径 | D | 150 |
厚度(单列) | B | 24 |
厚度(多列) | T | 48 |
倒角尺寸 | r(min) | 1.5 |
倒角尺寸 | r1(min) | 1 |
额定载荷(KN) | ||
基本额定动载荷 | Cr | 69 |
基本额定静载荷 | C0r | 66 |
极限载荷(KN) | ||
轴向-单个 | 41 | |
接触角 | ||
度 | ° | 25 |
系数 | ||
fo | - | |
作用点(mm) | ||
a | 41.2 | |
限制速度(rpm) | ||
脂润滑 | Grease | 15200 |
油润滑 | Oil | - |
安装尺寸(mm) | ||
da(min) | 109 | |
Da(max) | 141 | |
Db(max) | 144 | |
ra(max) | 1.5 | |
rb(max) | 0.8 | |
预紧力(N)-DU/DB/DF | ||
微预紧 | EL | 98 |
轻预紧 | L | 780 |
中预紧 | M | 1639 |
重预紧 | H | - |
轴承刚度(N/μm)-DU/DB/DF | ||
微预紧 | EL | 146 |
轻预紧 | L | 296 |
中预紧 | M | 388 |
重预紧 | H | - |
测量轴向游隙(μm) | ||
微预紧 | EL | 0 |
轻预紧 | L | -12 |
中预紧 | M | -22 |
重预紧 | H | - |
轴承组合 | ||
方式 | 万能 | |
列数 | 2 | |
重量(Kg) | ||
2.6 |

商品 | 品牌 | 主要尺寸 | 发货仓 | 产地 | 库存 | 含税单价 | VIP价 | 操作 |