产品分类
- 深沟球轴承
- 角接触球轴承
- 超高精密轴承
- 精密角接触球轴承
- 标准型
- 标准密封型-S
- 陶瓷球标准型-C
- 陶瓷球密封型-CS
- 高速小球型-HS
- 小球密封型-HSS
- 陶瓷小球型-HC
- 陶瓷小球密封型-HCS
- 超高速陶瓷球型-XC
- 超高速陶瓷球密封型-XCS
- 超高速小球型-XS
- 超高速小球密封型-XSS
- 油气润滑-标准钢球型
- 油气润滑-标准陶瓷球型
- 油气润滑-高速小球型
- 油气润滑-高速陶瓷球型
- 油气润滑-超高速小球型
- 油气润滑-超高速陶瓷球型
- 精密丝杠轴承
- 精密圆柱滚子轴承
- 调心球轴承
- 推力轴承
- 圆柱滚子轴承
- 圆锥滚子轴承
- 调心滚子轴承
- 交叉滚子轴承
- 超薄截面轴承
- 滚针轴承
- 滚轮轴承
- 关节轴承
- 直线运动
- 轴承附件

XCS7019FTP4SU轴承
类型:【超高精密轴承 - 精密角接触球轴承】
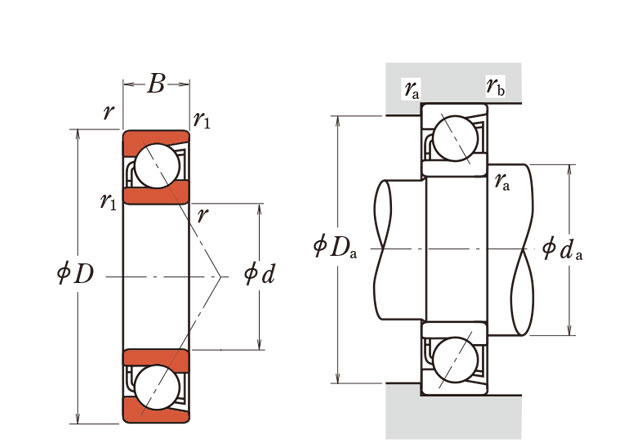
基本尺寸:内径:95 mm,外径:145 mm,厚度:24 mm。
价格区间:¥0 - ¥0【详情】
前缀列表:【X:超高转速】【C:陶瓷球】【S:密封型】后缀列表:【F:18° 接触角】【T:聚酰胺保持架】【P4:ISO 4级精度】【SU:单列万能配对】
XCS7019FTP4SU属于超高精密角接触球轴承系列,其内外圈及滚动体采用高性能材料,并融入了陶瓷球技术,有助于降低高速运转时的离心力与摩擦力。该型号轴承的内径为95毫米,外径为145毫米,厚度为24毫米,结构紧凑,适用于空间要求严格的场合。
在特性方面,该轴承采用密封设计,能有效防止污染物进入,同时保持良好的润滑状态,有助于延长使用寿命。其接触角设计使得轴承在承受径向和轴向复合载荷时表现出良好的刚性。此外,该产品在高速运转条件下,具备较好的加速度适应性与热稳定性,适合连续高转速应用。
在应用范围方面,此类轴承常见于精密机床主轴、电主轴以及高速驱动装置等设备。其设计支持较高的旋转精度和运行平稳性,有助于提升整机性能。该型号轴承在安装时需注意配合公差与预紧力设置,以充分发挥其性能潜力。
X
C
S
7
0
1
9
F
T
P
4
S
U
X:超高转速
C:陶瓷球
S:密封型
7:精密角接触球轴承
0:尺寸系列:超轻 10 系列
19:内径:95 mm
F:18° 接触角
T:聚酰胺保持架
P4:ISO 4级精度
SU:单列万能配对
X:
超高转速
C:
陶瓷球
S:
密封型
7:
精密角接触球轴承
0:
尺寸系列:超轻 10 系列
19:
内径:95 mm
F:
18° 接触角
T:
聚酰胺保持架
P4:
ISO 4级精度
SU:
单列万能配对
公称型号 | ||
超高速陶瓷球密封型 | XCS7019FTP4SU | |
主要尺寸(mm) | ||
内径 | d | 95 |
外径 | D | 145 |
厚度(单列) | B | 24 |
厚度(多列) | T | - |
倒角尺寸 | r(min) | 1.5 |
倒角尺寸 | r1(min) | 1 |
额定载荷(KN) | ||
基本额定动载荷 | Cr | 35.5 |
基本额定静载荷 | C0r | 33 |
极限载荷(KN) | ||
轴向-单个 | 32.5 | |
接触角 | ||
度 | ° | 18 |
系数 | ||
fo | 10.8 | |
作用点(mm) | ||
a | 31.3 | |
限制速度(rpm) | ||
脂润滑 | Grease | 17500 |
油润滑 | Oil | - |
安装尺寸(mm) | ||
da(min) | 104 | |
Da(max) | 136 | |
Db(max) | 139 | |
ra(max) | 1.5 | |
rb(max) | 0.8 | |
预紧力(N)-DU/DB/DF | ||
微预紧 | EL | 98 |
轻预紧 | L | 380 |
中预紧 | M | 971 |
重预紧 | H | - |
轴承刚度(N/μm)-DU/DB/DF | ||
微预紧 | EL | 86 |
轻预紧 | L | 138 |
中预紧 | M | 198 |
重预紧 | H | - |
测量轴向游隙(μm) | ||
微预紧 | EL | 0 |
轻预紧 | L | -10 |
中预紧 | M | -24 |
重预紧 | H | - |
轴承组合 | ||
方式 | 万能 | |
列数 | 1 | |
重量(Kg) | ||
1.25 |

商品 | 品牌 | 主要尺寸 | 发货仓 | 产地 | 库存 | 含税单价 | VIP价 | 操作 |