产品分类
- 深沟球轴承
- 角接触球轴承
- 超高精密轴承
- 精密角接触球轴承
- 标准型
- 标准密封型-S
- 陶瓷球标准型-C
- 陶瓷球密封型-CS
- 高速小球型-HS
- 小球密封型-HSS
- 陶瓷小球型-HC
- 陶瓷小球密封型-HCS
- 超高速陶瓷球型-XC
- 超高速陶瓷球密封型-XCS
- 超高速小球型-XS
- 超高速小球密封型-XSS
- 油气润滑-标准钢球型
- 油气润滑-标准陶瓷球型
- 油气润滑-高速小球型
- 油气润滑-高速陶瓷球型
- 油气润滑-超高速小球型
- 油气润滑-超高速陶瓷球型
- 精密丝杠轴承
- 精密圆柱滚子轴承
- 调心球轴承
- 推力轴承
- 圆柱滚子轴承
- 圆锥滚子轴承
- 调心滚子轴承
- 交叉滚子轴承
- 超薄截面轴承
- 滚针轴承
- 滚轮轴承
- 关节轴承
- 直线运动
- 轴承附件

XCS7003CTP4DU轴承
类型:【超高精密轴承 - 精密角接触球轴承】
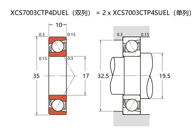
基本尺寸:内径:17 mm,外径:35 mm,厚度:20 mm。
价格区间:¥0 - ¥0【详情】
前缀列表:【X:超高转速】【C:陶瓷球】【S:密封型】后缀列表:【C:接触角 15°】【T:聚酰胺保持架】【P4:ISO 4级精度】【DU:双列万能配对】
XCS7003CTP4DU是一款超高精密角接触球轴承,其结构设计针对高速运转和精密工况优化。该型号采用陶瓷球作为滚动体,具备低密度、高硬度和优异的耐温性能,有助于降低高速旋转时的离心力,减少摩擦发热,从而扩展转速范围并提升运行稳定性。
内外圈及滚动体经超精加工处理,配合P4级精度标准,有效控制径向和轴向跳动,确保在高精度设备中提供可靠的旋转精度与刚性。接触角设计可同时承受径向和轴向联合载荷,适用于需要双向定位或预载荷调整的场合。
密封结构采用特殊材料与设计,在保持润滑剂的同时有效阻挡污染物进入,延长使用寿命。该型号广泛应用于精密机床主轴、电主轴、高速动力头及测量仪器等需要高转速、高刚性与长寿命的领域。
基本尺寸为内径17mm、外径35mm、厚度20mm,紧凑的结构设计使其在空间受限的设备中易于集成,同时满足高性能要求。
X
C
S
7
0
0
3
C
T
P
4
D
U
X:超高转速
C:陶瓷球
S:密封型
7:精密角接触球轴承
0:尺寸系列:超轻 10 系列
03:内径:17 mm
C:接触角 15°
T:聚酰胺保持架
P4:ISO 4级精度
DU:双列万能配对
X:
超高转速
C:
陶瓷球
S:
密封型
7:
精密角接触球轴承
0:
尺寸系列:超轻 10 系列
03:
内径:17 mm
C:
接触角 15°
T:
聚酰胺保持架
P4:
ISO 4级精度
DU:
双列万能配对
公称型号 | ||
超高速陶瓷球密封型 | XCS7003CTP4DU | |
主要尺寸(mm) | ||
内径 | d | 17 |
外径 | D | 35 |
厚度(单列) | B | 10 |
厚度(多列) | T | 20 |
倒角尺寸 | r(min) | 0.3 |
倒角尺寸 | r1(min) | 0.15 |
额定载荷(KN) | ||
基本额定动载荷 | Cr | 8.9 |
基本额定静载荷 | C0r | 3.7 |
极限载荷(KN) | ||
轴向-单个 | 1.56 | |
接触角 | ||
度 | ° | 15 |
系数 | ||
fo | 7.4 | |
作用点(mm) | ||
a | 8.5 | |
限制速度(rpm) | ||
脂润滑 | Grease | 84700 |
油润滑 | Oil | - |
安装尺寸(mm) | ||
da(min) | 19.5 | |
Da(max) | 32.5 | |
Db(max) | 33.8 | |
ra(max) | 0.3 | |
rb(max) | 0.15 | |
预紧力(N)-DU/DB/DF | ||
微预紧 | EL | 12 |
轻预紧 | L | 29 |
中预紧 | M | 65 |
重预紧 | H | - |
轴承刚度(N/μm)-DU/DB/DF | ||
微预紧 | EL | 14 |
轻预紧 | L | 20 |
中预紧 | M | 28 |
重预紧 | H | - |
测量轴向游隙(μm) | ||
微预紧 | EL | 3 |
轻预紧 | L | -1 |
中预紧 | M | -7 |
重预紧 | H | - |
轴承组合 | ||
方式 | 万能 | |
列数 | 2 | |
重量(Kg) | ||
0.072 |

商品 | 品牌 | 主要尺寸 | 发货仓 | 产地 | 库存 | 含税单价 | VIP价 | 操作 |