产品分类
- 深沟球轴承
- 角接触球轴承
- 超高精密轴承
- 精密角接触球轴承
- 标准型
- 标准密封型-S
- 陶瓷球标准型-C
- 陶瓷球密封型-CS
- 高速小球型-HS
- 小球密封型-HSS
- 陶瓷小球型-HC
- 陶瓷小球密封型-HCS
- 超高速陶瓷球型-XC
- 超高速陶瓷球密封型-XCS
- 超高速小球型-XS
- 超高速小球密封型-XSS
- 油气润滑-标准钢球型
- 油气润滑-标准陶瓷球型
- 油气润滑-高速小球型
- 油气润滑-高速陶瓷球型
- 油气润滑-超高速小球型
- 油气润滑-超高速陶瓷球型
- 精密丝杠轴承
- 精密圆柱滚子轴承
- 调心球轴承
- 推力轴承
- 圆柱滚子轴承
- 圆锥滚子轴承
- 调心滚子轴承
- 交叉滚子轴承
- 超薄截面轴承
- 滚针轴承
- 滚轮轴承
- 关节轴承
- 直线运动
- 轴承附件

HCS7940FTP4DU轴承
类型:【超高精密轴承 - 精密角接触球轴承】
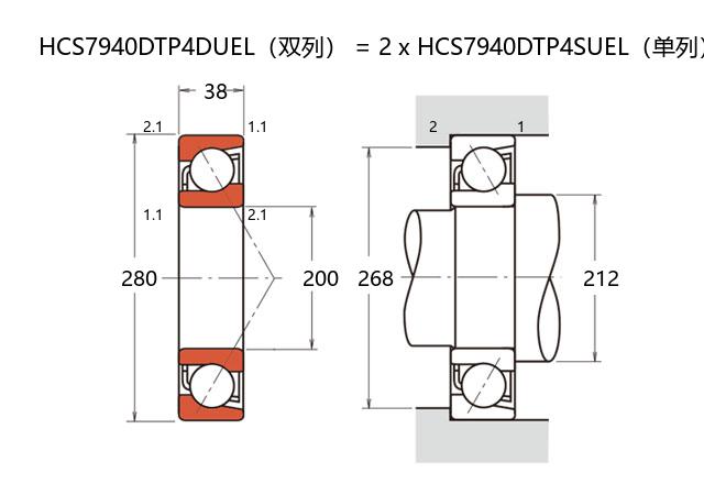
基本尺寸:内径:200 mm,外径:280 mm,厚度:76 mm。
价格区间:¥0 - ¥0【详情】
前缀列表:【H:高转速】【C:陶瓷球】【S:密封型】后缀列表:【F:接触角 18°】【T:尼龙保持架】【P4:P4 级精度】【DU:双列万能配对】
HCS7940FTP4DU是一款超高精密角接触球轴承,其基本尺寸为内径200mm、外径280mm、厚度76mm,适用于高转速及高刚性要求的应用环境。该轴承采用陶瓷小球材料,配合特殊的密封设计,有助于降低摩擦磨损,并在高速运转条件下保持稳定的性能表现。
这类轴承常见于机床主轴、精密仪器及高速电机等设备,尤其适用于需要长期运行且对旋转精度有较高要求的场合。其结构设计兼顾了径向与轴向载荷的承载能力,同时密封结构可有效减少污染物侵入,为内部润滑提供一定保护。
在材料选择上,陶瓷小球的应用通常有助于减轻整体重量,并可能对延长使用寿命产生积极影响。与常规钢球轴承相比,这类轴承在某些工况下可能展现出更优的耐温性与抗腐蚀能力。需要注意的是,实际性能表现会因安装条件、润滑状态及工作负荷等因素而有所差异。
该型号轴承在设计与制造过程中注重精度控制,为用户在精密传动领域提供了多一种选择。
H
C
S
7
9
4
0
F
T
P
4
D
U
H:高转速
C:陶瓷球
S:密封型
7:精密角接触球轴承
9:尺寸系列:超轻 19 系列
40:内径:200 mm
F:接触角 18°
T:尼龙保持架
P4:P4 级精度
DU:双列万能配对
H:
高转速
C:
陶瓷球
S:
密封型
7:
精密角接触球轴承
9:
尺寸系列:超轻 19 系列
40:
内径:200 mm
F:
接触角 18°
T:
尼龙保持架
P4:
P4 级精度
DU:
双列万能配对
公称型号 | ||
高速陶瓷球密封型 | HCS7940FTP4DU | |
主要尺寸(mm) | ||
内径 | d | 200 |
外径 | D | 280 |
厚度(单列) | B | 38 |
厚度(多列) | T | 76 |
倒角尺寸 | r(min) | 2.1 |
倒角尺寸 | r1(min) | 1.1 |
额定载荷(KN) | ||
基本额定动载荷 | Cr | 284 |
基本额定静载荷 | C0r | 300 |
极限载荷(KN) | ||
轴向-单个 | 150 | |
接触角 | ||
度 | ° | 18 |
系数 | ||
fo | 10.8 | |
作用点(mm) | ||
a | 58 | |
限制速度(rpm) | ||
脂润滑 | Grease | 7100 |
油润滑 | Oil | - |
安装尺寸(mm) | ||
da(min) | 212 | |
Da(max) | 268 | |
Db(max) | 273 | |
ra(max) | 2 | |
rb(max) | 1 | |
预紧力(N)-DU/DB/DF | ||
微预紧 | EL | 196 |
轻预紧 | L | 2156 |
中预紧 | M | 4499 |
重预紧 | H | - |
轴承刚度(N/μm)-DU/DB/DF | ||
微预紧 | EL | 138 |
轻预紧 | L | 321 |
中预紧 | M | 427 |
重预紧 | H | - |
测量轴向游隙(μm) | ||
微预紧 | EL | 0 |
轻预紧 | L | -33 |
中预紧 | M | -58 |
重预紧 | H | - |
轴承组合 | ||
方式 | 万能 | |
列数 | 2 | |
重量(Kg) | ||
10.14 |

商品 | 品牌 | 主要尺寸 | 发货仓 | 产地 | 库存 | 含税单价 | VIP价 | 操作 |