产品分类
- 深沟球轴承
- 角接触球轴承
- 超高精密轴承
- 精密角接触球轴承
- 标准型
- 标准密封型-S
- 陶瓷球标准型-C
- 陶瓷球密封型-CS
- 高速小球型-HS
- 小球密封型-HSS
- 陶瓷小球型-HC
- 陶瓷小球密封型-HCS
- 超高速陶瓷球型-XC
- 超高速陶瓷球密封型-XCS
- 超高速小球型-XS
- 超高速小球密封型-XSS
- 油气润滑-标准钢球型
- 油气润滑-标准陶瓷球型
- 油气润滑-高速小球型
- 油气润滑-高速陶瓷球型
- 油气润滑-超高速小球型
- 油气润滑-超高速陶瓷球型
- 精密丝杠轴承
- 精密圆柱滚子轴承
- 调心球轴承
- 推力轴承
- 圆柱滚子轴承
- 圆锥滚子轴承
- 调心滚子轴承
- 交叉滚子轴承
- 超薄截面轴承
- 滚针轴承
- 滚轮轴承
- 关节轴承
- 直线运动
- 轴承附件

HCS7938FTP4DU轴承
类型:【超高精密轴承 - 精密角接触球轴承】
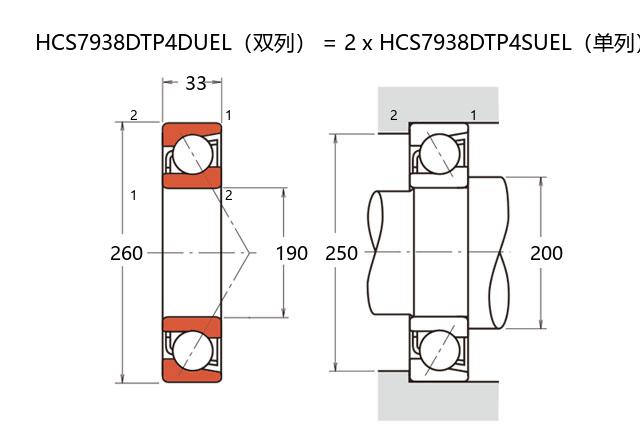
基本尺寸:内径:190 mm,外径:260 mm,厚度:66 mm。
价格区间:¥0 - ¥0【详情】
前缀列表:【H:高转速】【C:陶瓷球】【S:密封型】后缀列表:【F:接触角 18°】【T:尼龙保持架】【P4:P4 级精度】【DU:双列万能配对】
HCS7938FTP4DU型轴承属于超高精密角接触球轴承系列,其设计针对高精度应用场景。轴承内径190mm,外径260mm,厚度66mm,尺寸规格满足中等载荷工况下的结构需求。该型号采用陶瓷小球作为滚动体,此类材料具有低密度、高硬度及耐腐蚀特性,有助于降低高速运转时的离心力效应,同时减少温升对精度的影响。
密封结构采用特殊复合设计,可有效隔绝外部污染物并保持内部润滑稳定性,延长维护周期。在预压调整与沟道几何优化方面,该轴承通过精密加工实现较低的振动值和稳定的轴向径向刚度,适用于中高转速的精密主轴系统。
由于角接触结构特性,该型号能够承受双向轴向载荷及复合载荷,常见于精密机床、测量仪器等需要长期保持运行精度的设备。需要注意的是,实际应用效果会受到安装工艺、润滑条件及工况匹配度等多重因素影响,建议结合具体设备要求进行选型验证。
H
C
S
7
9
3
8
F
T
P
4
D
U
H:高转速
C:陶瓷球
S:密封型
7:精密角接触球轴承
9:尺寸系列:超轻 19 系列
38:内径:190 mm
F:接触角 18°
T:尼龙保持架
P4:P4 级精度
DU:双列万能配对
H:
高转速
C:
陶瓷球
S:
密封型
7:
精密角接触球轴承
9:
尺寸系列:超轻 19 系列
38:
内径:190 mm
F:
接触角 18°
T:
尼龙保持架
P4:
P4 级精度
DU:
双列万能配对
公称型号 | ||
高速陶瓷球密封型 | HCS7938FTP4DU | |
主要尺寸(mm) | ||
内径 | d | 190 |
外径 | D | 260 |
厚度(单列) | B | 33 |
厚度(多列) | T | 66 |
倒角尺寸 | r(min) | 2 |
倒角尺寸 | r1(min) | 1 |
额定载荷(KN) | ||
基本额定动载荷 | Cr | 222 |
基本额定静载荷 | C0r | 238 |
极限载荷(KN) | ||
轴向-单个 | 119 | |
接触角 | ||
度 | ° | 18 |
系数 | ||
fo | 10.9 | |
作用点(mm) | ||
a | 53.1 | |
限制速度(rpm) | ||
脂润滑 | Grease | 7600 |
油润滑 | Oil | - |
安装尺寸(mm) | ||
da(min) | 200 | |
Da(max) | 250 | |
Db(max) | 254 | |
ra(max) | 2 | |
rb(max) | 1 | |
预紧力(N)-DU/DB/DF | ||
微预紧 | EL | 196 |
轻预紧 | L | 1661 |
中预紧 | M | 3512 |
重预紧 | H | - |
轴承刚度(N/μm)-DU/DB/DF | ||
微预紧 | EL | 135 |
轻预紧 | L | 288 |
中预紧 | M | 384 |
重预紧 | H | - |
测量轴向游隙(μm) | ||
微预紧 | EL | 0 |
轻预紧 | L | -27 |
中预紧 | M | -49 |
重预紧 | H | - |
轴承组合 | ||
方式 | 万能 | |
列数 | 2 | |
重量(Kg) | ||
7.56 |

商品 | 品牌 | 主要尺寸 | 发货仓 | 产地 | 库存 | 含税单价 | VIP价 | 操作 |