产品分类
- 深沟球轴承
- 角接触球轴承
- 超高精密轴承
- 精密角接触球轴承
- 标准型
- 标准密封型-S
- 陶瓷球标准型-C
- 陶瓷球密封型-CS
- 高速小球型-HS
- 小球密封型-HSS
- 陶瓷小球型-HC
- 陶瓷小球密封型-HCS
- 超高速陶瓷球型-XC
- 超高速陶瓷球密封型-XCS
- 超高速小球型-XS
- 超高速小球密封型-XSS
- 油气润滑-标准钢球型
- 油气润滑-标准陶瓷球型
- 油气润滑-高速小球型
- 油气润滑-高速陶瓷球型
- 油气润滑-超高速小球型
- 油气润滑-超高速陶瓷球型
- 精密丝杠轴承
- 精密圆柱滚子轴承
- 调心球轴承
- 推力轴承
- 圆柱滚子轴承
- 圆锥滚子轴承
- 调心滚子轴承
- 交叉滚子轴承
- 超薄截面轴承
- 滚针轴承
- 滚轮轴承
- 关节轴承
- 直线运动
- 轴承附件

HCS7936ETP4DU轴承
类型:【超高精密轴承 - 精密角接触球轴承】
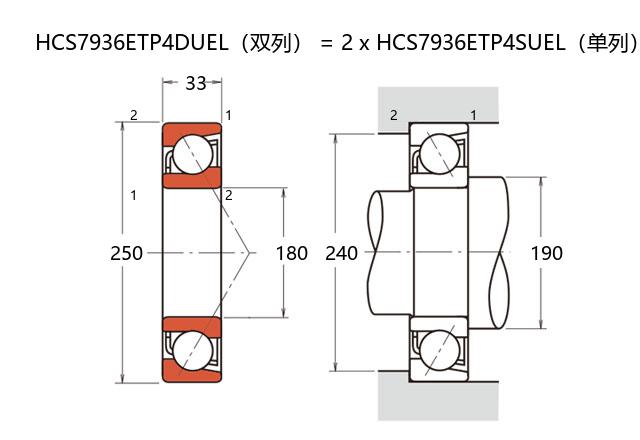
基本尺寸:内径:180 mm,外径:250 mm,厚度:66 mm。
价格区间:¥0 - ¥0【详情】
前缀列表:【H:高转速】【C:陶瓷球】【S:密封型】后缀列表:【E:接触角 25°】【T:尼龙保持架】【P4:P4 级精度】【DU:双列万能配对】
HCS7936ETP4DU属于超高精密角接触球轴承系列,其内径为180毫米,外径为250毫米,厚度为66毫米。该型号的设计融合了高精度与稳定运行的特性,适用于精密机械领域,常见于高速主轴或高精度回转装置中。
该轴承采用了陶瓷小球材料,有助于降低摩擦系数,提升转速表现,并在高负荷条件下保持良好的动态平衡。配套的密封结构有助于减少外部污染物侵入,延长轴承的服务周期。在润滑维护得当的情况下,能够支持长期稳定的运行效果。
精密角接触结构使其能够同时承受径向与轴向载荷,适合对运转精度有较高要求的应用环境。使用过程中,建议根据实际工况选择合适的安装方式与润滑方案,以充分发挥其性能潜力。该型号轴承在部分高精度设备中具有较好的适用性,可供相关领域技术人员参考选用。
H
C
S
7
9
3
6
E
T
P
4
D
U
H:高转速
C:陶瓷球
S:密封型
7:精密角接触球轴承
9:尺寸系列:超轻 19 系列
36:内径:180 mm
E:接触角 25°
T:尼龙保持架
P4:P4 级精度
DU:双列万能配对
H:
高转速
C:
陶瓷球
S:
密封型
7:
精密角接触球轴承
9:
尺寸系列:超轻 19 系列
36:
内径:180 mm
E:
接触角 25°
T:
尼龙保持架
P4:
P4 级精度
DU:
双列万能配对
公称型号 | ||
高速陶瓷球密封型 | HCS7936ETP4DU | |
主要尺寸(mm) | ||
内径 | d | 180 |
外径 | D | 250 |
厚度(单列) | B | 33 |
厚度(多列) | T | 66 |
倒角尺寸 | r(min) | 2 |
倒角尺寸 | r1(min) | 1 |
额定载荷(KN) | ||
基本额定动载荷 | Cr | 210 |
基本额定静载荷 | C0r | 218 |
极限载荷(KN) | ||
轴向-单个 | 137 | |
接触角 | ||
度 | ° | 25 |
系数 | ||
fo | - | |
作用点(mm) | ||
a | 66.6 | |
限制速度(rpm) | ||
脂润滑 | Grease | 7000 |
油润滑 | Oil | - |
安装尺寸(mm) | ||
da(min) | 190 | |
Da(max) | 240 | |
Db(max) | 244 | |
ra(max) | 2 | |
rb(max) | 1 | |
预紧力(N)-DU/DB/DF | ||
微预紧 | EL | 196 |
轻预紧 | L | 2156 |
中预紧 | M | 4456 |
重预紧 | H | - |
轴承刚度(N/μm)-DU/DB/DF | ||
微预紧 | EL | 220 |
轻预紧 | L | 498 |
中预紧 | M | 648 |
重预紧 | H | - |
测量轴向游隙(μm) | ||
微预紧 | EL | 0 |
轻预紧 | L | -21 |
中预紧 | M | -37 |
重预紧 | H | - |
轴承组合 | ||
方式 | 万能 | |
列数 | 2 | |
重量(Kg) | ||
7.2 |

商品 | 品牌 | 主要尺寸 | 发货仓 | 产地 | 库存 | 含税单价 | VIP价 | 操作 |