产品分类
- 深沟球轴承
- 角接触球轴承
- 超高精密轴承
- 精密角接触球轴承
- 标准型
- 标准密封型-S
- 陶瓷球标准型-C
- 陶瓷球密封型-CS
- 高速小球型-HS
- 小球密封型-HSS
- 陶瓷小球型-HC
- 陶瓷小球密封型-HCS
- 超高速陶瓷球型-XC
- 超高速陶瓷球密封型-XCS
- 超高速小球型-XS
- 超高速小球密封型-XSS
- 油气润滑-标准钢球型
- 油气润滑-标准陶瓷球型
- 油气润滑-高速小球型
- 油气润滑-高速陶瓷球型
- 油气润滑-超高速小球型
- 油气润滑-超高速陶瓷球型
- 精密丝杠轴承
- 精密圆柱滚子轴承
- 调心球轴承
- 推力轴承
- 圆柱滚子轴承
- 圆锥滚子轴承
- 调心滚子轴承
- 交叉滚子轴承
- 超薄截面轴承
- 滚针轴承
- 滚轮轴承
- 关节轴承
- 直线运动
- 轴承附件

HCS7934FTP4DU轴承
类型:【超高精密轴承 - 精密角接触球轴承】
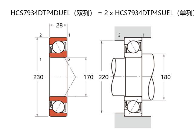
基本尺寸:内径:170 mm,外径:230 mm,厚度:56 mm。
价格区间:¥0 - ¥0【详情】
前缀列表:【H:高转速】【C:陶瓷球】【S:密封型】后缀列表:【F:接触角 18°】【T:尼龙保持架】【P4:P4 级精度】【DU:双列万能配对】
HCS7934FTP4DU是一款精密角接触球轴承,属于超高精密轴承系列。该轴承内径为170毫米,外径230毫米,厚度56毫米,尺寸规格适用于多种高精度机械设备的需求。其结构采用了陶瓷小球设计,相较于传统钢球,具有更低的密度和更高的硬度,有助于减少高速运转时的离心力,提升转速性能并降低摩擦发热。同时,轴承采用特殊密封形式,能够有效防止污染物进入内部,延长使用寿命并维持运行稳定性。
该型号轴承通常应用于高转速、高刚性与高精度要求的场景,例如精密机床主轴、电主轴及高速动力设备等。其材料与密封特性使其在长期高速运行条件下仍能保持良好的精度与可靠性,适合对温升控制和动态平衡有较高要求的场合。这类轴承在选用时需配合适当的预紧与润滑条件,以确保发挥最佳性能。
H
C
S
7
9
3
4
F
T
P
4
D
U
H:高转速
C:陶瓷球
S:密封型
7:精密角接触球轴承
9:尺寸系列:超轻 19 系列
34:内径:170 mm
F:接触角 18°
T:尼龙保持架
P4:P4 级精度
DU:双列万能配对
H:
高转速
C:
陶瓷球
S:
密封型
7:
精密角接触球轴承
9:
尺寸系列:超轻 19 系列
34:
内径:170 mm
F:
接触角 18°
T:
尼龙保持架
P4:
P4 级精度
DU:
双列万能配对
公称型号 | ||
高速陶瓷球密封型 | HCS7934FTP4DU | |
主要尺寸(mm) | ||
内径 | d | 170 |
外径 | D | 230 |
厚度(单列) | B | 28 |
厚度(多列) | T | 56 |
倒角尺寸 | r(min) | 2 |
倒角尺寸 | r1(min) | 1 |
额定载荷(KN) | ||
基本额定动载荷 | Cr | 170 |
基本额定静载荷 | C0r | 183 |
极限载荷(KN) | ||
轴向-单个 | 91 | |
接触角 | ||
度 | ° | 18 |
系数 | ||
fo | 11 | |
作用点(mm) | ||
a | 46.5 | |
限制速度(rpm) | ||
脂润滑 | Grease | 8500 |
油润滑 | Oil | - |
安装尺寸(mm) | ||
da(min) | 180 | |
Da(max) | 220 | |
Db(max) | 224 | |
ra(max) | 2 | |
rb(max) | 1 | |
预紧力(N)-DU/DB/DF | ||
微预紧 | EL | 196 |
轻预紧 | L | 1311 |
中预紧 | M | 2689 |
重预紧 | H | - |
轴承刚度(N/μm)-DU/DB/DF | ||
微预紧 | EL | 134 |
轻预紧 | L | 263 |
中预紧 | M | 346 |
重预紧 | H | - |
测量轴向游隙(μm) | ||
微预紧 | EL | 0 |
轻预紧 | L | -22 |
中预紧 | M | -40 |
重预紧 | H | - |
轴承组合 | ||
方式 | 万能 | |
列数 | 2 | |
重量(Kg) | ||
4.94 |

商品 | 品牌 | 主要尺寸 | 发货仓 | 产地 | 库存 | 含税单价 | VIP价 | 操作 |