产品分类
- 深沟球轴承
- 角接触球轴承
- 超高精密轴承
- 精密角接触球轴承
- 标准型
- 标准密封型-S
- 陶瓷球标准型-C
- 陶瓷球密封型-CS
- 高速小球型-HS
- 小球密封型-HSS
- 陶瓷小球型-HC
- 陶瓷小球密封型-HCS
- 超高速陶瓷球型-XC
- 超高速陶瓷球密封型-XCS
- 超高速小球型-XS
- 超高速小球密封型-XSS
- 油气润滑-标准钢球型
- 油气润滑-标准陶瓷球型
- 油气润滑-高速小球型
- 油气润滑-高速陶瓷球型
- 油气润滑-超高速小球型
- 油气润滑-超高速陶瓷球型
- 精密丝杠轴承
- 精密圆柱滚子轴承
- 调心球轴承
- 推力轴承
- 圆柱滚子轴承
- 圆锥滚子轴承
- 调心滚子轴承
- 交叉滚子轴承
- 超薄截面轴承
- 滚针轴承
- 滚轮轴承
- 关节轴承
- 直线运动
- 轴承附件

HCS7930FTP4DU轴承
类型:【超高精密轴承 - 精密角接触球轴承】
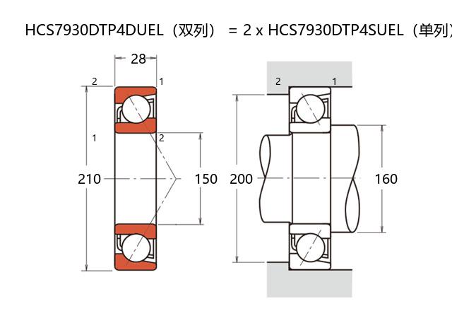
基本尺寸:内径:150 mm,外径:210 mm,厚度:56 mm。
价格区间:¥0 - ¥0【详情】
前缀列表:【H:高转速】【C:陶瓷球】【S:密封型】后缀列表:【F:接触角 18°】【T:尼龙保持架】【P4:P4 级精度】【DU:双列万能配对】
HCS7930FTP4DU型轴承属于超高精密角接触球轴承系列,其基本尺寸为内径150毫米、外径210毫米、厚度56毫米。该型号采用陶瓷小球作为滚动体,配合优化的接触角设计,能够同时承受径向和轴向载荷,尤其适用于高速运转工况。
结构上,该轴承配备特殊密封系统,有效阻隔外部污染物侵入,同时维持内部润滑稳定性,有助于延长使用寿命。材料方面,陶瓷小球的应用降低了整体密度,减少运转时的离心力效应,对抑制温升和提升转速能力具有积极作用。密封设计进一步增强了防尘与防溅性能,使其在多尘或微污染环境中保持较高可靠性。
此类轴承常见于高精度机床主轴、电主轴及某些高速传动单元,能够满足精密设备对低振动、低噪音及长期精度保持性的要求。由于选材与工艺的特殊性,它在高速、轻载工况下表现较为突出,为相关设备提供了稳定的旋转支撑解决方案。
H
C
S
7
9
3
0
F
T
P
4
D
U
H:高转速
C:陶瓷球
S:密封型
7:精密角接触球轴承
9:尺寸系列:超轻 19 系列
30:内径:150 mm
F:接触角 18°
T:尼龙保持架
P4:P4 级精度
DU:双列万能配对
H:
高转速
C:
陶瓷球
S:
密封型
7:
精密角接触球轴承
9:
尺寸系列:超轻 19 系列
30:
内径:150 mm
F:
接触角 18°
T:
尼龙保持架
P4:
P4 级精度
DU:
双列万能配对
公称型号 | ||
高速陶瓷球密封型 | HCS7930FTP4DU | |
主要尺寸(mm) | ||
内径 | d | 150 |
外径 | D | 210 |
厚度(单列) | B | 28 |
厚度(多列) | T | 56 |
倒角尺寸 | r(min) | 2 |
倒角尺寸 | r1(min) | 1 |
额定载荷(KN) | ||
基本额定动载荷 | Cr | 154 |
基本额定静载荷 | C0r | 150 |
极限载荷(KN) | ||
轴向-单个 | 75 | |
接触角 | ||
度 | ° | 18 |
系数 | ||
fo | 10.8 | |
作用点(mm) | ||
a | 43.2 | |
限制速度(rpm) | ||
脂润滑 | Grease | 10000 |
油润滑 | Oil | - |
安装尺寸(mm) | ||
da(min) | 160 | |
Da(max) | 200 | |
Db(max) | 204 | |
ra(max) | 2 | |
rb(max) | 1 | |
预紧力(N)-DU/DB/DF | ||
微预紧 | EL | 196 |
轻预紧 | L | 1046 |
中预紧 | M | 2179 |
重预紧 | H | - |
轴承刚度(N/μm)-DU/DB/DF | ||
微预紧 | EL | 119 |
轻预紧 | L | 216 |
中预紧 | M | 286 |
重预紧 | H | - |
测量轴向游隙(μm) | ||
微预紧 | EL | 0 |
轻预紧 | L | -20 |
中预紧 | M | -38 |
重预紧 | H | - |
轴承组合 | ||
方式 | 万能 | |
列数 | 2 | |
重量(Kg) | ||
4.28 |

商品 | 品牌 | 主要尺寸 | 发货仓 | 产地 | 库存 | 含税单价 | VIP价 | 操作 |