产品分类
- 深沟球轴承
- 角接触球轴承
- 超高精密轴承
- 精密角接触球轴承
- 标准型
- 标准密封型-S
- 陶瓷球标准型-C
- 陶瓷球密封型-CS
- 高速小球型-HS
- 小球密封型-HSS
- 陶瓷小球型-HC
- 陶瓷小球密封型-HCS
- 超高速陶瓷球型-XC
- 超高速陶瓷球密封型-XCS
- 超高速小球型-XS
- 超高速小球密封型-XSS
- 油气润滑-标准钢球型
- 油气润滑-标准陶瓷球型
- 油气润滑-高速小球型
- 油气润滑-高速陶瓷球型
- 油气润滑-超高速小球型
- 油气润滑-超高速陶瓷球型
- 精密丝杠轴承
- 精密圆柱滚子轴承
- 调心球轴承
- 推力轴承
- 圆柱滚子轴承
- 圆锥滚子轴承
- 调心滚子轴承
- 交叉滚子轴承
- 超薄截面轴承
- 滚针轴承
- 滚轮轴承
- 关节轴承
- 直线运动
- 轴承附件

HCS7928ETP4DU轴承
类型:【超高精密轴承 - 精密角接触球轴承】
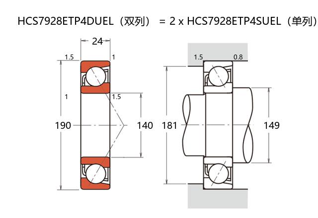
基本尺寸:内径:140 mm,外径:190 mm,厚度:48 mm。
价格区间:¥0 - ¥0【详情】
前缀列表:【H:高转速】【C:陶瓷球】【S:密封型】后缀列表:【E:接触角 25°】【T:尼龙保持架】【P4:P4 级精度】【DU:双列万能配对】
HCS7928ETP4DU是一款超高精密角接触球轴承,其内径为140毫米,外径190毫米,厚度48毫米。该轴承属于陶瓷小球密封型设计,采用工程陶瓷材料制作滚动体,具有较低的密度和优异的耐磨性能,有助于减少高速运转时的离心力,提升动态响应。密封结构能够有效阻挡污染物进入,同时保持内部润滑剂的稳定性,延长使用寿命。
此型号轴承适用于高转速、高刚性要求的工况,常见于精密机床主轴、电主轴及高速动力设备等场合。其内部设计和材料选择有助于控制运转温升,维持精度一致性。在安装时需注意预紧力调整和配合公差,以保证性能发挥。轴承的维护需遵循设备制造商的指导,采用合适的润滑方案和清洁环境,以确保长期运行的可靠性。
H
C
S
7
9
2
8
E
T
P
4
D
U
H:高转速
C:陶瓷球
S:密封型
7:精密角接触球轴承
9:尺寸系列:超轻 19 系列
28:内径:140 mm
E:接触角 25°
T:尼龙保持架
P4:P4 级精度
DU:双列万能配对
H:
高转速
C:
陶瓷球
S:
密封型
7:
精密角接触球轴承
9:
尺寸系列:超轻 19 系列
28:
内径:140 mm
E:
接触角 25°
T:
尼龙保持架
P4:
P4 级精度
DU:
双列万能配对
公称型号 | ||
高速陶瓷球密封型 | HCS7928ETP4DU | |
主要尺寸(mm) | ||
内径 | d | 140 |
外径 | D | 190 |
厚度(单列) | B | 24 |
厚度(多列) | T | 48 |
倒角尺寸 | r(min) | 1.5 |
倒角尺寸 | r1(min) | 1 |
额定载荷(KN) | ||
基本额定动载荷 | Cr | 115 |
基本额定静载荷 | C0r | 113 |
极限载荷(KN) | ||
轴向-单个 | 70.5 | |
接触角 | ||
度 | ° | 25 |
系数 | ||
fo | - | |
作用点(mm) | ||
a | 50.5 | |
限制速度(rpm) | ||
脂润滑 | Grease | 9700 |
油润滑 | Oil | - |
安装尺寸(mm) | ||
da(min) | 149 | |
Da(max) | 181 | |
Db(max) | 184 | |
ra(max) | 1.5 | |
rb(max) | 0.8 | |
预紧力(N)-DU/DB/DF | ||
微预紧 | EL | 98 |
轻预紧 | L | 1159 |
中预紧 | M | 2276 |
重预紧 | H | - |
轴承刚度(N/μm)-DU/DB/DF | ||
微预紧 | EL | 154 |
轻预紧 | L | 356 |
中预紧 | M | 454 |
重预紧 | H | - |
测量轴向游隙(μm) | ||
微预紧 | EL | 0 |
轻预紧 | L | -16 |
中预紧 | M | -27 |
重预紧 | H | - |
轴承组合 | ||
方式 | 万能 | |
列数 | 2 | |
重量(Kg) | ||
2.7 |

商品 | 品牌 | 主要尺寸 | 发货仓 | 产地 | 库存 | 含税单价 | VIP价 | 操作 |