产品分类
- 深沟球轴承
- 角接触球轴承
- 超高精密轴承
- 精密角接触球轴承
- 标准型
- 标准密封型-S
- 陶瓷球标准型-C
- 陶瓷球密封型-CS
- 高速小球型-HS
- 小球密封型-HSS
- 陶瓷小球型-HC
- 陶瓷小球密封型-HCS
- 超高速陶瓷球型-XC
- 超高速陶瓷球密封型-XCS
- 超高速小球型-XS
- 超高速小球密封型-XSS
- 油气润滑-标准钢球型
- 油气润滑-标准陶瓷球型
- 油气润滑-高速小球型
- 油气润滑-高速陶瓷球型
- 油气润滑-超高速小球型
- 油气润滑-超高速陶瓷球型
- 精密丝杠轴承
- 精密圆柱滚子轴承
- 调心球轴承
- 推力轴承
- 圆柱滚子轴承
- 圆锥滚子轴承
- 调心滚子轴承
- 交叉滚子轴承
- 超薄截面轴承
- 滚针轴承
- 滚轮轴承
- 关节轴承
- 直线运动
- 轴承附件

HCS7926ETP4DU轴承
类型:【超高精密轴承 - 精密角接触球轴承】
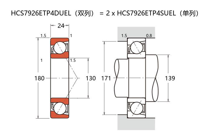
基本尺寸:内径:130 mm,外径:180 mm,厚度:48 mm。
价格区间:¥0 - ¥0【详情】
前缀列表:【H:高转速】【C:陶瓷球】【S:密封型】后缀列表:【E:接触角 25°】【T:尼龙保持架】【P4:P4 级精度】【DU:双列万能配对】
HCS7926ETP4DU属于超高精密角接触球轴承系列,其结构设计以高刚性、低摩擦为特点,适合高速运转的工况。该型号内径为130毫米,外径180毫米,厚度48毫米,整体尺寸适中,可适配多种中大型精密设备的结构布局。
在材料方面,轴承采用陶瓷小球作为滚动体,有助于降低旋转时的离心力效应,同时增强耐磨性与抗腐蚀能力。内置密封结构可有效抑制外部污染物进入,延长使用寿命,并减少润滑介质的流失。得益于精密的制造工艺与优化的接触角设计,该类轴承在承受径向与轴向复合载荷时表现出较好的精度稳定性,并能在长期运行中维持较低的温升。
HCS7926ETP4DU型轴承主要应用于高速主轴、精密加工中心以及测量仪器等对运转精度和动态性能有较高要求的场合。在适当润滑与安装条件下,能够为设备提供平稳而持久的支承性能,有助于提升整机运行的可靠性。
H
C
S
7
9
2
6
E
T
P
4
D
U
H:高转速
C:陶瓷球
S:密封型
7:精密角接触球轴承
9:尺寸系列:超轻 19 系列
26:内径:130 mm
E:接触角 25°
T:尼龙保持架
P4:P4 级精度
DU:双列万能配对
H:
高转速
C:
陶瓷球
S:
密封型
7:
精密角接触球轴承
9:
尺寸系列:超轻 19 系列
26:
内径:130 mm
E:
接触角 25°
T:
尼龙保持架
P4:
P4 级精度
DU:
双列万能配对
公称型号 | ||
高速陶瓷球密封型 | HCS7926ETP4DU | |
主要尺寸(mm) | ||
内径 | d | 130 |
外径 | D | 180 |
厚度(单列) | B | 24 |
厚度(多列) | T | 48 |
倒角尺寸 | r(min) | 1.5 |
倒角尺寸 | r1(min) | 1 |
额定载荷(KN) | ||
基本额定动载荷 | Cr | 114 |
基本额定静载荷 | C0r | 108 |
极限载荷(KN) | ||
轴向-单个 | 67.5 | |
接触角 | ||
度 | ° | 25 |
系数 | ||
fo | - | |
作用点(mm) | ||
a | 48.1 | |
限制速度(rpm) | ||
脂润滑 | Grease | 10400 |
油润滑 | Oil | - |
安装尺寸(mm) | ||
da(min) | 139 | |
Da(max) | 171 | |
Db(max) | 174 | |
ra(max) | 1.5 | |
rb(max) | 0.8 | |
预紧力(N)-DU/DB/DF | ||
微预紧 | EL | 98 |
轻预紧 | L | 1123 |
中预紧 | M | 2199 |
重预紧 | H | - |
轴承刚度(N/μm)-DU/DB/DF | ||
微预紧 | EL | 150 |
轻预紧 | L | 343 |
中预紧 | M | 437 |
重预紧 | H | - |
测量轴向游隙(μm) | ||
微预紧 | EL | 0 |
轻预紧 | L | -16 |
中预紧 | M | -27 |
重预紧 | H | - |
轴承组合 | ||
方式 | 万能 | |
列数 | 2 | |
重量(Kg) | ||
2.54 |

商品 | 品牌 | 主要尺寸 | 发货仓 | 产地 | 库存 | 含税单价 | VIP价 | 操作 |