产品分类
- 深沟球轴承
- 角接触球轴承
- 超高精密轴承
- 精密角接触球轴承
- 标准型
- 标准密封型-S
- 陶瓷球标准型-C
- 陶瓷球密封型-CS
- 高速小球型-HS
- 小球密封型-HSS
- 陶瓷小球型-HC
- 陶瓷小球密封型-HCS
- 超高速陶瓷球型-XC
- 超高速陶瓷球密封型-XCS
- 超高速小球型-XS
- 超高速小球密封型-XSS
- 油气润滑-标准钢球型
- 油气润滑-标准陶瓷球型
- 油气润滑-高速小球型
- 油气润滑-高速陶瓷球型
- 油气润滑-超高速小球型
- 油气润滑-超高速陶瓷球型
- 精密丝杠轴承
- 精密圆柱滚子轴承
- 调心球轴承
- 推力轴承
- 圆柱滚子轴承
- 圆锥滚子轴承
- 调心滚子轴承
- 交叉滚子轴承
- 超薄截面轴承
- 滚针轴承
- 滚轮轴承
- 关节轴承
- 直线运动
- 轴承附件

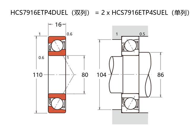
HCS7916ETP4DU轴承
类型:【超高精密轴承 - 精密角接触球轴承】
基本尺寸:内径:80 mm,外径:110 mm,厚度:32 mm。
价格区间:¥5042.1 - ¥5949.68【详情】
前缀列表:【H:高转速】【C:陶瓷球】【S:密封型】后缀列表:【E:接触角 25°】【T:尼龙保持架】【P4:P4 级精度】【DU:双列万能配对】
HCS7916ETP4DU型轴承属于超高精密角接触球轴承范畴,其基本尺寸为内径80毫米、外径110毫米、厚度32毫米。该型号采用陶瓷小球材质,具备轻量化与高刚性特点,在高速运转条件下可有效降低离心力影响。密封结构设计有助于维持内部润滑状态,并减少外部污染物侵入。
此类轴承适用于高转速、高刚性要求的工作场景,常见于精密机床主轴、电主轴等设备。其内外圈及滚动体经特殊工艺处理,有助于提升运转平稳性与使用寿命。在合理安装与维护条件下,该产品能支持设备实现较高的加工精度。
选型时需结合具体工况参数进行综合评估,包括负载条件、转速范围及环境因素等。建议参考专业技术资料以确认其适用性,同时遵循设备制造商的指导规范进行安装与保养。
H
C
S
7
9
1
6
E
T
P
4
D
U
H:高转速
C:陶瓷球
S:密封型
7:精密角接触球轴承
9:尺寸系列:超轻 19 系列
16:内径:80 mm
E:接触角 25°
T:尼龙保持架
P4:P4 级精度
DU:双列万能配对
H:
高转速
C:
陶瓷球
S:
密封型
7:
精密角接触球轴承
9:
尺寸系列:超轻 19 系列
16:
内径:80 mm
E:
接触角 25°
T:
尼龙保持架
P4:
P4 级精度
DU:
双列万能配对
公称型号 | ||
高速陶瓷球密封型 | HCS7916ETP4DU | |
主要尺寸(mm) | ||
内径 | d | 80 |
外径 | D | 110 |
厚度(单列) | B | 16 |
厚度(多列) | T | 32 |
倒角尺寸 | r(min) | 1 |
倒角尺寸 | r1(min) | 0.6 |
额定载荷(KN) | ||
基本额定动载荷 | Cr | 42 |
基本额定静载荷 | C0r | 36.6 |
极限载荷(KN) | ||
轴向-单个 | 22.8 | |
接触角 | ||
度 | ° | 25 |
系数 | ||
fo | - | |
作用点(mm) | ||
a | 30.2 | |
限制速度(rpm) | ||
脂润滑 | Grease | 16900 |
油润滑 | Oil | - |
安装尺寸(mm) | ||
da(min) | 86 | |
Da(max) | 104 | |
Db(max) | 105 | |
ra(max) | 1 | |
rb(max) | 0.5 | |
预紧力(N)-DU/DB/DF | ||
微预紧 | EL | 49 |
轻预紧 | L | 349 |
中预紧 | M | 743 |
重预紧 | H | - |
轴承刚度(N/μm)-DU/DB/DF | ||
微预紧 | EL | 100 |
轻预紧 | L | 194 |
中预紧 | M | 254 |
重预紧 | H | - |
测量轴向游隙(μm) | ||
微预紧 | EL | 0 |
轻预紧 | L | -8 |
中预紧 | M | -15 |
重预紧 | H | - |
轴承组合 | ||
方式 | 万能 | |
列数 | 2 | |
重量(Kg) | ||
0.652 |

商品 | 品牌 | 主要尺寸 | 发货仓 | 产地 | 库存 | 含税单价 | VIP价 | 操作 |
SKF S71916 ACE/HCP4ADGA轴承 超精密角接触球轴承E设计 |
SKF | 80 X 110 X 32 | 华东 | 意大利 | 8 | 5949.68 | ¥5042.1 | |