产品分类
- 深沟球轴承
- 角接触球轴承
- 超高精密轴承
- 精密角接触球轴承
- 标准型
- 标准密封型-S
- 陶瓷球标准型-C
- 陶瓷球密封型-CS
- 高速小球型-HS
- 小球密封型-HSS
- 陶瓷小球型-HC
- 陶瓷小球密封型-HCS
- 超高速陶瓷球型-XC
- 超高速陶瓷球密封型-XCS
- 超高速小球型-XS
- 超高速小球密封型-XSS
- 油气润滑-标准钢球型
- 油气润滑-标准陶瓷球型
- 油气润滑-高速小球型
- 油气润滑-高速陶瓷球型
- 油气润滑-超高速小球型
- 油气润滑-超高速陶瓷球型
- 精密丝杠轴承
- 精密圆柱滚子轴承
- 调心球轴承
- 推力轴承
- 圆柱滚子轴承
- 圆锥滚子轴承
- 调心滚子轴承
- 交叉滚子轴承
- 超薄截面轴承
- 滚针轴承
- 滚轮轴承
- 关节轴承
- 直线运动
- 轴承附件

HCS7910ETP4DU轴承
类型:【超高精密轴承 - 精密角接触球轴承】
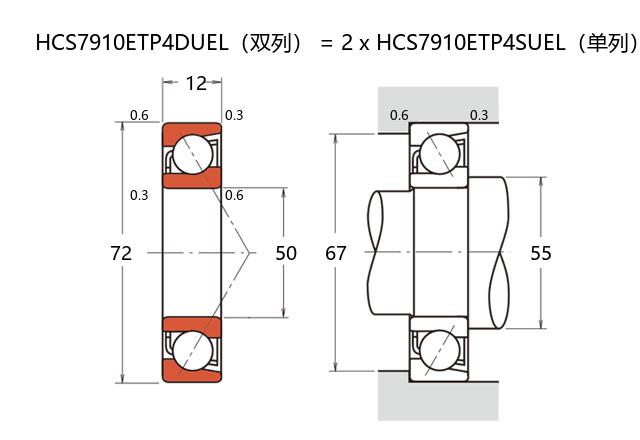
基本尺寸:内径:50 mm,外径:72 mm,厚度:24 mm。
价格区间:¥0 - ¥0【详情】
前缀列表:【H:高转速】【C:陶瓷球】【S:密封型】后缀列表:【E:接触角 25°】【T:尼龙保持架】【P4:P4 级精度】【DU:双列万能配对】
HCS7910ETP4DU属于精密角接触球轴承中的特殊类型,其结构设计针对高精度和耐用性需求。该型号内径为50毫米,外径72毫米,厚度24毫米,尺寸规格在同类产品中较为常见,适合多种精密机械的安装要求。
该轴承采用陶瓷小球作为滚动体,相比传统钢球可能具有更优的耐磨性和抗腐蚀性,同时有助于降低运转过程中的温升。接触角设计使轴承能够承受径向和轴向复合载荷,适用于中等转速工况。密封结构可在一定程度上阻挡污染物侵入,延长润滑脂保持时间,但实际效果需结合具体使用环境评估。
此类轴承常见于精密机床主轴、电主轴或测量仪器等设备,其性能表现与安装精度、润滑条件及工作负荷密切相关。在选用时需综合考虑配合公差、预紧力设置等因素,以确保系统运行的平稳性。不同制造商的产品在工艺细节上可能存在差异,建议参考具体技术文件进行应用验证。
H
C
S
7
9
1
0
E
T
P
4
D
U
H:高转速
C:陶瓷球
S:密封型
7:精密角接触球轴承
9:尺寸系列:超轻 19 系列
10:内径:50 mm
E:接触角 25°
T:尼龙保持架
P4:P4 级精度
DU:双列万能配对
H:
高转速
C:
陶瓷球
S:
密封型
7:
精密角接触球轴承
9:
尺寸系列:超轻 19 系列
10:
内径:50 mm
E:
接触角 25°
T:
尼龙保持架
P4:
P4 级精度
DU:
双列万能配对
公称型号 | ||
高速陶瓷球密封型 | HCS7910ETP4DU | |
主要尺寸(mm) | ||
内径 | d | 50 |
外径 | D | 72 |
厚度(单列) | B | 12 |
厚度(多列) | T | 24 |
倒角尺寸 | r(min) | 0.6 |
倒角尺寸 | r1(min) | 0.3 |
额定载荷(KN) | ||
基本额定动载荷 | Cr | 24.4 |
基本额定静载荷 | C0r | 17.9 |
极限载荷(KN) | ||
轴向-单个 | 11 | |
接触角 | ||
度 | ° | 25 |
系数 | ||
fo | - | |
作用点(mm) | ||
a | 20.2 | |
限制速度(rpm) | ||
脂润滑 | Grease | 26300 |
油润滑 | Oil | - |
安装尺寸(mm) | ||
da(min) | 55 | |
Da(max) | 67 | |
Db(max) | 69.5 | |
ra(max) | 0.6 | |
rb(max) | 0.3 | |
预紧力(N)-DU/DB/DF | ||
微预紧 | EL | 49 |
轻预紧 | L | 283 |
中预紧 | M | 584 |
重预紧 | H | - |
轴承刚度(N/μm)-DU/DB/DF | ||
微预紧 | EL | 81 |
轻预紧 | L | 149 |
中预紧 | M | 194 |
重预紧 | H | - |
测量轴向游隙(μm) | ||
微预紧 | EL | 0 |
轻预紧 | L | -8 |
中预紧 | M | -15 |
重预紧 | H | - |
轴承组合 | ||
方式 | 万能 | |
列数 | 2 | |
重量(Kg) | ||
0.222 |

商品 | 品牌 | 主要尺寸 | 发货仓 | 产地 | 库存 | 含税单价 | VIP价 | 操作 |