产品分类
- 深沟球轴承
- 角接触球轴承
- 超高精密轴承
- 精密角接触球轴承
- 标准型
- 标准密封型-S
- 陶瓷球标准型-C
- 陶瓷球密封型-CS
- 高速小球型-HS
- 小球密封型-HSS
- 陶瓷小球型-HC
- 陶瓷小球密封型-HCS
- 超高速陶瓷球型-XC
- 超高速陶瓷球密封型-XCS
- 超高速小球型-XS
- 超高速小球密封型-XSS
- 油气润滑-标准钢球型
- 油气润滑-标准陶瓷球型
- 油气润滑-高速小球型
- 油气润滑-高速陶瓷球型
- 油气润滑-超高速小球型
- 油气润滑-超高速陶瓷球型
- 精密丝杠轴承
- 精密圆柱滚子轴承
- 调心球轴承
- 推力轴承
- 圆柱滚子轴承
- 圆锥滚子轴承
- 调心滚子轴承
- 交叉滚子轴承
- 超薄截面轴承
- 滚针轴承
- 滚轮轴承
- 关节轴承
- 直线运动
- 轴承附件

HCS72918FTP4DU轴承
类型:【超高精密轴承 - 精密角接触球轴承】
基本尺寸:内径:90 mm,外径:125 mm,厚度:44 mm。
价格区间:¥0 - ¥0【详情】
前缀列表:【H:高转速】【C:陶瓷球】【S:密封型】后缀列表:【F:接触角 18°】【T:尼龙保持架】【P4:P4 级精度】【DU:双列万能配对】
HCS72918FTP4DU是一款精密角接触球轴承,属于超高精密轴承类别。其结构设计基于陶瓷小球与密封技术的结合,适用于高速运转和高精度要求的应用场景。该型号内径为90毫米,外径125毫米,厚度44毫米,尺寸规格在工程中便于匹配标准组件。
该轴承采用角接触设计,能够同时承受径向和轴向载荷,尤其适合在复杂受力条件下运行。陶瓷材料的小球降低了运转时的摩擦与磨损,有助于提升使用寿命和稳定性。密封结构进一步防止污染物侵入,维护内部清洁,适合在粉尘或湿度较高的环境中使用。
在应用方面,常见于高转速主轴、精密仪器以及工业传动系统。其性能平衡了速度能力与刚性需求,为用户提供可靠的支撑方案。需要注意的是,实际使用中需配合适当的润滑与安装工艺,以发挥其最佳效果。不同工况下的表现可能有所差异,建议参考具体技术手册进行选型与维护。
H
C
S
7
2
9
1
8
F
T
P
4
D
U
H:高转速
C:陶瓷球
S:密封型
7:精密角接触球轴承
2:宽度系列:宽型 2 系列
9:直径系列:超轻 19 系列
18:内径:90 mm
F:接触角 18°
T:尼龙保持架
P4:P4 级精度
DU:双列万能配对
H:
高转速
C:
陶瓷球
S:
密封型
7:
精密角接触球轴承
2:
宽度系列:宽型 2 系列
9:
直径系列:超轻 19 系列
18:
内径:90 mm
F:
接触角 18°
T:
尼龙保持架
P4:
P4 级精度
DU:
双列万能配对
公称型号 | ||
高速陶瓷球密封型 | HCS72918FTP4DU | |
主要尺寸(mm) | ||
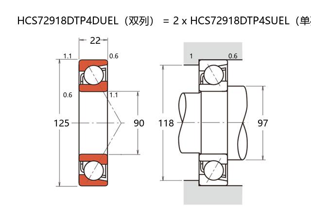
内径 | d | 90 |
外径 | D | 125 |
厚度(单列) | B | 22 |
厚度(多列) | T | 44 |
倒角尺寸 | r(min) | 1.1 |
倒角尺寸 | r1(min) | 0.6 |
额定载荷(KN) | ||
基本额定动载荷 | Cr | 63 |
基本额定静载荷 | C0r | 57 |
极限载荷(KN) | ||
轴向-单个 | 28.1 | |
接触角 | ||
度 | ° | 18 |
系数 | ||
fo | 10.9 | |
作用点(mm) | ||
a | 28.5 | |
限制速度(rpm) | ||
脂润滑 | Grease | 16800 |
油润滑 | Oil | - |
安装尺寸(mm) | ||
da(min) | 97 | |
Da(max) | 118 | |
Db(max) | 120 | |
ra(max) | 1 | |
rb(max) | 0.6 | |
预紧力(N)-DU/DB/DF | ||
微预紧 | EL | 98 |
轻预紧 | L | 308 |
中预紧 | M | 804 |
重预紧 | H | - |
轴承刚度(N/μm)-DU/DB/DF | ||
微预紧 | EL | 84 |
轻预紧 | L | 125 |
中预紧 | M | 181 |
重预紧 | H | - |
测量轴向游隙(μm) | ||
微预紧 | EL | 0 |
轻预紧 | L | -8 |
中预紧 | M | -21 |
重预紧 | H | - |
轴承组合 | ||
方式 | 万能 | |
列数 | 2 | |
重量(Kg) | ||
1.164 |

商品 | 品牌 | 主要尺寸 | 发货仓 | 产地 | 库存 | 含税单价 | VIP价 | 操作 |