产品分类
- 深沟球轴承
- 角接触球轴承
- 超高精密轴承
- 精密角接触球轴承
- 标准型
- 标准密封型-S
- 陶瓷球标准型-C
- 陶瓷球密封型-CS
- 高速小球型-HS
- 小球密封型-HSS
- 陶瓷小球型-HC
- 陶瓷小球密封型-HCS
- 超高速陶瓷球型-XC
- 超高速陶瓷球密封型-XCS
- 超高速小球型-XS
- 超高速小球密封型-XSS
- 油气润滑-标准钢球型
- 油气润滑-标准陶瓷球型
- 油气润滑-高速小球型
- 油气润滑-高速陶瓷球型
- 油气润滑-超高速小球型
- 油气润滑-超高速陶瓷球型
- 精密丝杠轴承
- 精密圆柱滚子轴承
- 调心球轴承
- 推力轴承
- 圆柱滚子轴承
- 圆锥滚子轴承
- 调心滚子轴承
- 交叉滚子轴承
- 超薄截面轴承
- 滚针轴承
- 滚轮轴承
- 关节轴承
- 直线运动
- 轴承附件

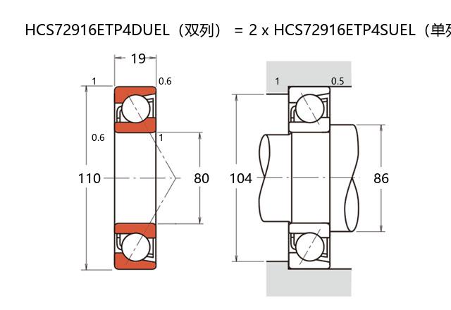
HCS72916ETP4DU轴承
类型:【超高精密轴承 - 精密角接触球轴承】
基本尺寸:内径:80 mm,外径:110 mm,厚度:38 mm。
价格区间:¥0 - ¥0【详情】
前缀列表:【H:高转速】【C:陶瓷球】【S:密封型】后缀列表:【E:接触角 25°】【T:尼龙保持架】【P4:P4 级精度】【DU:双列万能配对】
HCS72916ETP4DU属于超高精密角接触球轴承系列,其基本尺寸为内径80mm、外径110mm、厚度38mm,适用于对空间布局与运行精度有较高要求的应用环境。该型号采用陶瓷小球作为滚动体,有助于降低运转时的离心力效应,提升高速性能表现。密封结构设计可有效控制污染物侵入,对轴承内部润滑状态形成一定保护,延长使用寿命。
在配置上,这类轴承一般采用预载荷设计,可提升系统刚性并控制运转过程中的轴向与径向跳动。其材料与结构特点使其在较高转速工况中保持相对较低的温升,有利于维持精度稳定性。由于采用角接触设计,该轴承主要承受以轴向为主的联合载荷,常见于高精度主轴、电主轴及各类高速旋转单元中。
需要说明的是,轴承的实际性能表现会受到安装配合、润滑条件及工况环境等多方面因素的综合影响。在选用时应结合具体应用需求进行评估,并遵循相应的安装与维护规范,以促进其性能的有效发挥。
H
C
S
7
2
9
1
6
E
T
P
4
D
U
H:高转速
C:陶瓷球
S:密封型
7:精密角接触球轴承
2:宽度系列:宽型 2 系列
9:直径系列:超轻 19 系列
16:内径:80 mm
E:接触角 25°
T:尼龙保持架
P4:P4 级精度
DU:双列万能配对
H:
高转速
C:
陶瓷球
S:
密封型
7:
精密角接触球轴承
2:
宽度系列:宽型 2 系列
9:
直径系列:超轻 19 系列
16:
内径:80 mm
E:
接触角 25°
T:
尼龙保持架
P4:
P4 级精度
DU:
双列万能配对
公称型号 | ||
高速陶瓷球密封型 | HCS72916ETP4DU | |
主要尺寸(mm) | ||
内径 | d | 80 |
外径 | D | 110 |
厚度(单列) | B | 19 |
厚度(多列) | T | 38 |
倒角尺寸 | r(min) | 1 |
倒角尺寸 | r1(min) | 0.6 |
额定载荷(KN) | ||
基本额定动载荷 | Cr | 42 |
基本额定静载荷 | C0r | 36.6 |
极限载荷(KN) | ||
轴向-单个 | 22.8 | |
接触角 | ||
度 | ° | 25 |
系数 | ||
fo | - | |
作用点(mm) | ||
a | 31.7 | |
限制速度(rpm) | ||
脂润滑 | Grease | 16900 |
油润滑 | Oil | - |
安装尺寸(mm) | ||
da(min) | 86 | |
Da(max) | 104 | |
Db(max) | 105 | |
ra(max) | 1 | |
rb(max) | 0.5 | |
预紧力(N)-DU/DB/DF | ||
微预紧 | EL | 49 |
轻预紧 | L | 349 |
中预紧 | M | 743 |
重预紧 | H | - |
轴承刚度(N/μm)-DU/DB/DF | ||
微预紧 | EL | 100 |
轻预紧 | L | 194 |
中预紧 | M | 254 |
重预紧 | H | - |
测量轴向游隙(μm) | ||
微预紧 | EL | 0 |
轻预紧 | L | -8 |
中预紧 | M | -15 |
重预紧 | H | - |
轴承组合 | ||
方式 | 万能 | |
列数 | 2 | |
重量(Kg) | ||
0.77 |

商品 | 品牌 | 主要尺寸 | 发货仓 | 产地 | 库存 | 含税单价 | VIP价 | 操作 |