产品分类
- 深沟球轴承
- 角接触球轴承
- 超高精密轴承
- 精密角接触球轴承
- 标准型
- 标准密封型-S
- 陶瓷球标准型-C
- 陶瓷球密封型-CS
- 高速小球型-HS
- 小球密封型-HSS
- 陶瓷小球型-HC
- 陶瓷小球密封型-HCS
- 超高速陶瓷球型-XC
- 超高速陶瓷球密封型-XCS
- 超高速小球型-XS
- 超高速小球密封型-XSS
- 油气润滑-标准钢球型
- 油气润滑-标准陶瓷球型
- 油气润滑-高速小球型
- 油气润滑-高速陶瓷球型
- 油气润滑-超高速小球型
- 油气润滑-超高速陶瓷球型
- 精密丝杠轴承
- 精密圆柱滚子轴承
- 调心球轴承
- 推力轴承
- 圆柱滚子轴承
- 圆锥滚子轴承
- 调心滚子轴承
- 交叉滚子轴承
- 超薄截面轴承
- 滚针轴承
- 滚轮轴承
- 关节轴承
- 直线运动
- 轴承附件

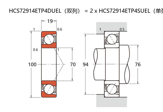
HCS72914ETP4DU轴承
类型:【超高精密轴承 - 精密角接触球轴承】
基本尺寸:内径:70 mm,外径:100 mm,厚度:38 mm。
价格区间:¥0 - ¥0【详情】
前缀列表:【H:高转速】【C:陶瓷球】【S:密封型】后缀列表:【E:接触角 25°】【T:尼龙保持架】【P4:P4 级精度】【DU:双列万能配对】
HCS72914ETP4DU是一款采用陶瓷小球设计的精密角接触球轴承,其内径、外径和厚度分别为70毫米、100毫米及38毫米。该轴承属于超高精密系列,适用于高速旋转与高刚性要求的工况。内部采用的陶瓷小球材质有助于降低旋转时的离心力效应,同时减少温升及磨损风险。
此类轴承在设计上采用密封结构,可有效阻隔外部污染物并维持润滑状态,延长使用寿命。其接触角经过优化,能同时承受径向与轴向载荷,尤其适合高转速及高精度要求的设备,例如精密机床主轴或测量仪器旋转单元。
需要说明的是,轴承性能受安装条件、润滑状态及实际工况影响,选用时需结合具体应用环境进行综合分析。该型号在参数匹配适当的情况下,可表现出良好的运转稳定性与精度保持能力。
H
C
S
7
2
9
1
4
E
T
P
4
D
U
H:高转速
C:陶瓷球
S:密封型
7:精密角接触球轴承
2:宽度系列:宽型 2 系列
9:直径系列:超轻 19 系列
14:内径:70 mm
E:接触角 25°
T:尼龙保持架
P4:P4 级精度
DU:双列万能配对
H:
高转速
C:
陶瓷球
S:
密封型
7:
精密角接触球轴承
2:
宽度系列:宽型 2 系列
9:
直径系列:超轻 19 系列
14:
内径:70 mm
E:
接触角 25°
T:
尼龙保持架
P4:
P4 级精度
DU:
双列万能配对
公称型号 | ||
高速陶瓷球密封型 | HCS72914ETP4DU | |
主要尺寸(mm) | ||
内径 | d | 70 |
外径 | D | 100 |
厚度(单列) | B | 19 |
厚度(多列) | T | 38 |
倒角尺寸 | r(min) | 1 |
倒角尺寸 | r1(min) | 0.6 |
额定载荷(KN) | ||
基本额定动载荷 | Cr | 40.8 |
基本额定静载荷 | C0r | 33.2 |
极限载荷(KN) | ||
轴向-单个 | 20.7 | |
接触角 | ||
度 | ° | 25 |
系数 | ||
fo | - | |
作用点(mm) | ||
a | 29.3 | |
限制速度(rpm) | ||
脂润滑 | Grease | 18900 |
油润滑 | Oil | - |
安装尺寸(mm) | ||
da(min) | 76 | |
Da(max) | 94 | |
Db(max) | 95 | |
ra(max) | 1 | |
rb(max) | 0.5 | |
预紧力(N)-DU/DB/DF | ||
微预紧 | EL | 49 |
轻预紧 | L | 329 |
中预紧 | M | 693 |
重预紧 | H | - |
轴承刚度(N/μm)-DU/DB/DF | ||
微预紧 | EL | 94 |
轻预紧 | L | 180 |
中预紧 | M | 235 |
重预紧 | H | - |
测量轴向游隙(μm) | ||
微预紧 | EL | 0 |
轻预紧 | L | -8 |
中预紧 | M | -15 |
重预紧 | H | - |
轴承组合 | ||
方式 | 万能 | |
列数 | 2 | |
重量(Kg) | ||
0.688 |

商品 | 品牌 | 主要尺寸 | 发货仓 | 产地 | 库存 | 含税单价 | VIP价 | 操作 |