产品分类
- 深沟球轴承
- 角接触球轴承
- 超高精密轴承
- 精密角接触球轴承
- 标准型
- 标准密封型-S
- 陶瓷球标准型-C
- 陶瓷球密封型-CS
- 高速小球型-HS
- 小球密封型-HSS
- 陶瓷小球型-HC
- 陶瓷小球密封型-HCS
- 超高速陶瓷球型-XC
- 超高速陶瓷球密封型-XCS
- 超高速小球型-XS
- 超高速小球密封型-XSS
- 油气润滑-标准钢球型
- 油气润滑-标准陶瓷球型
- 油气润滑-高速小球型
- 油气润滑-高速陶瓷球型
- 油气润滑-超高速小球型
- 油气润滑-超高速陶瓷球型
- 精密丝杠轴承
- 精密圆柱滚子轴承
- 调心球轴承
- 推力轴承
- 圆柱滚子轴承
- 圆锥滚子轴承
- 调心滚子轴承
- 交叉滚子轴承
- 超薄截面轴承
- 滚针轴承
- 滚轮轴承
- 关节轴承
- 直线运动
- 轴承附件

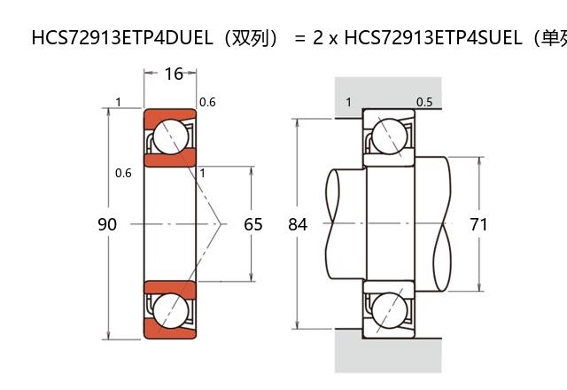
HCS72913ETP4DU轴承
类型:【超高精密轴承 - 精密角接触球轴承】
基本尺寸:内径:65 mm,外径:90 mm,厚度:32 mm。
价格区间:¥0 - ¥0【详情】
前缀列表:【H:高转速】【C:陶瓷球】【S:密封型】后缀列表:【E:接触角 25°】【T:尼龙保持架】【P4:P4 级精度】【DU:双列万能配对】
HCS72913ETP4DU是一款精密角接触球轴承,属于超高精密轴承类别。其基本尺寸为内径65毫米、外径90毫米、厚度32毫米。该轴承采用陶瓷小球材料,具备轻量化、高刚性和耐腐蚀特性,能有效降低高速运转时的离心力,提升动态性能。密封结构设计有助于在污染环境中维持润滑稳定性,减少维护需求。
此类轴承适用于中等载荷和高转速工况,常见于精密机床主轴、电主轴及高速驱动系统等场景。优化设计的接触角提供了良好的轴向和径向载荷承受能力,同时保持运转平稳性。材料与结构的配合使轴承在长期使用中表现出可靠的精度保持性。
在实际应用中,需根据具体工况匹配预紧力和润滑条件,以充分发挥其性能潜力。该型号轴承的设计平衡了精度要求与使用寿命,为精密传动系统提供了可行的解决方案。
H
C
S
7
2
9
1
3
E
T
P
4
D
U
H:高转速
C:陶瓷球
S:密封型
7:精密角接触球轴承
2:宽度系列:宽型 2 系列
9:直径系列:超轻 19 系列
13:内径:65 mm
E:接触角 25°
T:尼龙保持架
P4:P4 级精度
DU:双列万能配对
H:
高转速
C:
陶瓷球
S:
密封型
7:
精密角接触球轴承
2:
宽度系列:宽型 2 系列
9:
直径系列:超轻 19 系列
13:
内径:65 mm
E:
接触角 25°
T:
尼龙保持架
P4:
P4 级精度
DU:
双列万能配对
公称型号 | ||
高速陶瓷球密封型 | HCS72913ETP4DU | |
主要尺寸(mm) | ||
内径 | d | 65 |
外径 | D | 90 |
厚度(单列) | B | 16 |
厚度(多列) | T | 32 |
倒角尺寸 | r(min) | 1 |
倒角尺寸 | r1(min) | 0.6 |
额定载荷(KN) | ||
基本额定动载荷 | Cr | 29 |
基本额定静载荷 | C0r | 24.2 |
极限载荷(KN) | ||
轴向-单个 | 14.9 | |
接触角 | ||
度 | ° | 25 |
系数 | ||
fo | - | |
作用点(mm) | ||
a | 26.1 | |
限制速度(rpm) | ||
脂润滑 | Grease | 20700 |
油润滑 | Oil | - |
安装尺寸(mm) | ||
da(min) | 71 | |
Da(max) | 84 | |
Db(max) | 85 | |
ra(max) | 1 | |
rb(max) | 0.5 | |
预紧力(N)-DU/DB/DF | ||
微预紧 | EL | 49 |
轻预紧 | L | 324 |
中预紧 | M | 683 |
重预紧 | H | - |
轴承刚度(N/μm)-DU/DB/DF | ||
微预紧 | EL | 93 |
轻预紧 | L | 177 |
中预紧 | M | 232 |
重预紧 | H | - |
测量轴向游隙(μm) | ||
微预紧 | EL | 0 |
轻预紧 | L | -8 |
中预紧 | M | -15 |
重预紧 | H | - |
轴承组合 | ||
方式 | 万能 | |
列数 | 2 | |
重量(Kg) | ||
0.446 |

商品 | 品牌 | 主要尺寸 | 发货仓 | 产地 | 库存 | 含税单价 | VIP价 | 操作 |