产品分类
- 深沟球轴承
- 角接触球轴承
- 超高精密轴承
- 精密角接触球轴承
- 标准型
- 标准密封型-S
- 陶瓷球标准型-C
- 陶瓷球密封型-CS
- 高速小球型-HS
- 小球密封型-HSS
- 陶瓷小球型-HC
- 陶瓷小球密封型-HCS
- 超高速陶瓷球型-XC
- 超高速陶瓷球密封型-XCS
- 超高速小球型-XS
- 超高速小球密封型-XSS
- 油气润滑-标准钢球型
- 油气润滑-标准陶瓷球型
- 油气润滑-高速小球型
- 油气润滑-高速陶瓷球型
- 油气润滑-超高速小球型
- 油气润滑-超高速陶瓷球型
- 精密丝杠轴承
- 精密圆柱滚子轴承
- 调心球轴承
- 推力轴承
- 圆柱滚子轴承
- 圆锥滚子轴承
- 调心滚子轴承
- 交叉滚子轴承
- 超薄截面轴承
- 滚针轴承
- 滚轮轴承
- 关节轴承
- 直线运动
- 轴承附件

HCS72009FTP4DU轴承
类型:【超高精密轴承 - 精密角接触球轴承】
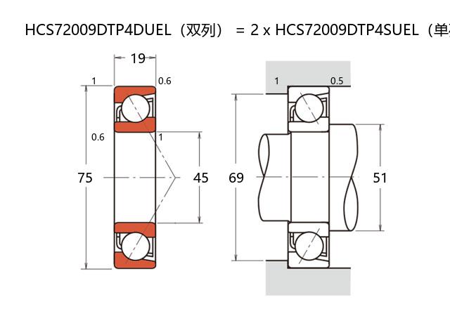
基本尺寸:内径:45 mm,外径:75 mm,厚度:38 mm。
价格区间:¥0 - ¥0【详情】
前缀列表:【H:高转速】【C:陶瓷球】【S:密封型】后缀列表:【F:接触角 18°】【T:尼龙保持架】【P4:P4 级精度】【DU:双列万能配对】
HCS72009FTP4DU是一款精密角接触球轴承,属于超高精密轴承类别。该型号采用陶瓷小球密封型设计,基本尺寸为内径45毫米、外径75毫米、厚度16毫米。其结构结合了角接触球轴承的高刚性和陶瓷材料的轻量化特性,有助于在高速运转条件下降低离心力影响,提升动态性能。
该类轴承通常适用于高转速、高精度要求的应用场景,例如精密机床主轴或高速电主轴系统。密封结构的设计提供了良好的防尘与润滑保持能力,有助于延长使用寿命并维持稳定运行。轴承内部填充的特殊润滑剂能够适应较宽的工作温度范围,同时陶瓷球材料的使用可减少电气腐蚀风险。
在安装时需注意预紧力的调整,以确保轴向刚性与运动精度的平衡。维护过程中应定期检查密封状态,并根据实际工况适时补充润滑。这类轴承的设计注重在复杂负载条件下保持精度,但其具体性能表现仍取决于整体系统的配合与使用环境。
H
C
S
7
2
0
0
9
F
T
P
4
D
U
H:高转速
C:陶瓷球
S:密封型
7:精密角接触球轴承
2:宽度系列:宽型 2 系列
0:直径系列:超轻 10 系列
09:内径:45 mm
F:接触角 18°
T:尼龙保持架
P4:P4 级精度
DU:双列万能配对
H:
高转速
C:
陶瓷球
S:
密封型
7:
精密角接触球轴承
2:
宽度系列:宽型 2 系列
0:
直径系列:超轻 10 系列
09:
内径:45 mm
F:
接触角 18°
T:
尼龙保持架
P4:
P4 级精度
DU:
双列万能配对
公称型号 | ||
高速陶瓷球密封型 | HCS72009FTP4DU | |
主要尺寸(mm) | ||
内径 | d | 45 |
外径 | D | 75 |
厚度(单列) | B | 19 |
厚度(多列) | T | 38 |
倒角尺寸 | r(min) | 1 |
倒角尺寸 | r1(min) | 0.6 |
额定载荷(KN) | ||
基本额定动载荷 | Cr | 23.4 |
基本额定静载荷 | C0r | 17.2 |
极限载荷(KN) | ||
轴向-单个 | 8.35 | |
接触角 | ||
度 | ° | 18 |
系数 | ||
fo | 10.6 | |
作用点(mm) | ||
a | 19.1 | |
限制速度(rpm) | ||
脂润滑 | Grease | 30000 |
油润滑 | Oil | - |
安装尺寸(mm) | ||
da(min) | 51 | |
Da(max) | 69 | |
Db(max) | 70 | |
ra(max) | 1 | |
rb(max) | 0.5 | |
预紧力(N)-DU/DB/DF | ||
微预紧 | EL | 49 |
轻预紧 | L | 123 |
中预紧 | M | 242 |
重预紧 | H | - |
轴承刚度(N/μm)-DU/DB/DF | ||
微预紧 | EL | 50 |
轻预紧 | L | 69 |
中预紧 | M | 89 |
重预紧 | H | - |
测量轴向游隙(μm) | ||
微预紧 | EL | 0 |
轻预紧 | L | -5 |
中预紧 | M | -11 |
重预紧 | H | - |
轴承组合 | ||
方式 | 万能 | |
列数 | 2 | |
重量(Kg) | ||
0.582 |

商品 | 品牌 | 主要尺寸 | 发货仓 | 产地 | 库存 | 含税单价 | VIP价 | 操作 |