产品分类
- 深沟球轴承
- 角接触球轴承
- 超高精密轴承
- 精密角接触球轴承
- 标准型
- 标准密封型-S
- 陶瓷球标准型-C
- 陶瓷球密封型-CS
- 高速小球型-HS
- 小球密封型-HSS
- 陶瓷小球型-HC
- 陶瓷小球密封型-HCS
- 超高速陶瓷球型-XC
- 超高速陶瓷球密封型-XCS
- 超高速小球型-XS
- 超高速小球密封型-XSS
- 油气润滑-标准钢球型
- 油气润滑-标准陶瓷球型
- 油气润滑-高速小球型
- 油气润滑-高速陶瓷球型
- 油气润滑-超高速小球型
- 油气润滑-超高速陶瓷球型
- 精密丝杠轴承
- 精密圆柱滚子轴承
- 调心球轴承
- 推力轴承
- 圆柱滚子轴承
- 圆锥滚子轴承
- 调心滚子轴承
- 交叉滚子轴承
- 超薄截面轴承
- 滚针轴承
- 滚轮轴承
- 关节轴承
- 直线运动
- 轴承附件

HCS7012FTP4DU轴承
类型:【超高精密轴承 - 精密角接触球轴承】
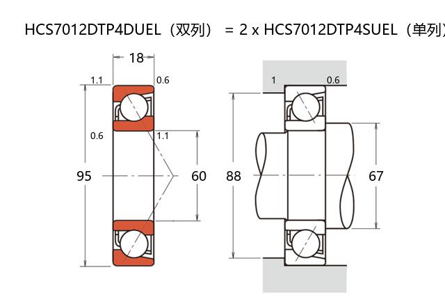
基本尺寸:内径:60 mm,外径:95 mm,厚度:36 mm。
价格区间:¥ - ¥4189.06【详情】
前缀列表:【H:高转速】【C:陶瓷球】【S:密封型】后缀列表:【F:接触角 18°】【T:尼龙保持架】【P4:P4 级精度】【DU:双列万能配对】
HCS7012FTP4DU属于超高精密角接触球轴承系列,采用内径60mm、外径95mm及厚度36mm的紧凑设计,适用于空间受限的高精度旋转场景。其内外圈与滚动体选用氮化硅陶瓷材料,兼顾轻量化与高刚性,可有效降低高速运转时的离心力影响,同时提升抗磨损与耐腐蚀性能。集成式非接触密封结构在阻挡污染物侵入的同时控制润滑脂泄漏,有助于维持长期稳定的运行状态。
该型号采用精密配对的聚醚醚酮保持架,优化了高速工况下的引导稳定性。15°接触角设计使轴承在承受径向载荷时具备适度的轴向支撑能力,常见于电主轴、高速机床主轴及测量仪器等精密传动系统。通过预载荷调整与油脂润滑配置,能够适应不同工况下的刚度与温升平衡需求,在持续高速运转中保持较低的振动与噪声水平。
H
C
S
7
0
1
2
F
T
P
4
D
U
H:高转速
C:陶瓷球
S:密封型
7:精密角接触球轴承
0:尺寸系列:超轻 10 系列
12:内径:60 mm
F:接触角 18°
T:尼龙保持架
P4:P4 级精度
DU:双列万能配对
H:
高转速
C:
陶瓷球
S:
密封型
7:
精密角接触球轴承
0:
尺寸系列:超轻 10 系列
12:
内径:60 mm
F:
接触角 18°
T:
尼龙保持架
P4:
P4 级精度
DU:
双列万能配对
公称型号 | ||
高速陶瓷球密封型 | HCS7012FTP4DU | |
主要尺寸(mm) | ||
内径 | d | 60 |
外径 | D | 95 |
厚度(单列) | B | 18 |
厚度(多列) | T | 36 |
倒角尺寸 | r(min) | 1.1 |
倒角尺寸 | r1(min) | 0.6 |
额定载荷(KN) | ||
基本额定动载荷 | Cr | 31.2 |
基本额定静载荷 | C0r | 26.2 |
极限载荷(KN) | ||
轴向-单个 | 12.8 | |
接触角 | ||
度 | ° | 18 |
系数 | ||
fo | 10.8 | |
作用点(mm) | ||
a | 21.5 | |
限制速度(rpm) | ||
脂润滑 | Grease | 23300 |
油润滑 | Oil | - |
安装尺寸(mm) | ||
da(min) | 67 | |
Da(max) | 88 | |
Db(max) | 90 | |
ra(max) | 1 | |
rb(max) | 0.6 | |
预紧力(N)-DU/DB/DF | ||
微预紧 | EL | 49 |
轻预紧 | L | 136 |
中预紧 | M | 393 |
重预紧 | H | - |
轴承刚度(N/μm)-DU/DB/DF | ||
微预紧 | EL | 57 |
轻预紧 | L | 82 |
中预紧 | M | 123 |
重预紧 | H | - |
测量轴向游隙(μm) | ||
微预紧 | EL | 0 |
轻预紧 | L | -5 |
中预紧 | M | -15 |
重预紧 | H | - |
轴承组合 | ||
方式 | 万能 | |
列数 | 2 | |
重量(Kg) | ||
0.838 |

商品 | 品牌 | 主要尺寸 | 发货仓 | 产地 | 库存 | 含税单价 | VIP价 | 操作 |
NSK 60BNR10HTSRV1VDP4轴承 |
NSK | 0 | ¥0 | |||||
SKF S7012 FE/HCP4ADGAVG275轴承 超精密角接触球轴承E设计 |
SKF | 60 X 95 X 36 | 华东 | 意大利 | 8 | 4189.06 | ¥3550.05 | |
NSK 60BNR10HTSRV1VDUEL01轴承 陶瓷小球密封型精密角接触球轴承 |
NSK | 60 X 95 X 36 | 华东 | 日本 | 64 | 2193.11 | ¥1713.37 | |
NSK 60BNR10HTSRV1VDUEL01轴承 陶瓷小球密封型精密角接触球轴承 |
NSK | 60 X 95 X 36 | 华东 | 日本 | 30 | 2112.98 | ¥1704.02 | |
NSK 60BNR10HTSRV1VDUEL01轴承 陶瓷小球密封型精密角接触球轴承 |
NSK | 60 X 95 X 36 | 华东 | 日本 | 64 | 2193.11 | ¥1713.37 | |
篇幅有限,仅显示五条,更多可点击:搜索,或者:深度搜索 |