产品分类
- 深沟球轴承
- 角接触球轴承
- 超高精密轴承
- 精密角接触球轴承
- 标准型
- 标准密封型-S
- 陶瓷球标准型-C
- 陶瓷球密封型-CS
- 高速小球型-HS
- 小球密封型-HSS
- 陶瓷小球型-HC
- 陶瓷小球密封型-HCS
- 超高速陶瓷球型-XC
- 超高速陶瓷球密封型-XCS
- 超高速小球型-XS
- 超高速小球密封型-XSS
- 油气润滑-标准钢球型
- 油气润滑-标准陶瓷球型
- 油气润滑-高速小球型
- 油气润滑-高速陶瓷球型
- 油气润滑-超高速小球型
- 油气润滑-超高速陶瓷球型
- 精密丝杠轴承
- 精密圆柱滚子轴承
- 调心球轴承
- 推力轴承
- 圆柱滚子轴承
- 圆锥滚子轴承
- 调心滚子轴承
- 交叉滚子轴承
- 超薄截面轴承
- 滚针轴承
- 滚轮轴承
- 关节轴承
- 直线运动
- 轴承附件

HCS7011FTP4DU轴承
类型:【超高精密轴承 - 精密角接触球轴承】
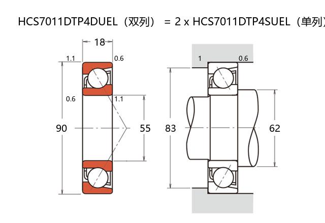
基本尺寸:内径:55 mm,外径:90 mm,厚度:36 mm。
价格区间:¥ - ¥1903.9【详情】
前缀列表:【H:高转速】【C:陶瓷球】【S:密封型】后缀列表:【F:接触角 18°】【T:尼龙保持架】【P4:P4 级精度】【DU:双列万能配对】
HCS7011FTP4DU属于超高精密角接触球轴承系列,采用陶瓷小球及密封结构设计。其基本尺寸为内径55毫米、外径90毫米、厚度36毫米,符合常见公制标准。
该轴承内外圈及滚动体选用高性能材料,其中陶瓷小球具备低密度、高刚度特性,有助于降低高速运转时的离心力,延长使用寿命。密封结构可有效阻挡污染物侵入,维持内部润滑稳定性。在预载荷与游隙调整方面,经过针对性优化,能够适应复杂工况下的轴向与径向复合载荷。
此类轴承常见于高转速主轴系统、精密仪器及高刚性支撑结构,例如数控机床主轴、医疗设备旋转模块等场景。其设计平衡了动态性能与运行精度,对振动噪声控制与温升管理具有积极作用。实际应用中需配合适宜的润滑方案与安装工艺,以充分发挥其技术特点。
H
C
S
7
0
1
1
F
T
P
4
D
U
H:高转速
C:陶瓷球
S:密封型
7:精密角接触球轴承
0:尺寸系列:超轻 10 系列
11:内径:55 mm
F:接触角 18°
T:尼龙保持架
P4:P4 级精度
DU:双列万能配对
H:
高转速
C:
陶瓷球
S:
密封型
7:
精密角接触球轴承
0:
尺寸系列:超轻 10 系列
11:
内径:55 mm
F:
接触角 18°
T:
尼龙保持架
P4:
P4 级精度
DU:
双列万能配对
公称型号 | ||
高速陶瓷球密封型 | HCS7011FTP4DU | |
主要尺寸(mm) | ||
内径 | d | 55 |
外径 | D | 90 |
厚度(单列) | B | 18 |
厚度(多列) | T | 36 |
倒角尺寸 | r(min) | 1.1 |
倒角尺寸 | r1(min) | 0.6 |
额定载荷(KN) | ||
基本额定动载荷 | Cr | 30.2 |
基本额定静载荷 | C0r | 24 |
极限载荷(KN) | ||
轴向-单个 | 11.7 | |
接触角 | ||
度 | ° | 18 |
系数 | ||
fo | 10.8 | |
作用点(mm) | ||
a | 20.6 | |
限制速度(rpm) | ||
脂润滑 | Grease | 24900 |
油润滑 | Oil | - |
安装尺寸(mm) | ||
da(min) | 62 | |
Da(max) | 83 | |
Db(max) | 85 | |
ra(max) | 1 | |
rb(max) | 0.6 | |
预紧力(N)-DU/DB/DF | ||
微预紧 | EL | 49 |
轻预紧 | L | 131 |
中预紧 | M | 343 |
重预紧 | H | - |
轴承刚度(N/μm)-DU/DB/DF | ||
微预紧 | EL | 54 |
轻预紧 | L | 77 |
中预紧 | M | 111 |
重预紧 | H | - |
测量轴向游隙(μm) | ||
微预紧 | EL | 0 |
轻预紧 | L | -5 |
中预紧 | M | -14 |
重预紧 | H | - |
轴承组合 | ||
方式 | 万能 | |
列数 | 2 | |
重量(Kg) | ||
0.786 |

商品 | 品牌 | 主要尺寸 | 发货仓 | 产地 | 库存 | 含税单价 | VIP价 | 操作 |
NSK 55BNR10HTSRV1VDP4轴承 |
NSK | 0 | ¥0 | |||||
NSK 55BNR10HTSRV1VDUEL01轴承 陶瓷小球密封型精密角接触球轴承 |
NSK | 55 X 90 X 36 | 华东 | 日本 | 55 | 1903.9 | ¥1523.12 | |
NSK 55BNR10HTSRV1VDUEL01轴承 陶瓷小球密封型精密角接触球轴承 |
NSK | 55 X 90 X 36 | 华东 | 日本 | 7 | 1739.1 | ¥1566.76 | |
NSK 55BNR10HTSRV1VDUEL01轴承 陶瓷小球密封型精密角接触球轴承 |
NSK | 55 X 90 X 36 | 华东 | 日本 | 55 | 1675.43 | ¥1523.12 | |