产品分类
- 深沟球轴承
- 角接触球轴承
- 超高精密轴承
- 精密角接触球轴承
- 标准型
- 标准密封型-S
- 陶瓷球标准型-C
- 陶瓷球密封型-CS
- 高速小球型-HS
- 小球密封型-HSS
- 陶瓷小球型-HC
- 陶瓷小球密封型-HCS
- 超高速陶瓷球型-XC
- 超高速陶瓷球密封型-XCS
- 超高速小球型-XS
- 超高速小球密封型-XSS
- 油气润滑-标准钢球型
- 油气润滑-标准陶瓷球型
- 油气润滑-高速小球型
- 油气润滑-高速陶瓷球型
- 油气润滑-超高速小球型
- 油气润滑-超高速陶瓷球型
- 精密丝杠轴承
- 精密圆柱滚子轴承
- 调心球轴承
- 推力轴承
- 圆柱滚子轴承
- 圆锥滚子轴承
- 调心滚子轴承
- 交叉滚子轴承
- 超薄截面轴承
- 滚针轴承
- 滚轮轴承
- 关节轴承
- 直线运动
- 轴承附件

HCS7009ETP4DU轴承
类型:【超高精密轴承 - 精密角接触球轴承】
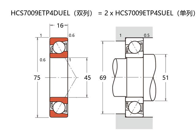
基本尺寸:内径:45 mm,外径:75 mm,厚度:32 mm。
价格区间:¥1697.85 - ¥2037.42【详情】
前缀列表:【H:高转速】【C:陶瓷球】【S:密封型】后缀列表:【E:接触角 25°】【T:尼龙保持架】【P4:P4 级精度】【DU:双列万能配对】
HCS7009ETP4DU是一款符合高精度机械应用要求的角接触球轴承。其内径为45毫米,外径75毫米,厚度32毫米。采用陶瓷小球材质,这种材料具有较低的密度和优异的刚性,有助于减少高速运转时的离心力,提升转速潜力并降低运转温升。结合特殊的密封设计,能够在复杂工况下有效控制污染物侵入,延长使用寿命。
该轴承结构兼顾了径向与轴向负荷能力,适合需要较高刚性和运行精度的安装位置。在合理的润滑与对中条件下,其运行平稳性表现良好,可适用于多种中高转速场景。通过适当预紧和配合,有助于提升系统整体刚性,满足设备对微小位移与振动控制的要求。
由于采用精密制造工艺与材料优化,此类轴承在多类高要求旋转系统中均有应用潜力,为用户在精度维持与效率平衡方面提供了可靠选择。使用过程中需注意配合零件的精度及安装方式,以充分发挥其性能特点。
H
C
S
7
0
0
9
E
T
P
4
D
U
H:高转速
C:陶瓷球
S:密封型
7:精密角接触球轴承
0:尺寸系列:超轻 10 系列
09:内径:45 mm
E:接触角 25°
T:尼龙保持架
P4:P4 级精度
DU:双列万能配对
H:
高转速
C:
陶瓷球
S:
密封型
7:
精密角接触球轴承
0:
尺寸系列:超轻 10 系列
09:
内径:45 mm
E:
接触角 25°
T:
尼龙保持架
P4:
P4 级精度
DU:
双列万能配对
公称型号 | ||
高速陶瓷球密封型 | HCS7009ETP4DU | |
主要尺寸(mm) | ||
内径 | d | 45 |
外径 | D | 75 |
厚度(单列) | B | 16 |
厚度(多列) | T | 32 |
倒角尺寸 | r(min) | 1 |
倒角尺寸 | r1(min) | 0.6 |
额定载荷(KN) | ||
基本额定动载荷 | Cr | 22.4 |
基本额定静载荷 | C0r | 16.5 |
极限载荷(KN) | ||
轴向-单个 | 10.1 | |
接触角 | ||
度 | ° | 25 |
系数 | ||
fo | - | |
作用点(mm) | ||
a | 21.8 | |
限制速度(rpm) | ||
脂润滑 | Grease | 26700 |
油润滑 | Oil | - |
安装尺寸(mm) | ||
da(min) | 51 | |
Da(max) | 69 | |
Db(max) | 70 | |
ra(max) | 1 | |
rb(max) | 0.5 | |
预紧力(N)-DU/DB/DF | ||
微预紧 | EL | 49 |
轻预紧 | L | 285 |
中预紧 | M | 590 |
重预紧 | H | - |
轴承刚度(N/μm)-DU/DB/DF | ||
微预紧 | EL | 82 |
轻预紧 | L | 150 |
中预紧 | M | 197 |
重预紧 | H | - |
测量轴向游隙(μm) | ||
微预紧 | EL | 0 |
轻预紧 | L | -8 |
中预紧 | M | -15 |
重预紧 | H | - |
轴承组合 | ||
方式 | 万能 | |
列数 | 2 | |
重量(Kg) | ||
0.492 |

商品 | 品牌 | 主要尺寸 | 发货仓 | 产地 | 库存 | 含税单价 | VIP价 | 操作 |
FAG HCS7009-E-T-P4S-DUL轴承 超精密角接触球轴承 |
FAG | 45 X 75 X 32 | 华中 | 300 | 2037.42 | ¥1697.85 | ||