产品分类
- 深沟球轴承
- 角接触球轴承
- 超高精密轴承
- 精密角接触球轴承
- 标准型
- 标准密封型-S
- 陶瓷球标准型-C
- 陶瓷球密封型-CS
- 高速小球型-HS
- 小球密封型-HSS
- 陶瓷小球型-HC
- 陶瓷小球密封型-HCS
- 超高速陶瓷球型-XC
- 超高速陶瓷球密封型-XCS
- 超高速小球型-XS
- 超高速小球密封型-XSS
- 油气润滑-标准钢球型
- 油气润滑-标准陶瓷球型
- 油气润滑-高速小球型
- 油气润滑-高速陶瓷球型
- 油气润滑-超高速小球型
- 油气润滑-超高速陶瓷球型
- 精密丝杠轴承
- 精密圆柱滚子轴承
- 调心球轴承
- 推力轴承
- 圆柱滚子轴承
- 圆锥滚子轴承
- 调心滚子轴承
- 交叉滚子轴承
- 超薄截面轴承
- 滚针轴承
- 滚轮轴承
- 关节轴承
- 直线运动
- 轴承附件

HCS7009FTP4DU轴承
类型:【超高精密轴承 - 精密角接触球轴承】
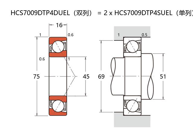
基本尺寸:内径:45 mm,外径:75 mm,厚度:32 mm。
价格区间:¥ - ¥2404.16【详情】
前缀列表:【H:高转速】【C:陶瓷球】【S:密封型】后缀列表:【F:接触角 18°】【T:尼龙保持架】【P4:P4 级精度】【DU:双列万能配对】
HCS7009FTP4DU是一款超高精密角接触球轴承,其结构设计主要面向高精度回转场景。该型号轴承内径为45毫米,外径75毫米,厚度32毫米,整体尺寸比例兼顾结构紧凑性与负载匹配需求。
作为精密角接触球轴承的衍生型号,该产品采用陶瓷小球作为滚动体。陶瓷材料在高速运转条件下能有效抑制温升,并减缓材料疲劳进程。接触角设计优化了轴向与径向载荷的分配比例,在复合受力状态下仍能维持稳定的回转精度。
密封结构在该系列轴承中具有防污染与润滑保持的双重功能。特殊设计的密封唇口在控制摩擦力矩的同时,有效阻隔外部微粒侵入。预填装的高性能润滑剂可延长维护周期,降低高速运行时的磨损风险。
此类轴承常见于精密机床主轴、高速电主轴及测量仪器等场景。其结构特点使其在中等转速范围内能保持较低的振动特性,同时满足精密设备对轴向刚度的特定要求。在安装时需注意配合公差与预紧力的合理配置,以充分发挥其性能潜力。
H
C
S
7
0
0
9
F
T
P
4
D
U
H:高转速
C:陶瓷球
S:密封型
7:精密角接触球轴承
0:尺寸系列:超轻 10 系列
09:内径:45 mm
F:接触角 18°
T:尼龙保持架
P4:P4 级精度
DU:双列万能配对
H:
高转速
C:
陶瓷球
S:
密封型
7:
精密角接触球轴承
0:
尺寸系列:超轻 10 系列
09:
内径:45 mm
F:
接触角 18°
T:
尼龙保持架
P4:
P4 级精度
DU:
双列万能配对
公称型号 | ||
高速陶瓷球密封型 | HCS7009FTP4DU | |
主要尺寸(mm) | ||
内径 | d | 45 |
外径 | D | 75 |
厚度(单列) | B | 16 |
厚度(多列) | T | 32 |
倒角尺寸 | r(min) | 1 |
倒角尺寸 | r1(min) | 0.6 |
额定载荷(KN) | ||
基本额定动载荷 | Cr | 23.4 |
基本额定静载荷 | C0r | 17.2 |
极限载荷(KN) | ||
轴向-单个 | 8.35 | |
接触角 | ||
度 | ° | 18 |
系数 | ||
fo | 10.6 | |
作用点(mm) | ||
a | 17.6 | |
限制速度(rpm) | ||
脂润滑 | Grease | 30000 |
油润滑 | Oil | - |
安装尺寸(mm) | ||
da(min) | 51 | |
Da(max) | 69 | |
Db(max) | 70 | |
ra(max) | 1 | |
rb(max) | 0.5 | |
预紧力(N)-DU/DB/DF | ||
微预紧 | EL | 49 |
轻预紧 | L | 123 |
中预紧 | M | 242 |
重预紧 | H | - |
轴承刚度(N/μm)-DU/DB/DF | ||
微预紧 | EL | 50 |
轻预紧 | L | 69 |
中预紧 | M | 89 |
重预紧 | H | - |
测量轴向游隙(μm) | ||
微预紧 | EL | 0 |
轻预紧 | L | -5 |
中预紧 | M | -11 |
重预紧 | H | - |
轴承组合 | ||
方式 | 万能 | |
列数 | 2 | |
重量(Kg) | ||
0.492 |

商品 | 品牌 | 主要尺寸 | 发货仓 | 产地 | 库存 | 含税单价 | VIP价 | 操作 |
NSK 45BNR10HTSRV1VDP4轴承 |
NSK | 0 | ¥0 | |||||
SKF S7009 FE/HCP4ADGAVG275轴承 超精密角接触球轴承E设计 |
SKF | 45 X 75 X 32 | 华东 | 意大利 | 12 | 2404.16 | ¥2037.42 | |
NSK 45BNR10HTSRV1VDUEL02轴承 陶瓷小球密封型精密角接触球轴承 |
NSK | 45 X 75 X 32 | 华东 | 日本 | 109 | 1436.2 | ¥1113.33 | |
NSK 45BNR10HTSRV1VDUEL02轴承 陶瓷小球密封型精密角接触球轴承 |
NSK | 45 X 75 X 32 | 华东 | 日本 | 4 | 1537.77 | ¥1337.19 | |
NSK 45BNR10HTSRV1VDUEL02轴承 陶瓷小球密封型精密角接触球轴承 |
NSK | 45 X 75 X 32 | 华东 | 日本 | 109 | 1291.46 | ¥1113.33 | |
篇幅有限,仅显示五条,更多可点击:搜索,或者:深度搜索 |