产品分类
- 深沟球轴承
- 角接触球轴承
- 超高精密轴承
- 精密角接触球轴承
- 标准型
- 标准密封型-S
- 陶瓷球标准型-C
- 陶瓷球密封型-CS
- 高速小球型-HS
- 小球密封型-HSS
- 陶瓷小球型-HC
- 陶瓷小球密封型-HCS
- 超高速陶瓷球型-XC
- 超高速陶瓷球密封型-XCS
- 超高速小球型-XS
- 超高速小球密封型-XSS
- 油气润滑-标准钢球型
- 油气润滑-标准陶瓷球型
- 油气润滑-高速小球型
- 油气润滑-高速陶瓷球型
- 油气润滑-超高速小球型
- 油气润滑-超高速陶瓷球型
- 精密丝杠轴承
- 精密圆柱滚子轴承
- 调心球轴承
- 推力轴承
- 圆柱滚子轴承
- 圆锥滚子轴承
- 调心滚子轴承
- 交叉滚子轴承
- 超薄截面轴承
- 滚针轴承
- 滚轮轴承
- 关节轴承
- 直线运动
- 轴承附件

HCS7008FTP4DU轴承
类型:【超高精密轴承 - 精密角接触球轴承】
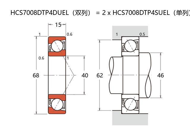
基本尺寸:内径:40 mm,外径:68 mm,厚度:30 mm。
价格区间:¥ - ¥1564.8【详情】
前缀列表:【H:高转速】【C:陶瓷球】【S:密封型】后缀列表:【F:接触角 18°】【T:尼龙保持架】【P4:P4 级精度】【DU:双列万能配对】
HCS7008FTP4DU型轴承属于超高精密角接触球轴承系列,采用陶瓷小球材质并配备密封结构。该型号内径为40毫米,外径68毫米,厚度30毫米,其尺寸设计符合标准公制规范。在材料选择上,滚动体使用陶瓷材质,这种配置有助于降低高速运转时的离心力效应,同时减少因温度变化引起的尺寸波动。
该轴承采用15度接触角设计,适用于需要承受复合载荷的工况。密封结构的加入增强了防尘效果,为内部润滑环境提供保护。在预紧力调节方面,该型号可通过配对安装实现不同的预紧等级,以适应多样的应用需求。
此类轴承常见于精密机床主轴、电主轴系统及高速旋转装置等领域。其结构特点有助于提升系统刚性,在高速运转场景下可保持较低的振动水平。由于采用特殊材料与密封技术,使轴承在长期使用过程中能维持较稳定的性能表现。用户需根据实际工况条件选择合适的安装方式与润滑方案。
H
C
S
7
0
0
8
F
T
P
4
D
U
H:高转速
C:陶瓷球
S:密封型
7:精密角接触球轴承
0:尺寸系列:超轻 10 系列
08:内径:40 mm
F:接触角 18°
T:尼龙保持架
P4:P4 级精度
DU:双列万能配对
H:
高转速
C:
陶瓷球
S:
密封型
7:
精密角接触球轴承
0:
尺寸系列:超轻 10 系列
08:
内径:40 mm
F:
接触角 18°
T:
尼龙保持架
P4:
P4 级精度
DU:
双列万能配对
公称型号 | ||
高速陶瓷球密封型 | HCS7008FTP4DU | |
主要尺寸(mm) | ||
内径 | d | 40 |
外径 | D | 68 |
厚度(单列) | B | 15 |
厚度(多列) | T | 30 |
倒角尺寸 | r(min) | 1 |
倒角尺寸 | r1(min) | 0.6 |
额定载荷(KN) | ||
基本额定动载荷 | Cr | 21.2 |
基本额定静载荷 | C0r | 15.2 |
极限载荷(KN) | ||
轴向-单个 | 7.5 | |
接触角 | ||
度 | ° | 18 |
系数 | ||
fo | 10.7 | |
作用点(mm) | ||
a | 16.2 | |
限制速度(rpm) | ||
脂润滑 | Grease | 33400 |
油润滑 | Oil | - |
安装尺寸(mm) | ||
da(min) | 46 | |
Da(max) | 62 | |
Db(max) | 63 | |
ra(max) | 1 | |
rb(max) | 0.5 | |
预紧力(N)-DU/DB/DF | ||
微预紧 | EL | 49 |
轻预紧 | L | 122 |
中预紧 | M | 240 |
重预紧 | H | - |
轴承刚度(N/μm)-DU/DB/DF | ||
微预紧 | EL | 49 |
轻预紧 | L | 68 |
中预紧 | M | 89 |
重预紧 | H | - |
测量轴向游隙(μm) | ||
微预紧 | EL | 0 |
轻预紧 | L | -5 |
中预紧 | M | -11 |
重预紧 | H | - |
轴承组合 | ||
方式 | 万能 | |
列数 | 2 | |
重量(Kg) | ||
0.386 |

商品 | 品牌 | 主要尺寸 | 发货仓 | 产地 | 库存 | 含税单价 | VIP价 | 操作 |
NSK 40BNR10HTSRV1VDP4轴承 |
NSK | 0 | ¥0 | |||||
SKF S7008 FE/HCP4DGAVG275轴承 超精密角接触球轴承E设计 |
SKF | 40 X 68 X 30 | 华东 | 意大利 | 90 | 1564.8 | ¥1409.73 | |
NSK 40BNR10HTSRV1VDUEL02轴承 陶瓷小球密封型精密角接触球轴承 |
NSK | 40 X 68 X 30 | 华东 | 日本 | 677 | 1262.44 | ¥1079.01 | |
NSK 40BNR10HTSRV1VDUEL02轴承 陶瓷小球密封型精密角接触球轴承 |
NSK | 40 X 68 X 30 | 华东 | 日本 | 5 | 1320.89 | ¥1109.99 | |
NSK 40BNR10HTSRV1VDUEL02轴承 陶瓷小球密封型精密角接触球轴承 |
NSK | 40 X 68 X 30 | 华东 | 日本 | 677 | 1240.86 | ¥1079.01 | |
篇幅有限,仅显示五条,更多可点击:搜索,或者:深度搜索 |