产品分类
- 深沟球轴承
- 角接触球轴承
- 超高精密轴承
- 精密角接触球轴承
- 标准型
- 标准密封型-S
- 陶瓷球标准型-C
- 陶瓷球密封型-CS
- 高速小球型-HS
- 小球密封型-HSS
- 陶瓷小球型-HC
- 陶瓷小球密封型-HCS
- 超高速陶瓷球型-XC
- 超高速陶瓷球密封型-XCS
- 超高速小球型-XS
- 超高速小球密封型-XSS
- 油气润滑-标准钢球型
- 油气润滑-标准陶瓷球型
- 油气润滑-高速小球型
- 油气润滑-高速陶瓷球型
- 油气润滑-超高速小球型
- 油气润滑-超高速陶瓷球型
- 精密丝杠轴承
- 精密圆柱滚子轴承
- 调心球轴承
- 推力轴承
- 圆柱滚子轴承
- 圆锥滚子轴承
- 调心滚子轴承
- 交叉滚子轴承
- 超薄截面轴承
- 滚针轴承
- 滚轮轴承
- 关节轴承
- 直线运动
- 轴承附件

HCS7000CTP4DU轴承
类型:【超高精密轴承 - 精密角接触球轴承】
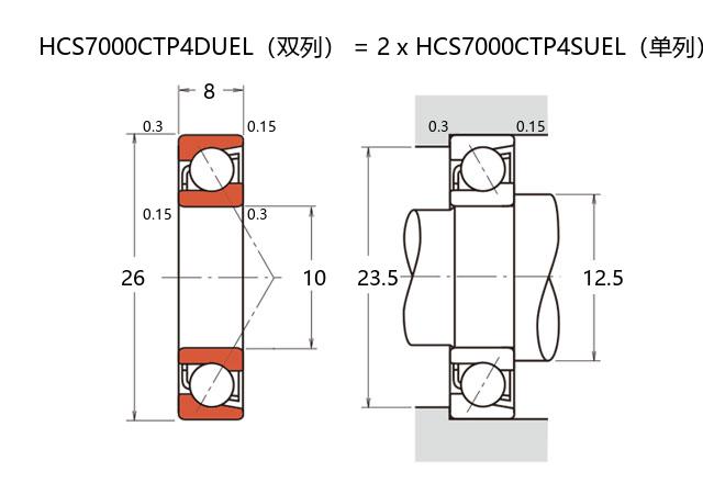
基本尺寸:内径:10 mm,外径:26 mm,厚度:16 mm。
价格区间:¥0 - ¥0【详情】
前缀列表:【H:高转速】【C:陶瓷球】【S:密封型】后缀列表:【C:接触角 15°】【T:尼龙保持架】【P4:P4 级精度】【DU:双列万能配对】
HCS7000CTP4DU属于超高精密角接触球轴承系列,采用陶瓷小球和特殊密封结构设计。其内径为10毫米,外径26毫米,厚度16毫米,结构紧凑且具备优异的刚性表现。
该轴承选用氮化硅陶瓷作为滚动体材料,相较于传统钢球可减少高速运转时的离心力效应,同时降低动态摩擦损耗。特殊接触角设计与预紧力调整机制使其在轴向和径向载荷条件下均能保持稳定的运行精度。密封系统在防止润滑剂流失的同时有效阻隔外部污染物侵入,延长了轴承在严苛工况下的使用寿命。
此类轴承适用于高转速、低扭矩要求的应用场景,常见于精密机床主轴、测量仪器旋转单元及高速电主轴等设备。通过优化材料组合与结构细节,在维持尺寸稳定性的基础上实现了振动噪声控制与温升管理的平衡,为精密传动系统提供了可靠支撑。
H
C
S
7
0
0
0
C
T
P
4
D
U
H:高转速
C:陶瓷球
S:密封型
7:精密角接触球轴承
0:尺寸系列:超轻 10 系列
00:内径:10 mm
C:接触角 15°
T:尼龙保持架
P4:P4 级精度
DU:双列万能配对
H:
高转速
C:
陶瓷球
S:
密封型
7:
精密角接触球轴承
0:
尺寸系列:超轻 10 系列
00:
内径:10 mm
C:
接触角 15°
T:
尼龙保持架
P4:
P4 级精度
DU:
双列万能配对
公称型号 | ||
高速陶瓷球密封型 | HCS7000CTP4DU | |
主要尺寸(mm) | ||
内径 | d | 10 |
外径 | D | 26 |
厚度(单列) | B | 8 |
厚度(多列) | T | 16 |
倒角尺寸 | r(min) | 0.3 |
倒角尺寸 | r1(min) | 0.15 |
额定载荷(KN) | ||
基本额定动载荷 | Cr | 6 |
基本额定静载荷 | C0r | 2.26 |
极限载荷(KN) | ||
轴向-单个 | 0.94 | |
接触角 | ||
度 | ° | 15 |
系数 | ||
fo | 7.1 | |
作用点(mm) | ||
a | 6.4 | |
限制速度(rpm) | ||
脂润滑 | Grease | 106000 |
油润滑 | Oil | - |
安装尺寸(mm) | ||
da(min) | 12.5 | |
Da(max) | 23.5 | |
Db(max) | 24.8 | |
ra(max) | 0.3 | |
rb(max) | 0.15 | |
预紧力(N)-DU/DB/DF | ||
微预紧 | EL | 7.1 |
轻预紧 | L | 17 |
中预紧 | M | 39 |
重预紧 | H | - |
轴承刚度(N/μm)-DU/DB/DF | ||
微预紧 | EL | 11 |
轻预紧 | L | 15 |
中预紧 | M | 21 |
重预紧 | H | - |
测量轴向游隙(μm) | ||
微预紧 | EL | 5 |
轻预紧 | L | 2 |
中预紧 | M | -3 |
重预紧 | H | - |
轴承组合 | ||
方式 | 万能 | |
列数 | 2 | |
重量(Kg) | ||
0.038 |

商品 | 品牌 | 主要尺寸 | 发货仓 | 产地 | 库存 | 含税单价 | VIP价 | 操作 |