产品分类
- 深沟球轴承
- 角接触球轴承
- 超高精密轴承
- 精密角接触球轴承
- 标准型
- 标准密封型-S
- 陶瓷球标准型-C
- 陶瓷球密封型-CS
- 高速小球型-HS
- 小球密封型-HSS
- 陶瓷小球型-HC
- 陶瓷小球密封型-HCS
- 超高速陶瓷球型-XC
- 超高速陶瓷球密封型-XCS
- 超高速小球型-XS
- 超高速小球密封型-XSS
- 油气润滑-标准钢球型
- 油气润滑-标准陶瓷球型
- 油气润滑-高速小球型
- 油气润滑-高速陶瓷球型
- 油气润滑-超高速小球型
- 油气润滑-超高速陶瓷球型
- 精密丝杠轴承
- 精密圆柱滚子轴承
- 调心球轴承
- 推力轴承
- 圆柱滚子轴承
- 圆锥滚子轴承
- 调心滚子轴承
- 交叉滚子轴承
- 超薄截面轴承
- 滚针轴承
- 滚轮轴承
- 关节轴承
- 直线运动
- 轴承附件

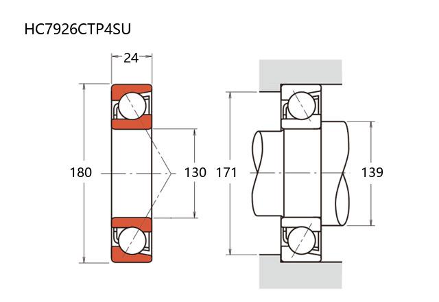
HC7926CTP4SU轴承
类型:【超高精密轴承 - 精密角接触球轴承】
基本尺寸:内径:130 mm,外径:180 mm,厚度:24 mm。
价格区间:¥6375.38 - ¥7714.21【详情】
前缀列表:【H:高转速】【C:陶瓷球型】后缀列表:【C:接触角 15°】【T:树脂保持架】【P4:ISO 4级精度】【SU:单列万能配对】
H
C
7
9
2
6
C
T
P
4
S
U
H:高转速
C:陶瓷球型
7:精密角接触球轴承
9:尺寸系列:超轻 19 系列
26:内径:130 mm
C:接触角 15°
T:树脂保持架
P4:ISO 4级精度
SU:单列万能配对
H:
高转速
C:
陶瓷球型
7:
精密角接触球轴承
9:
尺寸系列:超轻 19 系列
26:
内径:130 mm
C:
接触角 15°
T:
树脂保持架
P4:
ISO 4级精度
SU:
单列万能配对
公称型号 | ||
高速陶瓷球型 | HC7926CTP4SU | |
主要尺寸(mm) | ||
内径 | d | 130 |
外径 | D | 180 |
厚度(单列) | B | 24 |
厚度(多列) | T | - |
倒角尺寸 | r(min) | 1.5 |
倒角尺寸 | r1(min) | 1 |
额定载荷(KN) | ||
基本额定动载荷 | Cr | 59.5 |
基本额定静载荷 | C0r | 58.5 |
极限载荷(KN) | ||
轴向-单个 | 85 | |
接触角 | ||
度 | ° | 15 |
系数 | ||
fo | 10.9 | |
作用点(mm) | ||
a | 32.8 | |
限制速度(rpm) | ||
脂润滑 | Grease | 11700 |
油润滑 | Oil | 18100 |
安装尺寸(mm) | ||
da(min) | 139 | |
Da(max) | 171 | |
Db(max) | 174 | |
ra(max) | 1.5 | |
rb(max) | 0.8 | |
预紧力(N)-DU/DB/DF | ||
微预紧 | EL | 98 |
轻预紧 | L | 813 |
中预紧 | M | 1635 |
重预紧 | H | - |
轴承刚度(N/μm)-DU/DB/DF | ||
微预紧 | EL | 89 |
轻预紧 | L | 189 |
中预紧 | M | 248 |
重预紧 | H | - |
测量轴向游隙(μm) | ||
微预紧 | EL | 0 |
轻预紧 | L | -20 |
中预紧 | M | -35 |
重预紧 | H | - |
轴承组合 | ||
方式 | 万能 | |
列数 | 1 | |
重量(Kg) | ||
1.27 |

商品 | 品牌 | 主要尺寸 | 发货仓 | 产地 | 库存 | 含税单价 | VIP价 | 操作 |
FAG HC71926-C-T-P4S-UL#E轴承 超精密角接触球轴承 |
FAG | 130 X 180 X 24 | 华南 | 原产地 | 1 | 7714.21 | ¥6375.38 | |