产品分类
- 深沟球轴承
- 角接触球轴承
- 超高精密轴承
- 精密角接触球轴承
- 标准型
- 标准密封型-S
- 陶瓷球标准型-C
- 陶瓷球密封型-CS
- 高速小球型-HS
- 小球密封型-HSS
- 陶瓷小球型-HC
- 陶瓷小球密封型-HCS
- 超高速陶瓷球型-XC
- 超高速陶瓷球密封型-XCS
- 超高速小球型-XS
- 超高速小球密封型-XSS
- 油气润滑-标准钢球型
- 油气润滑-标准陶瓷球型
- 油气润滑-高速小球型
- 油气润滑-高速陶瓷球型
- 油气润滑-超高速小球型
- 油气润滑-超高速陶瓷球型
- 精密丝杠轴承
- 精密圆柱滚子轴承
- 调心球轴承
- 推力轴承
- 圆柱滚子轴承
- 圆锥滚子轴承
- 调心滚子轴承
- 交叉滚子轴承
- 超薄截面轴承
- 滚针轴承
- 滚轮轴承
- 关节轴承
- 直线运动
- 轴承附件

HC7922FTP4DU轴承
类型:【超高精密轴承 - 精密角接触球轴承】
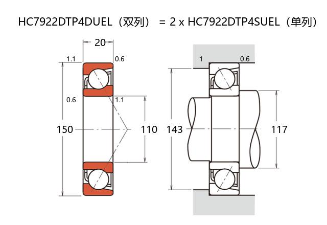
基本尺寸:内径:110 mm,外径:150 mm,厚度:40 mm。
价格区间:¥0 - ¥0【详情】
前缀列表:【H:高转速】【C:陶瓷球型】后缀列表:【F:18° 接触角】【T:树脂保持架】【P4:ISO 4级精度】【DU:两个万能组合】
HC7922FTP4DU是一款超高精密角接触球轴承,适用于需要高转速和高刚性的工作环境。其内径为110毫米,外径150毫米,厚度40毫米,结构紧凑且承载能力均衡。该轴承采用陶瓷小球设计,具有低密度、高硬度和耐腐蚀的特性,有助于减少离心力影响并抑制温升,从而在高速运转条件下保持稳定性。
通过优化接触角与滚道几何形状,该型号在承受径向和轴向联合载荷时表现出良好的精度一致性。特殊的热处理工艺和材料选择进一步提升了耐磨性与使用寿命。此外,其内部填充的专用润滑剂能够在较长维护周期内维持润滑效果,减少能耗损失。
此类轴承常见于精密机床主轴、高速电主轴及测量仪器等设备,满足对旋转精度和动态性能有严格要求的应用场景。整体设计注重平衡性能与可靠性,适合在多种复杂工况下使用。
H
C
7
9
2
2
F
T
P
4
D
U
H:高转速
C:陶瓷球型
7:精密角接触球轴承
9:尺寸系列:超轻 19 系列
22:内径:110 mm
F:18° 接触角
T:树脂保持架
P4:ISO 4级精度
DU:两个万能组合
H:
高转速
C:
陶瓷球型
7:
精密角接触球轴承
9:
尺寸系列:超轻 19 系列
22:
内径:110 mm
F:
18° 接触角
T:
树脂保持架
P4:
ISO 4级精度
DU:
两个万能组合
公称型号 | ||
高速陶瓷球型 | HC7922FTP4DU | |
主要尺寸(mm) | ||
内径 | d | 110 |
外径 | D | 150 |
厚度(单列) | B | 20 |
厚度(多列) | T | 40 |
倒角尺寸 | r(min) | 1.1 |
倒角尺寸 | r1(min) | 0.6 |
额定载荷(KN) | ||
基本额定动载荷 | Cr | 78 |
基本额定静载荷 | C0r | 73 |
极限载荷(KN) | ||
轴向-单个 | 36.5 | |
接触角 | ||
度 | ° | 18 |
系数 | ||
fo | 10.9 | |
作用点(mm) | ||
a | 31.1 | |
限制速度(rpm) | ||
脂润滑 | Grease | 13900 |
油润滑 | Oil | 21600 |
安装尺寸(mm) | ||
da(min) | 117 | |
Da(max) | 143 | |
Db(max) | 145 | |
ra(max) | 1 | |
rb(max) | 0.6 | |
预紧力(N)-DU/DB/DF | ||
微预紧 | EL | 98 |
轻预紧 | L | 450 |
中预紧 | M | 1064 |
重预紧 | H | - |
轴承刚度(N/μm)-DU/DB/DF | ||
微预紧 | EL | 85 |
轻预紧 | L | 146 |
中预紧 | M | 204 |
重预紧 | H | - |
测量轴向游隙(μm) | ||
微预紧 | EL | 0 |
轻预紧 | L | -12 |
中预紧 | M | -26 |
重预紧 | H | - |
轴承组合 | ||
方式 | 万能 | |
列数 | 2 | |
重量(Kg) | ||
1.4 |

商品 | 品牌 | 主要尺寸 | 发货仓 | 产地 | 库存 | 含税单价 | VIP价 | 操作 |