产品分类
- 深沟球轴承
- 角接触球轴承
- 超高精密轴承
- 精密角接触球轴承
- 标准型
- 标准密封型-S
- 陶瓷球标准型-C
- 陶瓷球密封型-CS
- 高速小球型-HS
- 小球密封型-HSS
- 陶瓷小球型-HC
- 陶瓷小球密封型-HCS
- 超高速陶瓷球型-XC
- 超高速陶瓷球密封型-XCS
- 超高速小球型-XS
- 超高速小球密封型-XSS
- 油气润滑-标准钢球型
- 油气润滑-标准陶瓷球型
- 油气润滑-高速小球型
- 油气润滑-高速陶瓷球型
- 油气润滑-超高速小球型
- 油气润滑-超高速陶瓷球型
- 精密丝杠轴承
- 精密圆柱滚子轴承
- 调心球轴承
- 推力轴承
- 圆柱滚子轴承
- 圆锥滚子轴承
- 调心滚子轴承
- 交叉滚子轴承
- 超薄截面轴承
- 滚针轴承
- 滚轮轴承
- 关节轴承
- 直线运动
- 轴承附件

HC7915CTP4DU轴承
类型:【超高精密轴承 - 精密角接触球轴承】
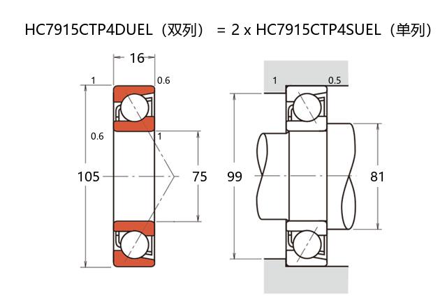
基本尺寸:内径:75 mm,外径:105 mm,厚度:32 mm。
价格区间:¥2572.5 - ¥3138.45【详情】
前缀列表:【H:高转速】【C:陶瓷球型】后缀列表:【C:接触角 15°】【T:树脂保持架】【P4:ISO 4级精度】【DU:两个万能组合】
HC7915CTP4DU属于超高精密角接触球轴承系列,采用陶瓷小球设计。其内径为75毫米,外径105毫米,厚度32毫米,结构紧凑且尺寸稳定。该型号轴承选用混合陶瓷材质,滚动体为氮化硅陶瓷,内外圈采用高品质钢制材料,具备低密度、高硬度和优良的耐腐蚀特性。
在工作过程中,该轴承能够减少高速运转时的离心力效应,降低摩擦热量,并有效抑制温升。其接触角设计优化了轴向与径向载荷的分配性能,适用于中高转速场景。由于材料特性,该型号对磁场的干扰不敏感,并能在润滑条件受限时保持一定的工作稳定性。
此类轴承常见于精密机床主轴、高速电主轴及测量仪器等设备,满足精密旋转机构对刚性与精度的需求。通过适当的预紧力和润滑管理,可进一步延长其使用寿命并维持运行平稳性。
H
C
7
9
1
5
C
T
P
4
D
U
H:高转速
C:陶瓷球型
7:精密角接触球轴承
9:尺寸系列:超轻 19 系列
15:内径:75 mm
C:接触角 15°
T:树脂保持架
P4:ISO 4级精度
DU:两个万能组合
H:
高转速
C:
陶瓷球型
7:
精密角接触球轴承
9:
尺寸系列:超轻 19 系列
15:
内径:75 mm
C:
接触角 15°
T:
树脂保持架
P4:
ISO 4级精度
DU:
两个万能组合
公称型号 | ||
高速陶瓷球型 | HC7915CTP4DU | |
主要尺寸(mm) | ||
内径 | d | 75 |
外径 | D | 105 |
厚度(单列) | B | 16 |
厚度(多列) | T | 32 |
倒角尺寸 | r(min) | 1 |
倒角尺寸 | r1(min) | 0.6 |
额定载荷(KN) | ||
基本额定动载荷 | Cr | 45 |
基本额定静载荷 | C0r | 34 |
极限载荷(KN) | ||
轴向-单个 | 27.5 | |
接触角 | ||
度 | ° | 15 |
系数 | ||
fo | 8.5 | |
作用点(mm) | ||
a | 20.1 | |
限制速度(rpm) | ||
脂润滑 | Grease | 20500 |
油润滑 | Oil | 32000 |
安装尺寸(mm) | ||
da(min) | 81 | |
Da(max) | 99 | |
Db(max) | 100 | |
ra(max) | 1 | |
rb(max) | 0.5 | |
预紧力(N)-DU/DB/DF | ||
微预紧 | EL | 49 |
轻预紧 | L | 205 |
中预紧 | M | 528 |
重预紧 | H | - |
轴承刚度(N/μm)-DU/DB/DF | ||
微预紧 | EL | 58 |
轻预紧 | L | 96 |
中预紧 | M | 138 |
重预紧 | H | - |
测量轴向游隙(μm) | ||
微预紧 | EL | 0 |
轻预紧 | L | -8 |
中预紧 | M | -19 |
重预紧 | H | - |
轴承组合 | ||
方式 | 万能 | |
列数 | 2 | |
重量(Kg) | ||
0.58 |

商品 | 品牌 | 主要尺寸 | 发货仓 | 产地 | 库存 | 含税单价 | VIP价 | 操作 |
SKF 71915 CE/HCDGAVQ126轴承 超精密角接触球轴承E设计 |
SKF | 75 X 105 X 32 | 华东 | 瑞典 | 2 | 3138.45 | ¥2572.5 | |