产品分类
- 深沟球轴承
- 角接触球轴承
- 超高精密轴承
- 精密角接触球轴承
- 标准型
- 标准密封型-S
- 陶瓷球标准型-C
- 陶瓷球密封型-CS
- 高速小球型-HS
- 小球密封型-HSS
- 陶瓷小球型-HC
- 陶瓷小球密封型-HCS
- 超高速陶瓷球型-XC
- 超高速陶瓷球密封型-XCS
- 超高速小球型-XS
- 超高速小球密封型-XSS
- 油气润滑-标准钢球型
- 油气润滑-标准陶瓷球型
- 油气润滑-高速小球型
- 油气润滑-高速陶瓷球型
- 油气润滑-超高速小球型
- 油气润滑-超高速陶瓷球型
- 精密丝杠轴承
- 精密圆柱滚子轴承
- 调心球轴承
- 推力轴承
- 圆柱滚子轴承
- 圆锥滚子轴承
- 调心滚子轴承
- 交叉滚子轴承
- 超薄截面轴承
- 滚针轴承
- 滚轮轴承
- 关节轴承
- 直线运动
- 轴承附件

HC7913CTP4DU轴承
类型:【超高精密轴承 - 精密角接触球轴承】
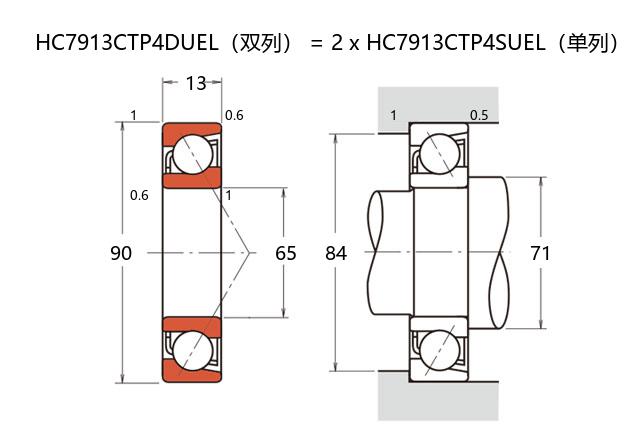
基本尺寸:内径:65 mm,外径:90 mm,厚度:26 mm。
价格区间:¥2984.1 - ¥4667.54【详情】
前缀列表:【H:高转速】【C:陶瓷球型】后缀列表:【C:接触角 15°】【T:树脂保持架】【P4:ISO 4级精度】【DU:两个万能组合】
HC7913CTP4DU是一款精密角接触球轴承,属于超高精密类型,采用陶瓷小球设计。该型号的尺寸为内径65毫米、外径90毫米、厚度26毫米,结构紧凑,适用于空间受限的高精度应用场景。
陶瓷材料的应用提升了轴承的耐磨性和热稳定性,有助于在高速运转条件下减少摩擦和热量积累。这种设计还可能降低对润滑剂的依赖,延长维护周期。角接触结构使其能够承受径向和轴向复合载荷,常见于精密机床、高速主轴或测量设备中。
在实际使用中,这类轴承需要配合适当的安装和润滑方案,以发挥其性能潜力。环境因素如温度和清洁度可能影响其寿命和可靠性。通过合理选型和应用,这类组件有助于提升设备运行平稳性和精度,适用于对动态性能要求较高的工业领域。
H
C
7
9
1
3
C
T
P
4
D
U
H:高转速
C:陶瓷球型
7:精密角接触球轴承
9:尺寸系列:超轻 19 系列
13:内径:65 mm
C:接触角 15°
T:树脂保持架
P4:ISO 4级精度
DU:两个万能组合
H:
高转速
C:
陶瓷球型
7:
精密角接触球轴承
9:
尺寸系列:超轻 19 系列
13:
内径:65 mm
C:
接触角 15°
T:
树脂保持架
P4:
ISO 4级精度
DU:
两个万能组合
公称型号 | ||
高速陶瓷球型 | HC7913CTP4DU | |
主要尺寸(mm) | ||
内径 | d | 65 |
外径 | D | 90 |
厚度(单列) | B | 13 |
厚度(多列) | T | 26 |
倒角尺寸 | r(min) | 1 |
倒角尺寸 | r1(min) | 0.6 |
额定载荷(KN) | ||
基本额定动载荷 | Cr | 33 |
基本额定静载荷 | C0r | 25 |
极限载荷(KN) | ||
轴向-单个 | 18.7 | |
接触角 | ||
度 | ° | 15 |
系数 | ||
fo | 8.5 | |
作用点(mm) | ||
a | 16.9 | |
限制速度(rpm) | ||
脂润滑 | Grease | 24000 |
油润滑 | Oil | 38000 |
安装尺寸(mm) | ||
da(min) | 71 | |
Da(max) | 84 | |
Db(max) | 85 | |
ra(max) | 1 | |
rb(max) | 0.5 | |
预紧力(N)-DU/DB/DF | ||
微预紧 | EL | 49 |
轻预紧 | L | 198 |
中预紧 | M | 412 |
重预紧 | H | - |
轴承刚度(N/μm)-DU/DB/DF | ||
微预紧 | EL | 56 |
轻预紧 | L | 92 |
中预紧 | M | 122 |
重预紧 | H | - |
测量轴向游隙(μm) | ||
微预紧 | EL | 0 |
轻预紧 | L | -8 |
中预紧 | M | -16 |
重预紧 | H | - |
轴承组合 | ||
方式 | 万能 | |
列数 | 2 | |
重量(Kg) | ||
0.34 |

商品 | 品牌 | 主要尺寸 | 发货仓 | 产地 | 库存 | 含税单价 | VIP价 | 操作 |
SKF 71913 CE/HCDGAVQ126轴承 超精密角接触球轴承E设计 |
SKF | 65 X 90 X 26 | 华东 | 进口 | 2 | 3700.28 | ¥2984.1 | |
SKF 71913 CE/HCP4ADGA轴承 超精密角接触球轴承E设计 |
SKF | 65 X 90 X 26 | 华东 | 意大利 | 4 | 4667.54 | ¥3889.62 | |