产品分类
- 深沟球轴承
- 角接触球轴承
- 超高精密轴承
- 精密角接触球轴承
- 标准型
- 标准密封型-S
- 陶瓷球标准型-C
- 陶瓷球密封型-CS
- 高速小球型-HS
- 小球密封型-HSS
- 陶瓷小球型-HC
- 陶瓷小球密封型-HCS
- 超高速陶瓷球型-XC
- 超高速陶瓷球密封型-XCS
- 超高速小球型-XS
- 超高速小球密封型-XSS
- 油气润滑-标准钢球型
- 油气润滑-标准陶瓷球型
- 油气润滑-高速小球型
- 油气润滑-高速陶瓷球型
- 油气润滑-超高速小球型
- 油气润滑-超高速陶瓷球型
- 精密丝杠轴承
- 精密圆柱滚子轴承
- 调心球轴承
- 推力轴承
- 圆柱滚子轴承
- 圆锥滚子轴承
- 调心滚子轴承
- 交叉滚子轴承
- 超薄截面轴承
- 滚针轴承
- 滚轮轴承
- 关节轴承
- 直线运动
- 轴承附件

HC7911FTP4DU轴承
类型:【超高精密轴承 - 精密角接触球轴承】
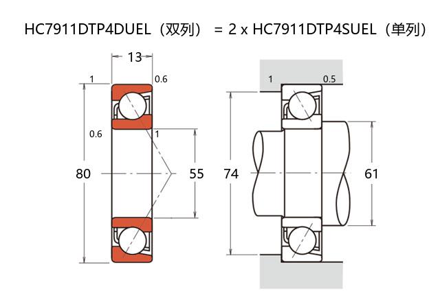
基本尺寸:内径:55 mm,外径:80 mm,厚度:26 mm。
价格区间:¥8967.85 - ¥10940.78【详情】
前缀列表:【H:高转速】【C:陶瓷球型】后缀列表:【F:18° 接触角】【T:树脂保持架】【P4:ISO 4级精度】【DU:两个万能组合】
HC7911FTP4DU属于超高精密角接触球轴承系列,采用陶瓷小球材质设计。其基本尺寸为内径55毫米、外径80毫米、厚度26毫米,结构紧凑且适配高精度机械的安装需求。该轴承在材料特性上结合了陶瓷球的轻量化与高刚性优势,有助于降低高速运转时的离心力,同时提升耐磨性与稳定性。
该型号适用于高速主轴、精密机床及测量设备等场景,能承受径向与轴向联合载荷,并对安装预紧力有较好的调整空间。内部填充特殊润滑剂可延长维护周期,适配温控要求较高的环境。由于采用非金属材质部件,其在特定工况下具备抗磁性与绝缘特性,可减少电蚀风险。
在应用层面需注意配合公差及清洁度控制,以发挥其性能潜力。此类轴承常见于精密加工、医疗设备及科研仪器领域,通过优化接触角与滚道设计,进一步平衡了转速能力与刚性需求。整体而言,该型号契合高转速、低摩擦且要求长期运行稳定的技术场景。
H
C
7
9
1
1
F
T
P
4
D
U
H:高转速
C:陶瓷球型
7:精密角接触球轴承
9:尺寸系列:超轻 19 系列
11:内径:55 mm
F:18° 接触角
T:树脂保持架
P4:ISO 4级精度
DU:两个万能组合
H:
高转速
C:
陶瓷球型
7:
精密角接触球轴承
9:
尺寸系列:超轻 19 系列
11:
内径:55 mm
F:
18° 接触角
T:
树脂保持架
P4:
ISO 4级精度
DU:
两个万能组合
公称型号 | ||
高速陶瓷球型 | HC7911FTP4DU | |
主要尺寸(mm) | ||
内径 | d | 55 |
外径 | D | 80 |
厚度(单列) | B | 13 |
厚度(多列) | T | 26 |
倒角尺寸 | r(min) | 1 |
倒角尺寸 | r1(min) | 0.6 |
额定载荷(KN) | ||
基本额定动载荷 | Cr | 28.8 |
基本额定静载荷 | C0r | 21.8 |
极限载荷(KN) | ||
轴向-单个 | 10.6 | |
接触角 | ||
度 | ° | 18 |
系数 | ||
fo | 10.7 | |
作用点(mm) | ||
a | 17.5 | |
限制速度(rpm) | ||
脂润滑 | Grease | 26700 |
油润滑 | Oil | 41500 |
安装尺寸(mm) | ||
da(min) | 61 | |
Da(max) | 74 | |
Db(max) | 75 | |
ra(max) | 1 | |
rb(max) | 0.5 | |
预紧力(N)-DU/DB/DF | ||
微预紧 | EL | 49 |
轻预紧 | L | 184 |
中预紧 | M | 375 |
重预紧 | H | - |
轴承刚度(N/μm)-DU/DB/DF | ||
微预紧 | EL | 51 |
轻预紧 | L | 82 |
中预紧 | M | 109 |
重预紧 | H | - |
测量轴向游隙(μm) | ||
微预紧 | EL | 0 |
轻预紧 | L | -8 |
中预紧 | M | -16 |
重预紧 | H | - |
轴承组合 | ||
方式 | 万能 | |
列数 | 2 | |
重量(Kg) | ||
0.28 |

商品 | 品牌 | 主要尺寸 | 发货仓 | 产地 | 库存 | 含税单价 | VIP价 | 操作 |
SKF 71911 FE/HCPA9ADGA轴承 超精密角接触球轴承E设计 |
SKF | 55 X 80 X 26 | 华南 | 6 | 10940.78 | ¥8967.85 | ||