产品分类
- 深沟球轴承
- 角接触球轴承
- 超高精密轴承
- 精密角接触球轴承
- 标准型
- 标准密封型-S
- 陶瓷球标准型-C
- 陶瓷球密封型-CS
- 高速小球型-HS
- 小球密封型-HSS
- 陶瓷小球型-HC
- 陶瓷小球密封型-HCS
- 超高速陶瓷球型-XC
- 超高速陶瓷球密封型-XCS
- 超高速小球型-XS
- 超高速小球密封型-XSS
- 油气润滑-标准钢球型
- 油气润滑-标准陶瓷球型
- 油气润滑-高速小球型
- 油气润滑-高速陶瓷球型
- 油气润滑-超高速小球型
- 油气润滑-超高速陶瓷球型
- 精密丝杠轴承
- 精密圆柱滚子轴承
- 调心球轴承
- 推力轴承
- 圆柱滚子轴承
- 圆锥滚子轴承
- 调心滚子轴承
- 交叉滚子轴承
- 超薄截面轴承
- 滚针轴承
- 滚轮轴承
- 关节轴承
- 直线运动
- 轴承附件

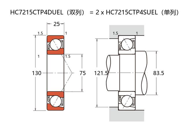
HC7215CTP4DUEL轴承
类型:【超高精密轴承 - 精密角接触球轴承】
基本尺寸:内径: mm,外径: mm,厚度: mm。
价格区间:¥0 - ¥0【详情】
前缀列表:【H:高转速】【C:陶瓷球型】后缀列表:【C:接触角 15°】【T:树脂保持架】【P4:ISO 4级精度】【DU:双列万能配对】【EL:超轻预紧】
HC7215CTP4DUEL是一款超高精密角接触球轴承,属于陶瓷小球系列产品。该型号轴承内径为75毫米,外径为130毫米,厚度25毫米,其结构采用15°接触角设计,可实现高速运转条件下的稳定支撑。轴承滚动体采用氮化硅陶瓷材料,这种材质具有低密度、高硬度和耐腐蚀特性,配合保持架的优化设计,有效降低了运转过程中的离心力效应和摩擦热积累。
此类轴承在预紧力调节方面具有较高灵活性,通过合理的预紧配置可同时承受径向和轴向复合载荷。由于陶瓷材料与钢制轨道形成的摩擦副具有自润滑特性,在润滑条件受限的工况下仍能维持较好的运行状态。特别适用于高转速主轴、精密机床回转单元及测量仪器等对旋转精度和动态响应要求较高的设备。在实际应用中需注意配合公差的选择及安装方式,以确保发挥其最佳性能。该系列轴承通过特殊的表面处理和严格的公差控制,在提升使用寿命的同时兼顾了运行平稳性要求。
H
C
7
2
1
5
C
T
P
4
D
U
E
L
H:高转速
C:陶瓷球型
7:精密角接触球轴承
2:尺寸系列:轻窄 02 系列
15:内径:75 mm
C:接触角 15°
T:树脂保持架
P4:ISO 4级精度
DU:双列万能配对
EL:超轻预紧
H:
高转速
C:
陶瓷球型
7:
精密角接触球轴承
2:
尺寸系列:轻窄 02 系列
15:
内径:75 mm
C:
接触角 15°
T:
树脂保持架
P4:
ISO 4级精度
DU:
双列万能配对
EL:
超轻预紧
公称型号 | ||
高速陶瓷球型 | HC7215CTP4SUEL | |
主要尺寸(mm) | ||
内径 | d | 75 |
外径 | D | 130 |
厚度(单列) | B | 25 |
厚度(多列) | T | 1.5 |
倒角尺寸 | r(min) | 1 |
倒角尺寸 | r1(min) | 60.5 |
额定载荷(KN) | ||
基本额定动载荷 | Cr | 29.8 |
基本额定静载荷 | C0r | 39.5 |
极限载荷(KN) | ||
轴向-单个 | 15 | |
接触角 | ||
度 | ° | 6.7 |
系数 | ||
fo | 26.6 | |
作用点(mm) | ||
a | 10800 | |
限制速度(rpm) | ||
脂润滑 | Grease | 21600 |
油润滑 | Oil | 83.5 |
安装尺寸(mm) | ||
da(min) | 121.5 | |
Da(max) | 124 | |
Db(max) | 1.5 | |
ra(max) | 1 | |
rb(max) | 270 | |
预紧力(N)-DU/DB/DF | ||
微预紧 | EL | 530 |
轻预紧 | L | 1224 |
中预紧 | M | 2445 |
重预紧 | H | 81 |
轴承刚度(N/μm)-DU/DB/DF | ||
微预紧 | EL | 108 |
轻预紧 | L | 157 |
中预紧 | M | 220 |
重预紧 | H | -10 |
测量轴向游隙(μm) | ||
微预紧 | EL | -21 |
轻预紧 | L | -42 |
中预紧 | M | -68 |
重预紧 | H | 0.98 |
轴承组合 | ||
方式 | 1.96 | |
列数 | ||
重量(Kg) | ||

商品 | 品牌 | 主要尺寸 | 发货仓 | 产地 | 库存 | 含税单价 | VIP价 | 操作 |