产品分类
- 深沟球轴承
- 角接触球轴承
- 超高精密轴承
- 精密角接触球轴承
- 标准型
- 标准密封型-S
- 陶瓷球标准型-C
- 陶瓷球密封型-CS
- 高速小球型-HS
- 小球密封型-HSS
- 陶瓷小球型-HC
- 陶瓷小球密封型-HCS
- 超高速陶瓷球型-XC
- 超高速陶瓷球密封型-XCS
- 超高速小球型-XS
- 超高速小球密封型-XSS
- 油气润滑-标准钢球型
- 油气润滑-标准陶瓷球型
- 油气润滑-高速小球型
- 油气润滑-高速陶瓷球型
- 油气润滑-超高速小球型
- 油气润滑-超高速陶瓷球型
- 精密丝杠轴承
- 精密圆柱滚子轴承
- 调心球轴承
- 推力轴承
- 圆柱滚子轴承
- 圆锥滚子轴承
- 调心滚子轴承
- 交叉滚子轴承
- 超薄截面轴承
- 滚针轴承
- 滚轮轴承
- 关节轴承
- 直线运动
- 轴承附件

HC7211CTP4DUEL轴承
类型:【超高精密轴承 - 精密角接触球轴承】
基本尺寸:内径: mm,外径: mm,厚度: mm。
价格区间:¥0 - ¥0【详情】
前缀列表:【H:高转速】【C:陶瓷球型】后缀列表:【C:接触角 15°】【T:树脂保持架】【P4:ISO 4级精度】【DU:双列万能配对】【EL:超轻预紧】
HC7211CTP4DUEL属于超高精密角接触球轴承中的陶瓷小球型系列。该型号采用混合陶瓷材料制造,滚动体为氮化硅陶瓷,保持架使用特种工程塑料。这种组合赋予轴承优异的高速性能,同时具备耐高温、耐腐蚀和抗磁化特性。
在结构设计方面,该轴承通过优化的接触角设计和精密加工工艺,可同时承受径向和轴向联合载荷。其内外圈滚道经过超精研磨处理,确保运转平稳性。特殊预紧力调整技术使轴承在高速运转时保持稳定的刚性,有效抑制振动和噪音。
该系列轴承主要应用于高精度机床主轴、高速电主轴、精密仪器等对转速精度和刚性要求较高的场合。由于采用非金属材料,在润滑不良工况下表现出更好的应急运转能力。通过合理的安装维护,能够满足长时间连续运转的可靠性需求,是精密机械传动系统的重要基础部件。
H
C
7
2
1
1
C
T
P
4
D
U
E
L
H:高转速
C:陶瓷球型
7:精密角接触球轴承
2:尺寸系列:轻窄 02 系列
11:内径:55 mm
C:接触角 15°
T:树脂保持架
P4:ISO 4级精度
DU:双列万能配对
EL:超轻预紧
H:
高转速
C:
陶瓷球型
7:
精密角接触球轴承
2:
尺寸系列:轻窄 02 系列
11:
内径:55 mm
C:
接触角 15°
T:
树脂保持架
P4:
ISO 4级精度
DU:
双列万能配对
EL:
超轻预紧
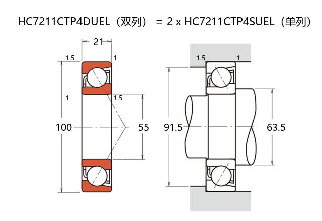
公称型号 | ||
高速陶瓷球型 | HC7211CTP4SUEL | |
主要尺寸(mm) | ||
内径 | d | 55 |
外径 | D | 100 |
厚度(单列) | B | 21 |
厚度(多列) | T | 1.5 |
倒角尺寸 | r(min) | 1 |
倒角尺寸 | r1(min) | 40.5 |
额定载荷(KN) | ||
基本额定动载荷 | Cr | 18.1 |
基本额定静载荷 | C0r | 23.9 |
极限载荷(KN) | ||
轴向-单个 | 15 | |
接触角 | ||
度 | ° | 6.6 |
系数 | ||
fo | 21 | |
作用点(mm) | ||
a | 14500 | |
限制速度(rpm) | ||
脂润滑 | Grease | 28900 |
油润滑 | Oil | 63.5 |
安装尺寸(mm) | ||
da(min) | 91.5 | |
Da(max) | 94 | |
Db(max) | 1.5 | |
ra(max) | 1 | |
rb(max) | 142 | |
预紧力(N)-DU/DB/DF | ||
微预紧 | EL | 289 |
轻预紧 | L | 788 |
中预紧 | M | 1554 |
重预紧 | H | 56 |
轴承刚度(N/μm)-DU/DB/DF | ||
微预紧 | EL | 74 |
轻预紧 | L | 116 |
中预紧 | M | 163 |
重预紧 | H | -8 |
测量轴向游隙(μm) | ||
微预紧 | EL | -17 |
轻预紧 | L | -38 |
中预紧 | M | -60 |
重预紧 | H | 0.52 |
轴承组合 | ||
方式 | 1.04 | |
列数 | ||
重量(Kg) | ||

商品 | 品牌 | 主要尺寸 | 发货仓 | 产地 | 库存 | 含税单价 | VIP价 | 操作 |