产品分类
- 深沟球轴承
- 角接触球轴承
- 超高精密轴承
- 精密角接触球轴承
- 标准型
- 标准密封型-S
- 陶瓷球标准型-C
- 陶瓷球密封型-CS
- 高速小球型-HS
- 小球密封型-HSS
- 陶瓷小球型-HC
- 陶瓷小球密封型-HCS
- 超高速陶瓷球型-XC
- 超高速陶瓷球密封型-XCS
- 超高速小球型-XS
- 超高速小球密封型-XSS
- 油气润滑-标准钢球型
- 油气润滑-标准陶瓷球型
- 油气润滑-高速小球型
- 油气润滑-高速陶瓷球型
- 油气润滑-超高速小球型
- 油气润滑-超高速陶瓷球型
- 精密丝杠轴承
- 精密圆柱滚子轴承
- 调心球轴承
- 推力轴承
- 圆柱滚子轴承
- 圆锥滚子轴承
- 调心滚子轴承
- 交叉滚子轴承
- 超薄截面轴承
- 滚针轴承
- 滚轮轴承
- 关节轴承
- 直线运动
- 轴承附件

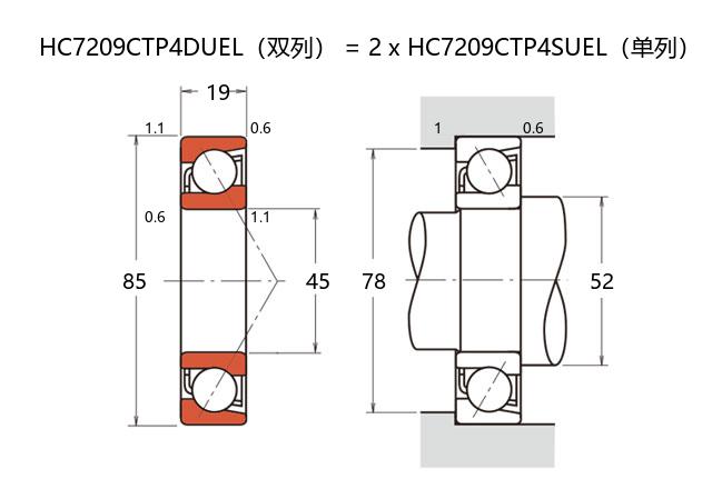
HC7209CTP4DUEL轴承
类型:【超高精密轴承 - 精密角接触球轴承】
基本尺寸:内径: mm,外径: mm,厚度: mm。
价格区间:¥0 - ¥0【详情】
前缀列表:【H:高转速】【C:陶瓷球型】后缀列表:【C:接触角 15°】【T:树脂保持架】【P4:ISO 4级精度】【DU:双列万能配对】【EL:超轻预紧】
HC7209CTP4DUEL属于超高精密角接触球轴承系列,专为高转速和高刚性应用环境设计。该型号的内径为45毫米,外径为85毫米,厚度为19毫米,符合标准公制尺寸规范。其结构采用陶瓷小球材质,有效降低了运转时的摩擦损耗与热量积聚,同时提升了抗腐蚀能力和耐久性能。
在分类上,该轴承归属于精密角接触球轴承中的陶瓷小球型HC系列,适用于中等载荷与高速旋转场景,常见于精密机床主轴、电主轴或高精度旋转平台等领域。其接触角设计与精密加工工艺保障了轴向与径向载荷的合理分配,运转稳定性较为突出。
该型号在润滑条件良好且工作环境洁净的情况下,能够发挥较优的性能表现。需要注意的是,实际使用寿命受安装方式、工况条件及维护频率等多重因素影响,建议结合具体应用要求进行选型与使用。
H
C
7
2
0
9
C
T
P
4
D
U
E
L
H:高转速
C:陶瓷球型
7:精密角接触球轴承
2:尺寸系列:轻窄 02 系列
09:内径:45 mm
C:接触角 15°
T:树脂保持架
P4:ISO 4级精度
DU:双列万能配对
EL:超轻预紧
H:
高转速
C:
陶瓷球型
7:
精密角接触球轴承
2:
尺寸系列:轻窄 02 系列
09:
内径:45 mm
C:
接触角 15°
T:
树脂保持架
P4:
ISO 4级精度
DU:
双列万能配对
EL:
超轻预紧
公称型号 | ||
高速陶瓷球型 | HC7209CTP4SUEL | |
主要尺寸(mm) | ||
内径 | d | 45 |
外径 | D | 85 |
厚度(单列) | B | 19 |
厚度(多列) | T | 1.1 |
倒角尺寸 | r(min) | 0.6 |
倒角尺寸 | r1(min) | 31 |
额定载荷(KN) | ||
基本额定动载荷 | Cr | 13.1 |
基本额定静载荷 | C0r | 17.2 |
极限载荷(KN) | ||
轴向-单个 | 15 | |
接触角 | ||
度 | ° | 6.5 |
系数 | ||
fo | 18.3 | |
作用点(mm) | ||
a | 17500 | |
限制速度(rpm) | ||
脂润滑 | Grease | 35000 |
油润滑 | Oil | 52 |
安装尺寸(mm) | ||
da(min) | 78 | |
Da(max) | 80 | |
Db(max) | 1 | |
ra(max) | 0.6 | |
rb(max) | 123 | |
预紧力(N)-DU/DB/DF | ||
微预紧 | EL | 254 |
轻预紧 | L | 534 |
中预紧 | M | 1067 |
重预紧 | H | 49 |
轴承刚度(N/μm)-DU/DB/DF | ||
微预紧 | EL | 67 |
轻预紧 | L | 94 |
中预紧 | M | 131 |
重预紧 | H | -7 |
测量轴向游隙(μm) | ||
微预紧 | EL | -16 |
轻预紧 | L | -30 |
中预紧 | M | -49 |
重预紧 | H | 0.37 |
轴承组合 | ||
方式 | 0.74 | |
列数 | ||
重量(Kg) | ||

商品 | 品牌 | 主要尺寸 | 发货仓 | 产地 | 库存 | 含税单价 | VIP价 | 操作 |