产品分类
- 深沟球轴承
- 角接触球轴承
- 超高精密轴承
- 精密角接触球轴承
- 标准型
- 标准密封型-S
- 陶瓷球标准型-C
- 陶瓷球密封型-CS
- 高速小球型-HS
- 小球密封型-HSS
- 陶瓷小球型-HC
- 陶瓷小球密封型-HCS
- 超高速陶瓷球型-XC
- 超高速陶瓷球密封型-XCS
- 超高速小球型-XS
- 超高速小球密封型-XSS
- 油气润滑-标准钢球型
- 油气润滑-标准陶瓷球型
- 油气润滑-高速小球型
- 油气润滑-高速陶瓷球型
- 油气润滑-超高速小球型
- 油气润滑-超高速陶瓷球型
- 精密丝杠轴承
- 精密圆柱滚子轴承
- 调心球轴承
- 推力轴承
- 圆柱滚子轴承
- 圆锥滚子轴承
- 调心滚子轴承
- 交叉滚子轴承
- 超薄截面轴承
- 滚针轴承
- 滚轮轴承
- 关节轴承
- 直线运动
- 轴承附件

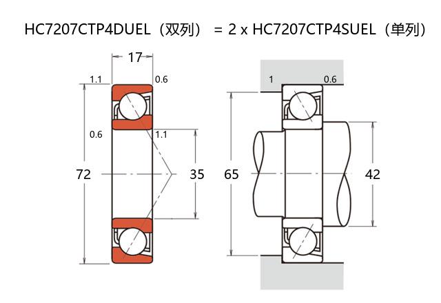
HC7207CTP4DUEL轴承
类型:【超高精密轴承 - 精密角接触球轴承】
基本尺寸:内径: mm,外径: mm,厚度: mm。
价格区间:¥0 - ¥0【详情】
前缀列表:【H:高转速】【C:陶瓷球型】后缀列表:【C:接触角 15°】【T:树脂保持架】【P4:ISO 4级精度】【DU:双列万能配对】【EL:超轻预紧】
HC7207CTP4DUEL属于超高精密角接触球轴承系列,采用陶瓷小球设计。该类型轴承内径为35毫米,外径为72毫米,厚度为17毫米,适用于结构紧凑的精密设备配置。
此类轴承以氮化硅陶瓷滚动体为核心特点,相比传统钢球材质,具备更低密度和更高硬度。在高速运转条件下,陶瓷材料可有效降低离心力影响,减少摩擦温升。非导磁性与耐腐蚀特性使其在特殊工况下保持稳定性能。接触角设计与预载荷配置使轴承可同时承受径向与轴向联合载荷,常见于主轴系统的成对安装使用场景。
该型号后缀标识代表特殊公差与润滑技术规范,通过精选材料与精密加工实现运行平稳性提升。在机床主轴、电主轴及测量仪器等领域,此类轴承有助于提升系统刚性与旋转精度。由于材料特性与结构特点,其在高速、低摩擦应用场景中表现出适用性,同时需要注意配合零件的精度等级及润滑条件对最终性能的影响。
H
C
7
2
0
7
C
T
P
4
D
U
E
L
H:高转速
C:陶瓷球型
7:精密角接触球轴承
2:尺寸系列:轻窄 02 系列
07:内径:35 mm
C:接触角 15°
T:树脂保持架
P4:ISO 4级精度
DU:双列万能配对
EL:超轻预紧
H:
高转速
C:
陶瓷球型
7:
精密角接触球轴承
2:
尺寸系列:轻窄 02 系列
07:
内径:35 mm
C:
接触角 15°
T:
树脂保持架
P4:
ISO 4级精度
DU:
双列万能配对
EL:
超轻预紧
公称型号 | ||
高速陶瓷球型 | HC7207CTP4SUEL | |
主要尺寸(mm) | ||
内径 | d | 35 |
外径 | D | 72 |
厚度(单列) | B | 17 |
厚度(多列) | T | 1.1 |
倒角尺寸 | r(min) | 0.6 |
倒角尺寸 | r1(min) | 23.2 |
额定载荷(KN) | ||
基本额定动载荷 | Cr | 9.05 |
基本额定静载荷 | C0r | 11.9 |
极限载荷(KN) | ||
轴向-单个 | 15 | |
接触角 | ||
度 | ° | 6.3 |
系数 | ||
fo | 15.8 | |
作用点(mm) | ||
a | 21300 | |
限制速度(rpm) | ||
脂润滑 | Grease | 42500 |
油润滑 | Oil | 42 |
安装尺寸(mm) | ||
da(min) | 65 | |
Da(max) | 67 | |
Db(max) | 1 | |
ra(max) | 0.6 | |
rb(max) | 75 | |
预紧力(N)-DU/DB/DF | ||
微预紧 | EL | 151 |
轻预紧 | L | 385 |
中预紧 | M | 794 |
重预紧 | H | 37 |
轴承刚度(N/μm)-DU/DB/DF | ||
微预紧 | EL | 50 |
轻预紧 | L | 75 |
中预紧 | M | 107 |
重预紧 | H | -3 |
测量轴向游隙(μm) | ||
微预紧 | EL | -10 |
轻预紧 | L | -25 |
中预紧 | M | -43 |
重预紧 | H | 0.25 |
轴承组合 | ||
方式 | 0.5 | |
列数 | ||
重量(Kg) | ||

商品 | 品牌 | 主要尺寸 | 发货仓 | 产地 | 库存 | 含税单价 | VIP价 | 操作 |