产品分类
- 深沟球轴承
- 角接触球轴承
- 超高精密轴承
- 精密角接触球轴承
- 标准型
- 标准密封型-S
- 陶瓷球标准型-C
- 陶瓷球密封型-CS
- 高速小球型-HS
- 小球密封型-HSS
- 陶瓷小球型-HC
- 陶瓷小球密封型-HCS
- 超高速陶瓷球型-XC
- 超高速陶瓷球密封型-XCS
- 超高速小球型-XS
- 超高速小球密封型-XSS
- 油气润滑-标准钢球型
- 油气润滑-标准陶瓷球型
- 油气润滑-高速小球型
- 油气润滑-高速陶瓷球型
- 油气润滑-超高速小球型
- 油气润滑-超高速陶瓷球型
- 精密丝杠轴承
- 精密圆柱滚子轴承
- 调心球轴承
- 推力轴承
- 圆柱滚子轴承
- 圆锥滚子轴承
- 调心滚子轴承
- 交叉滚子轴承
- 超薄截面轴承
- 滚针轴承
- 滚轮轴承
- 关节轴承
- 直线运动
- 轴承附件

HC7206CTP4DUEL轴承
类型:【超高精密轴承 - 精密角接触球轴承】
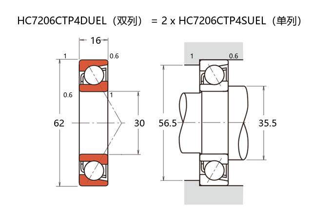
基本尺寸:内径: mm,外径: mm,厚度: mm。
价格区间:¥0 - ¥0【详情】
前缀列表:【H:高转速】【C:陶瓷球型】后缀列表:【C:接触角 15°】【T:树脂保持架】【P4:ISO 4级精度】【DU:双列万能配对】【EL:超轻预紧】
HC7206CTP4DUEL是一款超高精密角接触球轴承,其内径为30毫米,外径为62毫米,厚度为16毫米。该轴承属于精密角接触球轴承系列,采用陶瓷小球设计,具备较高的尺寸精度和运转稳定性。
在结构上,该型号轴承接触角经过优化,能够同时承受径向和轴向载荷,适用于高速旋转场合。陶瓷材料的使用有助于降低摩擦系数,减少运转温升,延长使用寿命。内部填充特殊润滑脂,可在较宽温度范围内保持性能稳定。
这类轴承常见于高精度主轴系统、高速电主轴以及精密测量设备中,能够满足对旋转精度和刚性有较高要求的应用场景。安装时需注意预紧力的调整,以确保发挥最佳性能。由于采用配对设计,在需要较高刚性时可能以组配形式使用。
维护过程中需根据实际工况定期检查润滑状态,避免异常磨损。在清洁环境中使用有助于维持其精度特性。这类轴承的设计注重平衡负载能力与转速关系,为用户提供可靠的支持。
H
C
7
2
0
6
C
T
P
4
D
U
E
L
H:高转速
C:陶瓷球型
7:精密角接触球轴承
2:尺寸系列:轻窄 02 系列
06:内径:30 mm
C:接触角 15°
T:树脂保持架
P4:ISO 4级精度
DU:双列万能配对
EL:超轻预紧
H:
高转速
C:
陶瓷球型
7:
精密角接触球轴承
2:
尺寸系列:轻窄 02 系列
06:
内径:30 mm
C:
接触角 15°
T:
树脂保持架
P4:
ISO 4级精度
DU:
双列万能配对
EL:
超轻预紧
公称型号 | ||
高速陶瓷球型 | HC7206CTP4SUEL | |
主要尺寸(mm) | ||
内径 | d | 30 |
外径 | D | 62 |
厚度(单列) | B | 16 |
厚度(多列) | T | 1 |
倒角尺寸 | r(min) | 0.6 |
倒角尺寸 | r1(min) | 17.6 |
额定载荷(KN) | ||
基本额定动载荷 | Cr | 6.7 |
基本额定静载荷 | C0r | 8.8 |
极限载荷(KN) | ||
轴向-单个 | 15 | |
接触角 | ||
度 | ° | 6.4 |
系数 | ||
fo | 14.3 | |
作用点(mm) | ||
a | 27100 | |
限制速度(rpm) | ||
脂润滑 | Grease | 54200 |
油润滑 | Oil | 35.5 |
安装尺寸(mm) | ||
da(min) | 56.5 | |
Da(max) | 57 | |
Db(max) | 1 | |
ra(max) | 0.6 | |
rb(max) | 57 | |
预紧力(N)-DU/DB/DF | ||
微预紧 | EL | 114 |
轻预紧 | L | 292 |
中预紧 | M | 591 |
重预紧 | H | 33 |
轴承刚度(N/μm)-DU/DB/DF | ||
微预紧 | EL | 43 |
轻预紧 | L | 66 |
中预紧 | M | 94 |
重预紧 | H | -1 |
测量轴向游隙(μm) | ||
微预紧 | EL | -7 |
轻预紧 | L | -20 |
中预紧 | M | -35 |
重预紧 | H | 0.18 |
轴承组合 | ||
方式 | 0.36 | |
列数 | ||
重量(Kg) | ||

商品 | 品牌 | 主要尺寸 | 发货仓 | 产地 | 库存 | 含税单价 | VIP价 | 操作 |