产品分类
- 深沟球轴承
- 角接触球轴承
- 超高精密轴承
- 精密角接触球轴承
- 标准型
- 标准密封型-S
- 陶瓷球标准型-C
- 陶瓷球密封型-CS
- 高速小球型-HS
- 小球密封型-HSS
- 陶瓷小球型-HC
- 陶瓷小球密封型-HCS
- 超高速陶瓷球型-XC
- 超高速陶瓷球密封型-XCS
- 超高速小球型-XS
- 超高速小球密封型-XSS
- 油气润滑-标准钢球型
- 油气润滑-标准陶瓷球型
- 油气润滑-高速小球型
- 油气润滑-高速陶瓷球型
- 油气润滑-超高速小球型
- 油气润滑-超高速陶瓷球型
- 精密丝杠轴承
- 精密圆柱滚子轴承
- 调心球轴承
- 推力轴承
- 圆柱滚子轴承
- 圆锥滚子轴承
- 调心滚子轴承
- 交叉滚子轴承
- 超薄截面轴承
- 滚针轴承
- 滚轮轴承
- 关节轴承
- 直线运动
- 轴承附件

HC7204CTP4DU轴承
类型:【超高精密轴承 - 精密角接触球轴承】
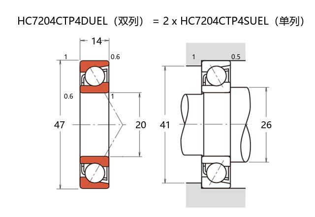
基本尺寸:内径:20 mm,外径:47 mm,厚度:28 mm。
价格区间:¥0 - ¥0【详情】
前缀列表:【H:高转速】【C:陶瓷球型】后缀列表:【C:接触角 15°】【T:树脂保持架】【P4:ISO 4级精度】【DU:两个万能组合】
HC7204CTP4DU型轴承属于超高精密角接触球轴承系列,基本尺寸为内径20毫米、外径47毫米、厚度28毫米。该型号采用陶瓷小球材质设计,在保持较高刚性的同时降低了滚动体密度,有助于减少高速运转时的离心力影响。其接触角结构经过优化,可同时承受径向与轴向联合载荷,特别适合高转速工况下的使用需求。
在材料特性方面,陶瓷小球具备低热膨胀系数与优良的电绝缘性能,能够在润滑条件受限的环境中保持稳定表现。该轴承采用配对组合形式,通过预载荷调整进一步提升了系统刚性,常见于中小型主轴支承场合。保持架设计兼顾了润滑剂流通效率与运转平稳性,延长了在连续工作状态下的使用寿命。
此类轴承在安装时需注意组配方向,确保载荷作用线符合设计要求。使用过程中建议配合清洁的润滑环境,定期检查游隙变化情况。其结构特点使之成为精密传动领域的常见选择,广泛应用于多种工业设备中需要高旋转精度的部位。
H
C
7
2
0
4
C
T
P
4
D
U
H:高转速
C:陶瓷球型
7:精密角接触球轴承
2:尺寸系列:轻窄 02 系列
04:内径:20 mm
C:接触角 15°
T:树脂保持架
P4:ISO 4级精度
DU:两个万能组合
H:
高转速
C:
陶瓷球型
7:
精密角接触球轴承
2:
尺寸系列:轻窄 02 系列
04:
内径:20 mm
C:
接触角 15°
T:
树脂保持架
P4:
ISO 4级精度
DU:
两个万能组合
公称型号 | ||
高速陶瓷球型 | HC7204CTP4DU | |
主要尺寸(mm) | ||
内径 | d | 20 |
外径 | D | 47 |
厚度(单列) | B | 14 |
厚度(多列) | T | 28 |
倒角尺寸 | r(min) | 1 |
倒角尺寸 | r1(min) | 0.6 |
额定载荷(KN) | ||
基本额定动载荷 | Cr | 19.4 |
基本额定静载荷 | C0r | 7.9 |
极限载荷(KN) | ||
轴向-单个 | 3.3 | |
接触角 | ||
度 | ° | 15 |
系数 | ||
fo | 6.8 | |
作用点(mm) | ||
a | 11.5 | |
限制速度(rpm) | ||
脂润滑 | Grease | 56800 |
油润滑 | Oil | 83600 |
安装尺寸(mm) | ||
da(min) | 26 | |
Da(max) | 41 | |
Db(max) | 42 | |
ra(max) | 1 | |
rb(max) | 0.5 | |
预紧力(N)-DU/DB/DF | ||
微预紧 | EL | 35 |
轻预紧 | L | 72 |
中预紧 | M | 157 |
重预紧 | H | - |
轴承刚度(N/μm)-DU/DB/DF | ||
微预紧 | EL | 22 |
轻预紧 | L | 29 |
中预紧 | M | 39 |
重预紧 | H | - |
测量轴向游隙(μm) | ||
微预紧 | EL | -2 |
轻预紧 | L | -8 |
中预紧 | M | -18 |
重预紧 | H | - |
轴承组合 | ||
方式 | 万能 | |
列数 | 2 | |
重量(Kg) | ||
0.182 |

商品 | 品牌 | 主要尺寸 | 发货仓 | 产地 | 库存 | 含税单价 | VIP价 | 操作 |