产品分类
- 深沟球轴承
- 角接触球轴承
- 超高精密轴承
- 精密角接触球轴承
- 标准型
- 标准密封型-S
- 陶瓷球标准型-C
- 陶瓷球密封型-CS
- 高速小球型-HS
- 小球密封型-HSS
- 陶瓷小球型-HC
- 陶瓷小球密封型-HCS
- 超高速陶瓷球型-XC
- 超高速陶瓷球密封型-XCS
- 超高速小球型-XS
- 超高速小球密封型-XSS
- 油气润滑-标准钢球型
- 油气润滑-标准陶瓷球型
- 油气润滑-高速小球型
- 油气润滑-高速陶瓷球型
- 油气润滑-超高速小球型
- 油气润滑-超高速陶瓷球型
- 精密丝杠轴承
- 精密圆柱滚子轴承
- 调心球轴承
- 推力轴承
- 圆柱滚子轴承
- 圆锥滚子轴承
- 调心滚子轴承
- 交叉滚子轴承
- 超薄截面轴承
- 滚针轴承
- 滚轮轴承
- 关节轴承
- 直线运动
- 轴承附件

HC7203CTP4DU轴承
类型:【超高精密轴承 - 精密角接触球轴承】
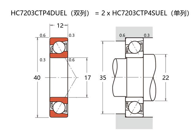
基本尺寸:内径:17 mm,外径:40 mm,厚度:24 mm。
价格区间:¥0 - ¥0【详情】
前缀列表:【H:高转速】【C:陶瓷球型】后缀列表:【C:接触角 15°】【T:树脂保持架】【P4:ISO 4级精度】【DU:两个万能组合】
HC7203CTP4DU轴承属于超高精密角接触球轴承系列,基本尺寸为内径17毫米、外径40毫米、厚度24毫米。该型号采用陶瓷小球材料,具备较低的密度和优异的刚度特性,有助于在高速运转条件下减少离心力影响,从而维持稳定的旋转精度。
其设计结构支持同时承受径向和轴向载荷,常见于高转速、高刚性要求的应用场景,如精密机床主轴、高速电主轴及测量仪器等领域。该轴承在材料与工艺上注重降低摩擦与温升,有助于延长使用寿命并提升运行效率。由于采用精密制造标准,其在严苛工况下仍能保持较稳定的性能表现,满足多种工业设备对高精度与可靠性的需求。
需要注意的是,实际应用效果会受到安装条件、润滑状态及工作环境等多方面因素的综合影响。
H
C
7
2
0
3
C
T
P
4
D
U
H:高转速
C:陶瓷球型
7:精密角接触球轴承
2:尺寸系列:轻窄 02 系列
03:内径:17 mm
C:接触角 15°
T:树脂保持架
P4:ISO 4级精度
DU:两个万能组合
H:
高转速
C:
陶瓷球型
7:
精密角接触球轴承
2:
尺寸系列:轻窄 02 系列
03:
内径:17 mm
C:
接触角 15°
T:
树脂保持架
P4:
ISO 4级精度
DU:
两个万能组合
公称型号 | ||
高速陶瓷球型 | HC7203CTP4DU | |
主要尺寸(mm) | ||
内径 | d | 17 |
外径 | D | 40 |
厚度(单列) | B | 12 |
厚度(多列) | T | 24 |
倒角尺寸 | r(min) | 0.6 |
倒角尺寸 | r1(min) | 0.3 |
额定载荷(KN) | ||
基本额定动载荷 | Cr | 14.5 |
基本额定静载荷 | C0r | 5.72 |
极限载荷(KN) | ||
轴向-单个 | 2.39 | |
接触角 | ||
度 | ° | 15 |
系数 | ||
fo | 6.8 | |
作用点(mm) | ||
a | 9.8 | |
限制速度(rpm) | ||
脂润滑 | Grease | 66700 |
油润滑 | Oil | 98300 |
安装尺寸(mm) | ||
da(min) | 22 | |
Da(max) | 35 | |
Db(max) | 37.5 | |
ra(max) | 0.6 | |
rb(max) | 0.3 | |
预紧力(N)-DU/DB/DF | ||
微预紧 | EL | 25 |
轻预紧 | L | 51 |
中预紧 | M | 107 |
重预紧 | H | - |
轴承刚度(N/μm)-DU/DB/DF | ||
微预紧 | EL | 18 |
轻预紧 | L | 24 |
中预紧 | M | 32 |
重预紧 | H | - |
测量轴向游隙(μm) | ||
微预紧 | EL | 0 |
轻预紧 | L | -5 |
中预紧 | M | -13 |
重预紧 | H | - |
轴承组合 | ||
方式 | 万能 | |
列数 | 2 | |
重量(Kg) | ||
0.114 |

商品 | 品牌 | 主要尺寸 | 发货仓 | 产地 | 库存 | 含税单价 | VIP价 | 操作 |