产品分类
- 深沟球轴承
- 角接触球轴承
- 超高精密轴承
- 精密角接触球轴承
- 标准型
- 标准密封型-S
- 陶瓷球标准型-C
- 陶瓷球密封型-CS
- 高速小球型-HS
- 小球密封型-HSS
- 陶瓷小球型-HC
- 陶瓷小球密封型-HCS
- 超高速陶瓷球型-XC
- 超高速陶瓷球密封型-XCS
- 超高速小球型-XS
- 超高速小球密封型-XSS
- 油气润滑-标准钢球型
- 油气润滑-标准陶瓷球型
- 油气润滑-高速小球型
- 油气润滑-高速陶瓷球型
- 油气润滑-超高速小球型
- 油气润滑-超高速陶瓷球型
- 精密丝杠轴承
- 精密圆柱滚子轴承
- 调心球轴承
- 推力轴承
- 圆柱滚子轴承
- 圆锥滚子轴承
- 调心滚子轴承
- 交叉滚子轴承
- 超薄截面轴承
- 滚针轴承
- 滚轮轴承
- 关节轴承
- 直线运动
- 轴承附件

HC7024ETP4DU轴承
类型:【超高精密轴承 - 精密角接触球轴承】
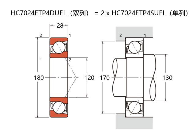
基本尺寸:内径:120 mm,外径:180 mm,厚度:56 mm。
价格区间:¥0 - ¥0【详情】
前缀列表:【H:高转速】【C:陶瓷球型】后缀列表:【E:接触角 25°】【T:树脂保持架】【P4:ISO 4级精度】【DU:两个万能组合】
HC7024ETP4DU型轴承属于超高精密角接触球轴承系列,其结构设计基于内径120mm、外径180mm及厚度56mm的尺寸规格。该型号采用陶瓷小球材质,结合精密制造工艺,在高速运转条件下可有效降低摩擦损耗与温升,同时具备较好的刚性表现。此类轴承常应用于对旋转精度和动态性能有较高要求的工作场景,例如精密机床主轴、测量仪器等设备中。
该型号后缀中的特殊代号反映了其在材料、公差及润滑等方面的定制化特性。陶瓷材料的应用有助于提升耐腐蚀性和耐磨性,并在特定工况下延长使用寿命。由于角接触结构的设计特点,该轴承可同时承受径向与轴向复合载荷,且在预紧力调整后能进一步提升运转稳定性。需要注意的是,实际使用效果会受到安装工艺、工况条件及维护周期等多重因素的影响。
在工业应用中,此类轴承需配合专业的装配工具与清洁环境,以确保其性能充分发挥。建议用户根据设备制造商的技术要求进行选型与维护操作。
H
C
7
0
2
4
E
T
P
4
D
U
H:高转速
C:陶瓷球型
7:精密角接触球轴承
0:尺寸系列:超轻 10 系列
24:内径:120 mm
E:接触角 25°
T:树脂保持架
P4:ISO 4级精度
DU:两个万能组合
H:
高转速
C:
陶瓷球型
7:
精密角接触球轴承
0:
尺寸系列:超轻 10 系列
24:
内径:120 mm
E:
接触角 25°
T:
树脂保持架
P4:
ISO 4级精度
DU:
两个万能组合
公称型号 | ||
高速陶瓷球型 | HC7024ETP4DU | |
主要尺寸(mm) | ||
内径 | d | 120 |
外径 | D | 180 |
厚度(单列) | B | 28 |
厚度(多列) | T | 56 |
倒角尺寸 | r(min) | 2 |
倒角尺寸 | r1(min) | 1 |
额定载荷(KN) | ||
基本额定动载荷 | Cr | 108 |
基本额定静载荷 | C0r | 104 |
极限载荷(KN) | ||
轴向-单个 | 58 | |
接触角 | ||
度 | ° | 25 |
系数 | ||
fo | - | |
作用点(mm) | ||
a | 49 | |
限制速度(rpm) | ||
脂润滑 | Grease | 10000 |
油润滑 | Oil | 15500 |
安装尺寸(mm) | ||
da(min) | 130 | |
Da(max) | 170 | |
Db(max) | 174 | |
ra(max) | 2 | |
rb(max) | 1 | |
预紧力(N)-DU/DB/DF | ||
微预紧 | EL | 98 |
轻预紧 | L | 1125 |
中预紧 | M | 2286 |
重预紧 | H | - |
轴承刚度(N/μm)-DU/DB/DF | ||
微预紧 | EL | 160 |
轻预紧 | L | 367 |
中预紧 | M | 475 |
重预紧 | H | - |
测量轴向游隙(μm) | ||
微预紧 | EL | 0 |
轻预紧 | L | -15 |
中预紧 | M | -26 |
重预紧 | H | - |
轴承组合 | ||
方式 | 万能 | |
列数 | 2 | |
重量(Kg) | ||
3.9 |

商品 | 品牌 | 主要尺寸 | 发货仓 | 产地 | 库存 | 含税单价 | VIP价 | 操作 |