产品分类
- 深沟球轴承
- 角接触球轴承
- 超高精密轴承
- 精密角接触球轴承
- 标准型
- 标准密封型-S
- 陶瓷球标准型-C
- 陶瓷球密封型-CS
- 高速小球型-HS
- 小球密封型-HSS
- 陶瓷小球型-HC
- 陶瓷小球密封型-HCS
- 超高速陶瓷球型-XC
- 超高速陶瓷球密封型-XCS
- 超高速小球型-XS
- 超高速小球密封型-XSS
- 油气润滑-标准钢球型
- 油气润滑-标准陶瓷球型
- 油气润滑-高速小球型
- 油气润滑-高速陶瓷球型
- 油气润滑-超高速小球型
- 油气润滑-超高速陶瓷球型
- 精密丝杠轴承
- 精密圆柱滚子轴承
- 调心球轴承
- 推力轴承
- 圆柱滚子轴承
- 圆锥滚子轴承
- 调心滚子轴承
- 交叉滚子轴承
- 超薄截面轴承
- 滚针轴承
- 滚轮轴承
- 关节轴承
- 直线运动
- 轴承附件

HC7021FTP4DU轴承
类型:【超高精密轴承 - 精密角接触球轴承】
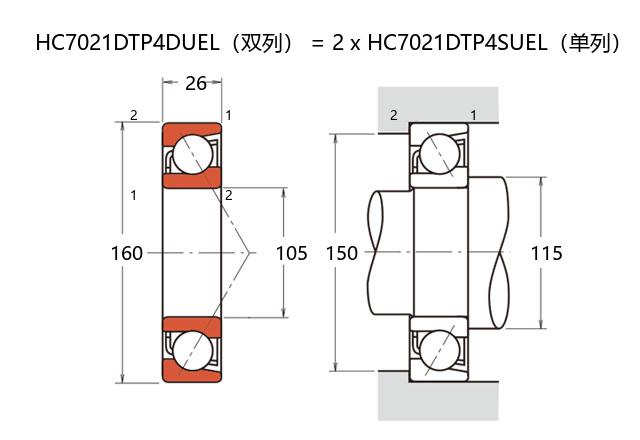
基本尺寸:内径:105 mm,外径:160 mm,厚度:52 mm。
价格区间:¥0 - ¥0【详情】
前缀列表:【H:高转速】【C:陶瓷球型】后缀列表:【F:18° 接触角】【T:树脂保持架】【P4:ISO 4级精度】【DU:两个万能组合】
HC7021FTP4DU属于超高精密角接触球轴承系列,其内径、外径和厚度分别为105毫米、160毫米和52毫米。该型号采用陶瓷小球材质设计,具备较轻的重量与较高的硬度,有助于减小高速运转时的离心力,同时提升刚性表现。在润滑条件稳定的环境下,此类轴承能够维持较低的工作温度,并减少振动幅度。
该结构适合承受复合方向的载荷,尤其适用于轴向与径向力同时存在的工况。由于材料特性,此类轴承对温差变化不敏感,在连续运行中能够保持尺寸的稳定性。其接触角经过优化,在高速旋转场合表现出良好的动态精度。
此类轴承常见于高转速主轴、精密仪器及部分医疗设备中。在安装时需注意预紧力的合理控制,避免因不当装配影响性能发挥。实际应用中需配合适当的润滑方案,并根据具体工况条件进行定期维护。
H
C
7
0
2
1
F
T
P
4
D
U
H:高转速
C:陶瓷球型
7:精密角接触球轴承
0:尺寸系列:超轻 10 系列
21:内径:105 mm
F:18° 接触角
T:树脂保持架
P4:ISO 4级精度
DU:两个万能组合
H:
高转速
C:
陶瓷球型
7:
精密角接触球轴承
0:
尺寸系列:超轻 10 系列
21:
内径:105 mm
F:
18° 接触角
T:
树脂保持架
P4:
ISO 4级精度
DU:
两个万能组合
公称型号 | ||
高速陶瓷球型 | HC7021FTP4DU | |
主要尺寸(mm) | ||
内径 | d | 105 |
外径 | D | 160 |
厚度(单列) | B | 26 |
厚度(多列) | T | 52 |
倒角尺寸 | r(min) | 2 |
倒角尺寸 | r1(min) | 1 |
额定载荷(KN) | ||
基本额定动载荷 | Cr | 82 |
基本额定静载荷 | C0r | 79 |
极限载荷(KN) | ||
轴向-单个 | 39 | |
接触角 | ||
度 | ° | 18 |
系数 | ||
fo | 10.9 | |
作用点(mm) | ||
a | 34.5 | |
限制速度(rpm) | ||
脂润滑 | Grease | 13600 |
油润滑 | Oil | 21200 |
安装尺寸(mm) | ||
da(min) | 115 | |
Da(max) | 150 | |
Db(max) | 154 | |
ra(max) | 2 | |
rb(max) | 1 | |
预紧力(N)-DU/DB/DF | ||
微预紧 | EL | 98 |
轻预紧 | L | 471 |
中预紧 | M | 1182 |
重预紧 | H | - |
轴承刚度(N/μm)-DU/DB/DF | ||
微预紧 | EL | 89 |
轻预紧 | L | 156 |
中预紧 | M | 222 |
重预紧 | H | - |
测量轴向游隙(μm) | ||
微预紧 | EL | 0 |
轻预紧 | L | -12 |
中预紧 | M | -27 |
重预紧 | H | - |
轴承组合 | ||
方式 | 万能 | |
列数 | 2 | |
重量(Kg) | ||
3.4 |

商品 | 品牌 | 主要尺寸 | 发货仓 | 产地 | 库存 | 含税单价 | VIP价 | 操作 |