产品分类
- 深沟球轴承
- 角接触球轴承
- 超高精密轴承
- 精密角接触球轴承
- 标准型
- 标准密封型-S
- 陶瓷球标准型-C
- 陶瓷球密封型-CS
- 高速小球型-HS
- 小球密封型-HSS
- 陶瓷小球型-HC
- 陶瓷小球密封型-HCS
- 超高速陶瓷球型-XC
- 超高速陶瓷球密封型-XCS
- 超高速小球型-XS
- 超高速小球密封型-XSS
- 油气润滑-标准钢球型
- 油气润滑-标准陶瓷球型
- 油气润滑-高速小球型
- 油气润滑-高速陶瓷球型
- 油气润滑-超高速小球型
- 油气润滑-超高速陶瓷球型
- 精密丝杠轴承
- 精密圆柱滚子轴承
- 调心球轴承
- 推力轴承
- 圆柱滚子轴承
- 圆锥滚子轴承
- 调心滚子轴承
- 交叉滚子轴承
- 超薄截面轴承
- 滚针轴承
- 滚轮轴承
- 关节轴承
- 直线运动
- 轴承附件

HC7012FTP4DU轴承
类型:【超高精密轴承 - 精密角接触球轴承】
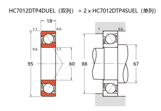
基本尺寸:内径:60 mm,外径:95 mm,厚度:36 mm。
价格区间:¥2603.37 - ¥2967.84【详情】
前缀列表:【H:高转速】【C:陶瓷球型】后缀列表:【F:18° 接触角】【T:树脂保持架】【P4:ISO 4级精度】【DU:两个万能组合】
HC7012FTP4DU型号轴承属于超高精密角接触球轴承系列,具有内径60毫米、外径95毫米及厚度36毫米的紧凑尺寸规格。该产品采用陶瓷小球作为滚动体,结合精密制造工艺,在高速运转条件下能有效抑制温升,降低动态摩擦损耗。其接触角设计优化了轴向与径向载荷的分配比例,使轴承在复杂工况下保持稳定的刚性表现。
由于采用特殊材料与结构设计,该型号在持续高速运转时仍能维持较低的振动噪声水平,适合对运动精度有严格要求的应用场景。润滑系统经过针对性优化,可适应不同温度区间的工况需求,延长使用寿命。在安装调试过程中需注意预紧力的合理控制,以确保发挥最佳性能。
此类轴承常见于精密机床主轴、高转速电机等设备,其性能参数能够满足中等载荷条件下的长期运行要求。实际应用中需配合适当的安装工艺与维护方案,才能充分发挥其技术特性。
H
C
7
0
1
2
F
T
P
4
D
U
H:高转速
C:陶瓷球型
7:精密角接触球轴承
0:尺寸系列:超轻 10 系列
12:内径:60 mm
F:18° 接触角
T:树脂保持架
P4:ISO 4级精度
DU:两个万能组合
H:
高转速
C:
陶瓷球型
7:
精密角接触球轴承
0:
尺寸系列:超轻 10 系列
12:
内径:60 mm
F:
18° 接触角
T:
树脂保持架
P4:
ISO 4级精度
DU:
两个万能组合
公称型号 | ||
高速陶瓷球型 | HC7012FTP4DU | |
主要尺寸(mm) | ||
内径 | d | 60 |
外径 | D | 95 |
厚度(单列) | B | 18 |
厚度(多列) | T | 36 |
倒角尺寸 | r(min) | 1.1 |
倒角尺寸 | r1(min) | 0.6 |
额定载荷(KN) | ||
基本额定动载荷 | Cr | 31.2 |
基本额定静载荷 | C0r | 26.2 |
极限载荷(KN) | ||
轴向-单个 | 12.8 | |
接触角 | ||
度 | ° | 18 |
系数 | ||
fo | 10.8 | |
作用点(mm) | ||
a | 21.5 | |
限制速度(rpm) | ||
脂润滑 | Grease | 23300 |
油润滑 | Oil | 36200 |
安装尺寸(mm) | ||
da(min) | 67 | |
Da(max) | 88 | |
Db(max) | 90 | |
ra(max) | 1 | |
rb(max) | 0.6 | |
预紧力(N)-DU/DB/DF | ||
微预紧 | EL | 49 |
轻预紧 | L | 136 |
中预紧 | M | 393 |
重预紧 | H | - |
轴承刚度(N/μm)-DU/DB/DF | ||
微预紧 | EL | 57 |
轻预紧 | L | 82 |
中预紧 | M | 123 |
重预紧 | H | - |
测量轴向游隙(μm) | ||
微预紧 | EL | 0 |
轻预紧 | L | -5 |
中预紧 | M | -15 |
重预紧 | H | - |
轴承组合 | ||
方式 | 万能 | |
列数 | 2 | |
重量(Kg) | ||
0.78 |

商品 | 品牌 | 主要尺寸 | 发货仓 | 产地 | 库存 | 含税单价 | VIP价 | 操作 |
NSK 60BNR10HTDUELP4Y轴承 陶瓷小球型精密角接触球轴承 |
NSK | 60 X 95 X 36 | 华东 | 日本 | 20 | 2967.84 | ¥2603.37 | |