产品分类
- 深沟球轴承
- 角接触球轴承
- 超高精密轴承
- 精密角接触球轴承
- 标准型
- 标准密封型-S
- 陶瓷球标准型-C
- 陶瓷球密封型-CS
- 高速小球型-HS
- 小球密封型-HSS
- 陶瓷小球型-HC
- 陶瓷小球密封型-HCS
- 超高速陶瓷球型-XC
- 超高速陶瓷球密封型-XCS
- 超高速小球型-XS
- 超高速小球密封型-XSS
- 油气润滑-标准钢球型
- 油气润滑-标准陶瓷球型
- 油气润滑-高速小球型
- 油气润滑-高速陶瓷球型
- 油气润滑-超高速小球型
- 油气润滑-超高速陶瓷球型
- 精密丝杠轴承
- 精密圆柱滚子轴承
- 调心球轴承
- 推力轴承
- 圆柱滚子轴承
- 圆锥滚子轴承
- 调心滚子轴承
- 交叉滚子轴承
- 超薄截面轴承
- 滚针轴承
- 滚轮轴承
- 关节轴承
- 直线运动
- 轴承附件

HC7010FTP4DU轴承
类型:【超高精密轴承 - 精密角接触球轴承】
基本尺寸:内径:50 mm,外径:80 mm,厚度:32 mm。
价格区间:¥ - ¥2625.77【详情】
前缀列表:【H:高转速】【C:陶瓷球型】后缀列表:【F:18° 接触角】【T:树脂保持架】【P4:ISO 4级精度】【DU:两个万能组合】
HC7010FTP4DU属于超高精密角接触球轴承系列,采用陶瓷小球设计。其基本尺寸为内径50毫米、外径80毫米、厚度32毫米,结构紧凑且适用于高转速工况。陶瓷材料的使用有助于降低轴承整体密度,减少高速运转时的离心力影响,同时提升抗磨损能力与热稳定性。
该型号设计侧重于精密机械领域,常见于需要高刚性与低振动特性的设备中。配合优化的内部几何结构与精密制造工艺,它在维持运转精度方面表现稳定。由于采用特殊材料与工艺,该轴承在应对高速、轻载工况时具有适应性,并可配合润滑系统满足长效使用需求。
在安装与维护过程中,需注意保持清洁环境与规范操作,以确保性能发挥。此类轴承的设计理念兼顾了材料特性与工况需求,为精密传动系统提供了可靠支撑。
H
C
7
0
1
0
F
T
P
4
D
U
H:高转速
C:陶瓷球型
7:精密角接触球轴承
0:尺寸系列:超轻 10 系列
10:内径:50 mm
F:18° 接触角
T:树脂保持架
P4:ISO 4级精度
DU:两个万能组合
H:
高转速
C:
陶瓷球型
7:
精密角接触球轴承
0:
尺寸系列:超轻 10 系列
10:
内径:50 mm
F:
18° 接触角
T:
树脂保持架
P4:
ISO 4级精度
DU:
两个万能组合
公称型号 | ||
高速陶瓷球型 | HC7010FTP4DU | |
主要尺寸(mm) | ||
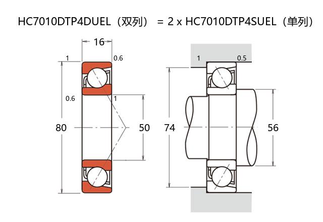
内径 | d | 50 |
外径 | D | 80 |
厚度(单列) | B | 16 |
厚度(多列) | T | 32 |
倒角尺寸 | r(min) | 1 |
倒角尺寸 | r1(min) | 0.6 |
额定载荷(KN) | ||
基本额定动载荷 | Cr | 24.4 |
基本额定静载荷 | C0r | 19 |
极限载荷(KN) | ||
轴向-单个 | 9.2 | |
接触角 | ||
度 | ° | 18 |
系数 | ||
fo | 10.8 | |
作用点(mm) | ||
a | 18.4 | |
限制速度(rpm) | ||
脂润滑 | Grease | 27700 |
油润滑 | Oil | 43100 |
安装尺寸(mm) | ||
da(min) | 56 | |
Da(max) | 74 | |
Db(max) | 75 | |
ra(max) | 1 | |
rb(max) | 0.5 | |
预紧力(N)-DU/DB/DF | ||
微预紧 | EL | 49 |
轻预紧 | L | 128 |
中预紧 | M | 280 |
重预紧 | H | - |
轴承刚度(N/μm)-DU/DB/DF | ||
微预紧 | EL | 52 |
轻预紧 | L | 74 |
中预紧 | M | 100 |
重预紧 | H | - |
测量轴向游隙(μm) | ||
微预紧 | EL | 0 |
轻预紧 | L | -5 |
中预紧 | M | -12 |
重预紧 | H | - |
轴承组合 | ||
方式 | 万能 | |
列数 | 2 | |
重量(Kg) | ||
0.46 |

商品 | 品牌 | 主要尺寸 | 发货仓 | 产地 | 库存 | 含税单价 | VIP价 | 操作 |
NSK 50BNR10HTYNDBBELP4轴承 |
NSK | 0 | ¥0 | |||||
NSK 50BNR10HTYNDUELP4轴承 陶瓷小球型精密角接触球轴承 |
NSK | 50 X 80 X 32 | 华东 | 日本 | 6 | 2398.88 | ¥2141.86 | |
NSK 50BNR10HTYNDUELP4轴承 陶瓷小球型精密角接触球轴承 |
NSK | 50 X 80 X 32 | 华东 | 日本 | 2 | 1988.03 | ¥1656.69 | |
NSK 50BNR10HTYNDUELP4轴承 陶瓷小球型精密角接触球轴承 |
NSK | 50 X 80 X 32 | 华东 | 日本 | 6 | 2356.05 | ¥2141.86 | |
NSK 50BNR10HTYNDUELP4Y轴承 陶瓷小球型精密角接触球轴承 |
NSK | 50 X 80 X 32 | 华东 | 日本 | 1 | 2445.28 | ¥1988.03 | |
篇幅有限,仅显示五条,更多可点击:搜索,或者:深度搜索 |