产品分类
- 深沟球轴承
- 角接触球轴承
- 超高精密轴承
- 精密角接触球轴承
- 标准型
- 标准密封型-S
- 陶瓷球标准型-C
- 陶瓷球密封型-CS
- 高速小球型-HS
- 小球密封型-HSS
- 陶瓷小球型-HC
- 陶瓷小球密封型-HCS
- 超高速陶瓷球型-XC
- 超高速陶瓷球密封型-XCS
- 超高速小球型-XS
- 超高速小球密封型-XSS
- 油气润滑-标准钢球型
- 油气润滑-标准陶瓷球型
- 油气润滑-高速小球型
- 油气润滑-高速陶瓷球型
- 油气润滑-超高速小球型
- 油气润滑-超高速陶瓷球型
- 精密丝杠轴承
- 精密圆柱滚子轴承
- 调心球轴承
- 推力轴承
- 圆柱滚子轴承
- 圆锥滚子轴承
- 调心滚子轴承
- 交叉滚子轴承
- 超薄截面轴承
- 滚针轴承
- 滚轮轴承
- 关节轴承
- 直线运动
- 轴承附件

HSS7926FTP4DU轴承
类型:【超高精密轴承 - 精密角接触球轴承】
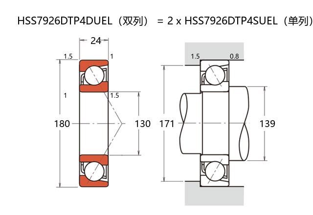
基本尺寸:内径:130 mm,外径:180 mm,厚度:48 mm。
价格区间:¥0 - ¥0【详情】
前缀列表:【H:高转速】【S:小球】【S:密封型】后缀列表:【F:18° 接触角】【T:聚酰胺保持架】【P4:P4 级精度】【DU:两个万能组合】
HSS7926FTP4DU是一款设计精良的精密角接触球轴承,隶属于超高精密轴承类别的小球密封型系列。该轴承的基本尺寸为内径130毫米、外径180毫米及厚度48毫米,适用于空间布局紧凑且对运行精度有较高要求的工况。
在结构上,该型号采用小球径设计,有助于降低运转过程中的摩擦与温升,同时保持较高的刚性。密封装置的加入进一步提升了轴承的防尘与防污染能力,使其能在相对苛刻的环境中长期稳定工作。材料选用优质钢材,并通过特殊热处理工艺增强其耐用性和抗疲劳强度。
此类轴承常见于中小型机床主轴、高速电主轴及精密旋转平台等应用场景。其接触角设计与预载荷配置较好地兼顾了径向与轴向载荷能力,能够满足中等转速下的精度维持需求。在合理安装与定期维护的条件下,该型号可为精密传动系统提供可靠支撑。
H
S
S
7
9
2
6
F
T
P
4
D
U
H:高转速
S:小球
S:密封型
7:精密角接触球轴承
9:尺寸系列:超轻 19 系列
26:内径:130 mm
F:18° 接触角
T:聚酰胺保持架
P4:P4 级精度
DU:两个万能组合
H:
高转速
S:
小球
S:
密封型
7:
精密角接触球轴承
9:
尺寸系列:超轻 19 系列
26:
内径:130 mm
F:
18° 接触角
T:
聚酰胺保持架
P4:
P4 级精度
DU:
两个万能组合
公称型号 | ||
高速小球密封型 | HSS7926FTP4DU | |
主要尺寸(mm) | ||
内径 | d | 130 |
外径 | D | 180 |
厚度(单列) | B | 24 |
厚度(多列) | T | 48 |
倒角尺寸 | r(min) | 1.5 |
倒角尺寸 | r1(min) | 1 |
额定载荷(KN) | ||
基本额定动载荷 | Cr | 119 |
基本额定静载荷 | C0r | 117 |
极限载荷(KN) | ||
轴向-单个 | 85 | |
接触角 | ||
度 | ° | 18 |
系数 | ||
fo | 10.9 | |
作用点(mm) | ||
a | 37.2 | |
限制速度(rpm) | ||
脂润滑 | Grease | 9700 |
油润滑 | Oil | - |
安装尺寸(mm) | ||
da(min) | 139 | |
Da(max) | 171 | |
Db(max) | 174 | |
ra(max) | 1.5 | |
rb(max) | 0.8 | |
预紧力(N)-DU/DB/DF | ||
微预紧 | EL | 98 |
轻预紧 | L | 718 |
中预紧 | M | 1420 |
重预紧 | H | - |
轴承刚度(N/μm)-DU/DB/DF | ||
微预紧 | EL | 80 |
轻预紧 | L | 162 |
中预紧 | M | 212 |
重预紧 | H | - |
测量轴向游隙(μm) | ||
微预紧 | EL | 0 |
轻预紧 | L | -20 |
中预紧 | M | -35 |
重预紧 | H | - |
轴承组合 | ||
方式 | 万能 | |
列数 | 2 | |
重量(Kg) | ||
2.96 |

商品 | 品牌 | 主要尺寸 | 发货仓 | 产地 | 库存 | 含税单价 | VIP价 | 操作 |