产品分类
- 深沟球轴承
- 角接触球轴承
- 超高精密轴承
- 精密角接触球轴承
- 标准型
- 标准密封型-S
- 陶瓷球标准型-C
- 陶瓷球密封型-CS
- 高速小球型-HS
- 小球密封型-HSS
- 陶瓷小球型-HC
- 陶瓷小球密封型-HCS
- 超高速陶瓷球型-XC
- 超高速陶瓷球密封型-XCS
- 超高速小球型-XS
- 超高速小球密封型-XSS
- 油气润滑-标准钢球型
- 油气润滑-标准陶瓷球型
- 油气润滑-高速小球型
- 油气润滑-高速陶瓷球型
- 油气润滑-超高速小球型
- 油气润滑-超高速陶瓷球型
- 精密丝杠轴承
- 精密圆柱滚子轴承
- 调心球轴承
- 推力轴承
- 圆柱滚子轴承
- 圆锥滚子轴承
- 调心滚子轴承
- 交叉滚子轴承
- 超薄截面轴承
- 滚针轴承
- 滚轮轴承
- 关节轴承
- 直线运动
- 轴承附件

HSS7922ETP4DU轴承
类型:【超高精密轴承 - 精密角接触球轴承】
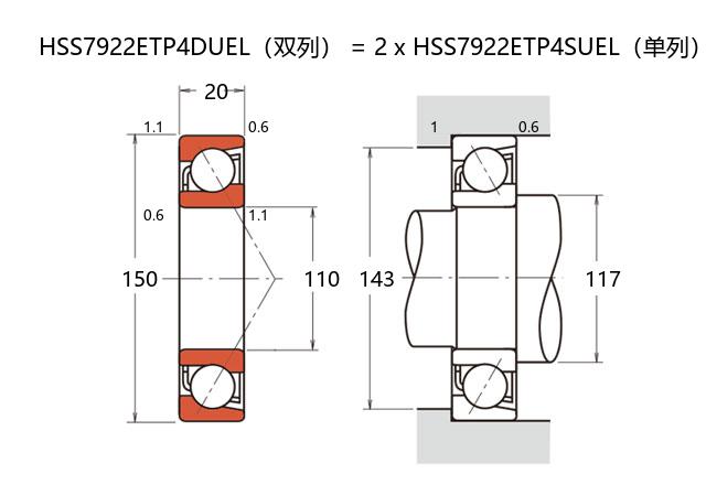
基本尺寸:内径:110 mm,外径:150 mm,厚度:40 mm。
价格区间:¥12629.86 - ¥14145.44【详情】
前缀列表:【H:高转速】【S:小球】【S:密封型】后缀列表:【E:接触角 25°】【T:聚酰胺保持架】【P4:P4 级精度】【DU:两个万能组合】
HSS7922ETP4DU属于超高精密角接触球轴承,其结构设计针对高转速和高刚性应用场景。该轴承内径为110毫米,外径为150毫米,厚度为40毫米,尺寸规格在工业设备中具有较好的兼容性。作为小球密封型精密轴承,其内部采用直径较小的滚动体,有助于降低运转时的摩擦温升,同时保持较高的旋转精度。
该型号采用接触角设计,可同时承受径向和轴向载荷,常见于精密主轴、医疗仪器或测量设备等领域。密封结构能有效防止润滑剂泄漏并阻挡外部污染物侵入,有助于维持长期稳定性能。在材料选择方面,通常采用高品质钢材并辅以特殊热处理工艺,以提升抗疲劳寿命。
此类轴承在预紧力调整和游隙控制方面具有较高灵活性,可根据实际工况进行优化配置。安装时需注意保持轴与座孔的配合精度,以避免不当装配对动态性能产生影响。在适当的润滑与维护条件下,该型号能支持设备实现平稳持久的运行效果。
H
S
S
7
9
2
2
E
T
P
4
D
U
H:高转速
S:小球
S:密封型
7:精密角接触球轴承
9:尺寸系列:超轻 19 系列
22:内径:110 mm
E:接触角 25°
T:聚酰胺保持架
P4:P4 级精度
DU:两个万能组合
H:
高转速
S:
小球
S:
密封型
7:
精密角接触球轴承
9:
尺寸系列:超轻 19 系列
22:
内径:110 mm
E:
接触角 25°
T:
聚酰胺保持架
P4:
P4 级精度
DU:
两个万能组合
公称型号 | ||
高速小球密封型 | HSS7922ETP4DU | |
主要尺寸(mm) | ||
内径 | d | 110 |
外径 | D | 150 |
厚度(单列) | B | 20 |
厚度(多列) | T | 40 |
倒角尺寸 | r(min) | 1.1 |
倒角尺寸 | r1(min) | 0.6 |
额定载荷(KN) | ||
基本额定动载荷 | Cr | 75 |
基本额定静载荷 | C0r | 73 |
极限载荷(KN) | ||
轴向-单个 | 65 | |
接触角 | ||
度 | ° | 25 |
系数 | ||
fo | - | |
作用点(mm) | ||
a | 40.3 | |
限制速度(rpm) | ||
脂润滑 | Grease | 10000 |
油润滑 | Oil | - |
安装尺寸(mm) | ||
da(min) | 117 | |
Da(max) | 143 | |
Db(max) | 145 | |
ra(max) | 1 | |
rb(max) | 0.6 | |
预紧力(N)-DU/DB/DF | ||
微预紧 | EL | 98 |
轻预紧 | L | 550 |
中预紧 | M | 1218 |
重预紧 | H | - |
轴承刚度(N/μm)-DU/DB/DF | ||
微预紧 | EL | 127 |
轻预紧 | L | 228 |
中预紧 | M | 304 |
重预紧 | H | - |
测量轴向游隙(μm) | ||
微预紧 | EL | 0 |
轻预紧 | L | -10 |
中预紧 | M | -20 |
重预紧 | H | - |
轴承组合 | ||
方式 | 万能 | |
列数 | 2 | |
重量(Kg) | ||
1.676 |

商品 | 品牌 | 主要尺寸 | 发货仓 | 产地 | 库存 | 含税单价 | VIP价 | 操作 |
FAG HSS71922-E-T-P4S-DUL轴承 超精密角接触球轴承 |
FAG | 110 X 150 X 40 | 海外 | 6 | 14145.44 | ¥12629.86 | ||