产品分类
- 深沟球轴承
- 角接触球轴承
- 超高精密轴承
- 精密角接触球轴承
- 标准型
- 标准密封型-S
- 陶瓷球标准型-C
- 陶瓷球密封型-CS
- 高速小球型-HS
- 小球密封型-HSS
- 陶瓷小球型-HC
- 陶瓷小球密封型-HCS
- 超高速陶瓷球型-XC
- 超高速陶瓷球密封型-XCS
- 超高速小球型-XS
- 超高速小球密封型-XSS
- 油气润滑-标准钢球型
- 油气润滑-标准陶瓷球型
- 油气润滑-高速小球型
- 油气润滑-高速陶瓷球型
- 油气润滑-超高速小球型
- 油气润滑-超高速陶瓷球型
- 精密丝杠轴承
- 精密圆柱滚子轴承
- 调心球轴承
- 推力轴承
- 圆柱滚子轴承
- 圆锥滚子轴承
- 调心滚子轴承
- 交叉滚子轴承
- 超薄截面轴承
- 滚针轴承
- 滚轮轴承
- 关节轴承
- 直线运动
- 轴承附件

HSS7921ETP4DU轴承
类型:【超高精密轴承 - 精密角接触球轴承】
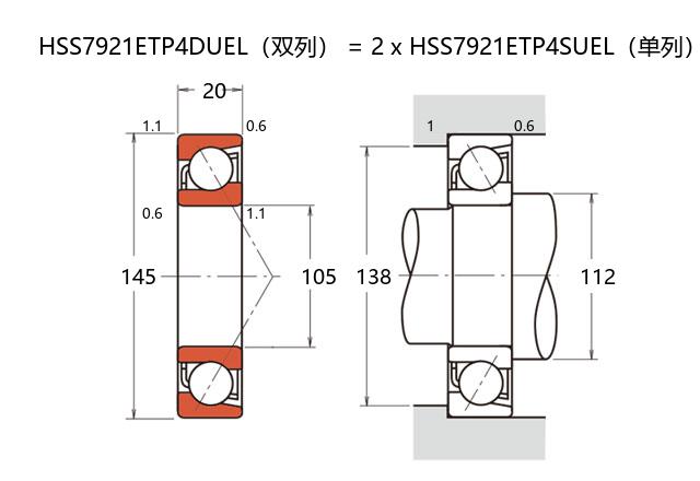
基本尺寸:内径:105 mm,外径:145 mm,厚度:40 mm。
价格区间:¥0 - ¥0【详情】
前缀列表:【H:高转速】【S:小球】【S:密封型】后缀列表:【E:接触角 25°】【T:聚酰胺保持架】【P4:P4 级精度】【DU:两个万能组合】
HSS7921ETP4DU属于超高精密角接触球轴承系列。该型号采用小球密封结构设计,以内径105mm、外径145mm及厚度40mm的尺寸规格,适用于中等载荷高转速工况。密封结构有助于在长期运行中维持润滑剂清洁度,对提升轴承使用寿命具有积极作用。
此类轴承的制造工艺通常涉及优质钢材与精密加工技术,通过优化的滚道设计和接触角参数,可同时承受径向与轴向联合载荷。在预紧力适当调整的条件下,能够实现较高的旋转精度和刚性,因此常见于精密主轴、电主轴及高精度回转机构等应用场景。
该系列轴承在运行过程中表现出良好的温升控制特性,其动态平衡性能经过特殊优化,有助于降低设备运行振动噪声。密封唇部与沟道的配合结构经过针对性设计,在防尘与扭矩特性间取得平衡。根据实际应用需求,此类轴承可采用脂润滑或油润滑方式,安装时需注意保持轴承座与轴的配合精度,以实现最佳性能表现。
H
S
S
7
9
2
1
E
T
P
4
D
U
H:高转速
S:小球
S:密封型
7:精密角接触球轴承
9:尺寸系列:超轻 19 系列
21:内径:105 mm
E:接触角 25°
T:聚酰胺保持架
P4:P4 级精度
DU:两个万能组合
H:
高转速
S:
小球
S:
密封型
7:
精密角接触球轴承
9:
尺寸系列:超轻 19 系列
21:
内径:105 mm
E:
接触角 25°
T:
聚酰胺保持架
P4:
P4 级精度
DU:
两个万能组合
公称型号 | ||
高速小球密封型 | HSS7921ETP4DU | |
主要尺寸(mm) | ||
内径 | d | 105 |
外径 | D | 145 |
厚度(单列) | B | 20 |
厚度(多列) | T | 40 |
倒角尺寸 | r(min) | 1.1 |
倒角尺寸 | r1(min) | 0.6 |
额定载荷(KN) | ||
基本额定动载荷 | Cr | 74 |
基本额定静载荷 | C0r | 70 |
极限载荷(KN) | ||
轴向-单个 | 62 | |
接触角 | ||
度 | ° | 25 |
系数 | ||
fo | - | |
作用点(mm) | ||
a | 39.2 | |
限制速度(rpm) | ||
脂润滑 | Grease | 10400 |
油润滑 | Oil | - |
安装尺寸(mm) | ||
da(min) | 112 | |
Da(max) | 138 | |
Db(max) | 140 | |
ra(max) | 1 | |
rb(max) | 0.6 | |
预紧力(N)-DU/DB/DF | ||
微预紧 | EL | 98 |
轻预紧 | L | 536 |
中预紧 | M | 1180 |
重预紧 | H | - |
轴承刚度(N/μm)-DU/DB/DF | ||
微预紧 | EL | 124 |
轻预紧 | L | 220 |
中预紧 | M | 293 |
重预紧 | H | - |
测量轴向游隙(μm) | ||
微预紧 | EL | 0 |
轻预紧 | L | -10 |
中预紧 | M | -20 |
重预紧 | H | - |
轴承组合 | ||
方式 | 万能 | |
列数 | 2 | |
重量(Kg) | ||
1.59 |

商品 | 品牌 | 主要尺寸 | 发货仓 | 产地 | 库存 | 含税单价 | VIP价 | 操作 |