产品分类
- 深沟球轴承
- 角接触球轴承
- 超高精密轴承
- 精密角接触球轴承
- 标准型
- 标准密封型-S
- 陶瓷球标准型-C
- 陶瓷球密封型-CS
- 高速小球型-HS
- 小球密封型-HSS
- 陶瓷小球型-HC
- 陶瓷小球密封型-HCS
- 超高速陶瓷球型-XC
- 超高速陶瓷球密封型-XCS
- 超高速小球型-XS
- 超高速小球密封型-XSS
- 油气润滑-标准钢球型
- 油气润滑-标准陶瓷球型
- 油气润滑-高速小球型
- 油气润滑-高速陶瓷球型
- 油气润滑-超高速小球型
- 油气润滑-超高速陶瓷球型
- 精密丝杠轴承
- 精密圆柱滚子轴承
- 调心球轴承
- 推力轴承
- 圆柱滚子轴承
- 圆锥滚子轴承
- 调心滚子轴承
- 交叉滚子轴承
- 超薄截面轴承
- 滚针轴承
- 滚轮轴承
- 关节轴承
- 直线运动
- 轴承附件

HSS7916ETP4DU轴承
类型:【超高精密轴承 - 精密角接触球轴承】
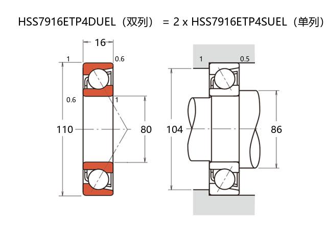
基本尺寸:内径:80 mm,外径:110 mm,厚度:32 mm。
价格区间:¥6153.42 - ¥7568.71【详情】
前缀列表:【H:高转速】【S:小球】【S:密封型】后缀列表:【E:接触角 25°】【T:聚酰胺保持架】【P4:P4 级精度】【DU:两个万能组合】
HSS7916ETP4DU型轴承属于超高精密角接触球轴承系列,基本尺寸为内径80毫米、外径110毫米、厚度32毫米。该型号采用小球密封结构设计,可在高速运转条件下保持稳定性能,同时具备较高的刚性和旋转精度。其接触角经过优化调整,能够有效承受径向与轴向联合载荷,适用于中等偏高的转速环境。
密封结构有助于在复杂工况下阻隔污染物侵入,延长轴承使用寿命。该轴承选材兼顾强度与耐磨性,并通过特殊热处理工艺提升疲劳强度。在安装配对时需注意预紧力控制,以充分发挥其精度优势。
此类轴承常见于精密机床主轴、电主轴及高转速传动系统等设备,能够满足对运转平稳性和定位精度要求较高的场合。在实际应用中需配合适宜的润滑方案,并根据具体负载条件进行选型校验。合理的安装与维护对保持其长期性能具有积极意义。
H
S
S
7
9
1
6
E
T
P
4
D
U
H:高转速
S:小球
S:密封型
7:精密角接触球轴承
9:尺寸系列:超轻 19 系列
16:内径:80 mm
E:接触角 25°
T:聚酰胺保持架
P4:P4 级精度
DU:两个万能组合
H:
高转速
S:
小球
S:
密封型
7:
精密角接触球轴承
9:
尺寸系列:超轻 19 系列
16:
内径:80 mm
E:
接触角 25°
T:
聚酰胺保持架
P4:
P4 级精度
DU:
两个万能组合
公称型号 | ||
高速小球密封型 | HSS7916ETP4DU | |
主要尺寸(mm) | ||
内径 | d | 80 |
外径 | D | 110 |
厚度(单列) | B | 16 |
厚度(多列) | T | 32 |
倒角尺寸 | r(min) | 1 |
倒角尺寸 | r1(min) | 0.6 |
额定载荷(KN) | ||
基本额定动载荷 | Cr | 42 |
基本额定静载荷 | C0r | 38.2 |
极限载荷(KN) | ||
轴向-单个 | 34 | |
接触角 | ||
度 | ° | 25 |
系数 | ||
fo | - | |
作用点(mm) | ||
a | 30.2 | |
限制速度(rpm) | ||
脂润滑 | Grease | 13600 |
油润滑 | Oil | - |
安装尺寸(mm) | ||
da(min) | 86 | |
Da(max) | 104 | |
Db(max) | 105 | |
ra(max) | 1 | |
rb(max) | 0.5 | |
预紧力(N)-DU/DB/DF | ||
微预紧 | EL | 49 |
轻预紧 | L | 309 |
中预紧 | M | 646 |
重预紧 | H | - |
轴承刚度(N/μm)-DU/DB/DF | ||
微预紧 | EL | 89 |
轻预紧 | L | 166 |
中预紧 | M | 217 |
重预紧 | H | - |
测量轴向游隙(μm) | ||
微预紧 | EL | 0 |
轻预紧 | L | -8 |
中预紧 | M | -15 |
重预紧 | H | - |
轴承组合 | ||
方式 | 万能 | |
列数 | 2 | |
重量(Kg) | ||
0.732 |

商品 | 品牌 | 主要尺寸 | 发货仓 | 产地 | 库存 | 含税单价 | VIP价 | 操作 |
SKF SV71916 ACE/P4ADGA轴承 超精密角接触球轴承E设计 |
SKF | 80 X 110 X 32 | 华北 | 进口 | 1 | 7568.71 | ¥6153.42 | |