产品分类
- 深沟球轴承
- 角接触球轴承
- 超高精密轴承
- 精密角接触球轴承
- 标准型
- 标准密封型-S
- 陶瓷球标准型-C
- 陶瓷球密封型-CS
- 高速小球型-HS
- 小球密封型-HSS
- 陶瓷小球型-HC
- 陶瓷小球密封型-HCS
- 超高速陶瓷球型-XC
- 超高速陶瓷球密封型-XCS
- 超高速小球型-XS
- 超高速小球密封型-XSS
- 油气润滑-标准钢球型
- 油气润滑-标准陶瓷球型
- 油气润滑-高速小球型
- 油气润滑-高速陶瓷球型
- 油气润滑-超高速小球型
- 油气润滑-超高速陶瓷球型
- 精密丝杠轴承
- 精密圆柱滚子轴承
- 调心球轴承
- 推力轴承
- 圆柱滚子轴承
- 圆锥滚子轴承
- 调心滚子轴承
- 交叉滚子轴承
- 超薄截面轴承
- 滚针轴承
- 滚轮轴承
- 关节轴承
- 直线运动
- 轴承附件

HSS7915ETP4DU轴承
类型:【超高精密轴承 - 精密角接触球轴承】
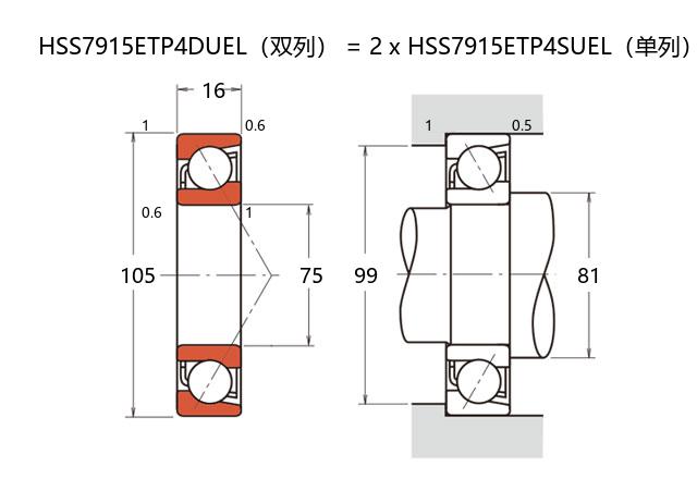
基本尺寸:内径:75 mm,外径:105 mm,厚度:32 mm。
价格区间:¥0 - ¥0【详情】
前缀列表:【H:高转速】【S:小球】【S:密封型】后缀列表:【E:接触角 25°】【T:聚酰胺保持架】【P4:P4 级精度】【DU:两个万能组合】
HSS7915ETP4DU是一款结构紧凑的精密角接触球轴承,其基本尺寸为内径75毫米、外径105毫米、厚度32毫米,适用于空间受限且对安装精度有较高要求的应用场景。该型号属于超高精密轴承系列,通过小球密封型结构设计,在保持高旋转精度的同时有效防止污染物侵入,并提升润滑剂的保留能力。
该轴承采用增强型工程材料与优化滚道几何形状,使其具备良好的刚性及高速运转稳定性,特别适合承受复合载荷工况。接触角的设计兼顾了径向与轴向负荷的合理分配,可在中高速运转条件下维持较低温升与振动水平。密封系统采用特殊高分子材料与多层防护技术,在防尘与抗微颗粒侵入方面表现突出。
此类轴承常见于高精度机床主轴、精密传动系统及测量仪器等需要长期稳定运行的设备中。其内部结构经过精密加工与严格检测,确保在连续工作状态下仍能维持稳定的动态性能,有助于延长设备维护周期并提升整体运行效率。
H
S
S
7
9
1
5
E
T
P
4
D
U
H:高转速
S:小球
S:密封型
7:精密角接触球轴承
9:尺寸系列:超轻 19 系列
15:内径:75 mm
E:接触角 25°
T:聚酰胺保持架
P4:P4 级精度
DU:两个万能组合
H:
高转速
S:
小球
S:
密封型
7:
精密角接触球轴承
9:
尺寸系列:超轻 19 系列
15:
内径:75 mm
E:
接触角 25°
T:
聚酰胺保持架
P4:
P4 级精度
DU:
两个万能组合
公称型号 | ||
高速小球密封型 | HSS7915ETP4DU | |
主要尺寸(mm) | ||
内径 | d | 75 |
外径 | D | 105 |
厚度(单列) | B | 16 |
厚度(多列) | T | 32 |
倒角尺寸 | r(min) | 1 |
倒角尺寸 | r1(min) | 0.6 |
额定载荷(KN) | ||
基本额定动载荷 | Cr | 41.4 |
基本额定静载荷 | C0r | 36.4 |
极限载荷(KN) | ||
轴向-单个 | 32.5 | |
接触角 | ||
度 | ° | 25 |
系数 | ||
fo | - | |
作用点(mm) | ||
a | 29 | |
限制速度(rpm) | ||
脂润滑 | Grease | 14400 |
油润滑 | Oil | - |
安装尺寸(mm) | ||
da(min) | 81 | |
Da(max) | 99 | |
Db(max) | 100 | |
ra(max) | 1 | |
rb(max) | 0.5 | |
预紧力(N)-DU/DB/DF | ||
微预紧 | EL | 49 |
轻预紧 | L | 301 |
中预紧 | M | 625 |
重预紧 | H | - |
轴承刚度(N/μm)-DU/DB/DF | ||
微预紧 | EL | 87 |
轻预紧 | L | 160 |
中预紧 | M | 209 |
重预紧 | H | - |
测量轴向游隙(μm) | ||
微预紧 | EL | 0 |
轻预紧 | L | -8 |
中预紧 | M | -15 |
重预紧 | H | - |
轴承组合 | ||
方式 | 万能 | |
列数 | 2 | |
重量(Kg) | ||
0.696 |

商品 | 品牌 | 主要尺寸 | 发货仓 | 产地 | 库存 | 含税单价 | VIP价 | 操作 |