产品分类
- 深沟球轴承
- 角接触球轴承
- 超高精密轴承
- 精密角接触球轴承
- 标准型
- 标准密封型-S
- 陶瓷球标准型-C
- 陶瓷球密封型-CS
- 高速小球型-HS
- 小球密封型-HSS
- 陶瓷小球型-HC
- 陶瓷小球密封型-HCS
- 超高速陶瓷球型-XC
- 超高速陶瓷球密封型-XCS
- 超高速小球型-XS
- 超高速小球密封型-XSS
- 油气润滑-标准钢球型
- 油气润滑-标准陶瓷球型
- 油气润滑-高速小球型
- 油气润滑-高速陶瓷球型
- 油气润滑-超高速小球型
- 油气润滑-超高速陶瓷球型
- 精密丝杠轴承
- 精密圆柱滚子轴承
- 调心球轴承
- 推力轴承
- 圆柱滚子轴承
- 圆锥滚子轴承
- 调心滚子轴承
- 交叉滚子轴承
- 超薄截面轴承
- 滚针轴承
- 滚轮轴承
- 关节轴承
- 直线运动
- 轴承附件

HSS7913FTP4DU轴承
类型:【超高精密轴承 - 精密角接触球轴承】
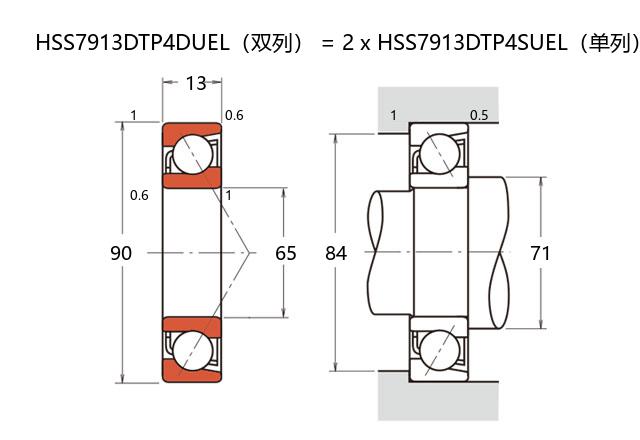
基本尺寸:内径:65 mm,外径:90 mm,厚度:26 mm。
价格区间:¥ - ¥【详情】
前缀列表:【H:高转速】【S:小球】【S:密封型】后缀列表:【F:18° 接触角】【T:聚酰胺保持架】【P4:P4 级精度】【DU:两个万能组合】
HSS7913FTP4DU是一款采用小球密封结构的精密角接触球轴承,其基本尺寸为内径65毫米、外径90毫米、厚度26毫米。此类轴承适用于空间紧凑但要求高运转精度的场合,通过优化内部结构设计,在保证径向和轴向承载能力的同时,实现了平稳的低摩擦运转。密封结构有助于在粉尘或微量污染物环境中维持内部润滑状态,延长使用寿命。
该型号轴承选用优质钢材并经过特殊热处理工艺,增强了元件的耐磨性与尺寸稳定性。在预紧力可调的设计支持下,能够适应不同工况下的刚性需求,常见于中小型机床主轴、高转速电机及精密仪器回转单元等设备。通过合理的配合安装与定期维护,可进一步发挥其性能潜力,为设备长期稳定运行提供支持。此类轴承在选型时需结合实际负荷、转速及环境条件进行综合评估。
H
S
S
7
9
1
3
F
T
P
4
D
U
H:高转速
S:小球
S:密封型
7:精密角接触球轴承
9:尺寸系列:超轻 19 系列
13:内径:65 mm
F:18° 接触角
T:聚酰胺保持架
P4:P4 级精度
DU:两个万能组合
H:
高转速
S:
小球
S:
密封型
7:
精密角接触球轴承
9:
尺寸系列:超轻 19 系列
13:
内径:65 mm
F:
18° 接触角
T:
聚酰胺保持架
P4:
P4 级精度
DU:
两个万能组合
公称型号 | ||
高速小球密封型 | HSS7913FTP4DU | |
主要尺寸(mm) | ||
内径 | d | 65 |
外径 | D | 90 |
厚度(单列) | B | 13 |
厚度(多列) | T | 26 |
倒角尺寸 | r(min) | 1 |
倒角尺寸 | r1(min) | 0.6 |
额定载荷(KN) | ||
基本额定动载荷 | Cr | 30.4 |
基本额定静载荷 | C0r | 26.4 |
极限载荷(KN) | ||
轴向-单个 | 18.7 | |
接触角 | ||
度 | ° | 18 |
系数 | ||
fo | 10.8 | |
作用点(mm) | ||
a | 19.1 | |
限制速度(rpm) | ||
脂润滑 | Grease | 19400 |
油润滑 | Oil | - |
安装尺寸(mm) | ||
da(min) | 71 | |
Da(max) | 84 | |
Db(max) | 85 | |
ra(max) | 1 | |
rb(max) | 0.5 | |
预紧力(N)-DU/DB/DF | ||
微预紧 | EL | 49 |
轻预紧 | L | 179 |
中预紧 | M | 364 |
重预紧 | H | - |
轴承刚度(N/μm)-DU/DB/DF | ||
微预紧 | EL | 50 |
轻预紧 | L | 80 |
中预紧 | M | 105 |
重预紧 | H | - |
测量轴向游隙(μm) | ||
微预紧 | EL | 0 |
轻预紧 | L | -8 |
中预紧 | M | -16 |
重预紧 | H | - |
轴承组合 | ||
方式 | 万能 | |
列数 | 2 | |
重量(Kg) | ||
0.408 |

商品 | 品牌 | 主要尺寸 | 发货仓 | 产地 | 库存 | 含税单价 | VIP价 | 操作 |
NTN 2LA-BNS912LLBDB/GLP4轴承 |
NTN | 0 | ¥0 | |||||