产品分类
- 深沟球轴承
- 角接触球轴承
- 超高精密轴承
- 精密角接触球轴承
- 标准型
- 标准密封型-S
- 陶瓷球标准型-C
- 陶瓷球密封型-CS
- 高速小球型-HS
- 小球密封型-HSS
- 陶瓷小球型-HC
- 陶瓷小球密封型-HCS
- 超高速陶瓷球型-XC
- 超高速陶瓷球密封型-XCS
- 超高速小球型-XS
- 超高速小球密封型-XSS
- 油气润滑-标准钢球型
- 油气润滑-标准陶瓷球型
- 油气润滑-高速小球型
- 油气润滑-高速陶瓷球型
- 油气润滑-超高速小球型
- 油气润滑-超高速陶瓷球型
- 精密丝杠轴承
- 精密圆柱滚子轴承
- 调心球轴承
- 推力轴承
- 圆柱滚子轴承
- 圆锥滚子轴承
- 调心滚子轴承
- 交叉滚子轴承
- 超薄截面轴承
- 滚针轴承
- 滚轮轴承
- 关节轴承
- 直线运动
- 轴承附件

HSS7912FTP4DU轴承
类型:【超高精密轴承 - 精密角接触球轴承】
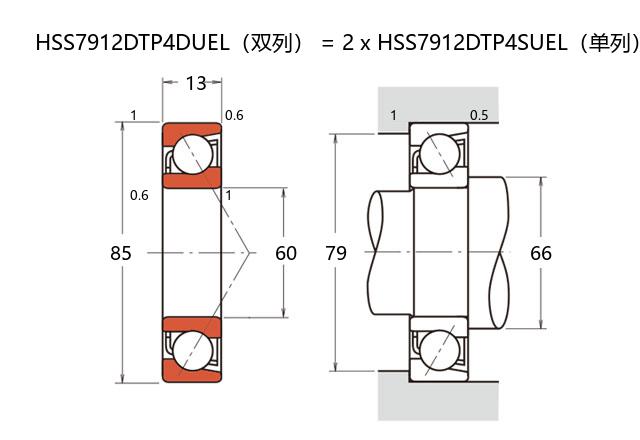
基本尺寸:内径:60 mm,外径:85 mm,厚度:26 mm。
价格区间:¥0 - ¥0【详情】
前缀列表:【H:高转速】【S:小球】【S:密封型】后缀列表:【F:18° 接触角】【T:聚酰胺保持架】【P4:P4 级精度】【DU:两个万能组合】
HSS7912FTP4DU型轴承属于超高精密角接触球轴承系列,其设计聚焦于小型化与密封性能的平衡。该型号内径为60毫米,外径达85毫米,厚度控制在26毫米,结构紧凑,适用于空间受限的精密装置。
作为小球密封型产品,该轴承在接触角与滚道几何形状上进行了针对性优化,有助于提升高速运转时的刚性表现。双面接触式密封结构可有效控制润滑剂泄漏风险,并在一定程度上阻隔外部污染物,延长使用寿命。此类轴承通常选用高纯净度合金钢作为基材,并辅以特殊热处理工艺,以增强尺寸稳定性与抗疲劳能力。
在应用层面,该型号常见于中小型电主轴、精密仪器主轴及高转速机器人关节等场景,其动态性能可满足多数工业场景下的轴向与径向复合载荷需求。通过适当的预紧力调整和润滑方案配合,能够进一步优化振动噪声表现,适应不同工况条件。需注意实际性能受配合公差、安装精度及维护周期等多重因素影响,建议根据具体设备要求进行选型验证。
H
S
S
7
9
1
2
F
T
P
4
D
U
H:高转速
S:小球
S:密封型
7:精密角接触球轴承
9:尺寸系列:超轻 19 系列
12:内径:60 mm
F:18° 接触角
T:聚酰胺保持架
P4:P4 级精度
DU:两个万能组合
H:
高转速
S:
小球
S:
密封型
7:
精密角接触球轴承
9:
尺寸系列:超轻 19 系列
12:
内径:60 mm
F:
18° 接触角
T:
聚酰胺保持架
P4:
P4 级精度
DU:
两个万能组合
公称型号 | ||
高速小球密封型 | HSS7912FTP4DU | |
主要尺寸(mm) | ||
内径 | d | 60 |
外径 | D | 85 |
厚度(单列) | B | 13 |
厚度(多列) | T | 26 |
倒角尺寸 | r(min) | 1 |
倒角尺寸 | r1(min) | 0.6 |
额定载荷(KN) | ||
基本额定动载荷 | Cr | 29.2 |
基本额定静载荷 | C0r | 24 |
极限载荷(KN) | ||
轴向-单个 | 17.1 | |
接触角 | ||
度 | ° | 18 |
系数 | ||
fo | 10.7 | |
作用点(mm) | ||
a | 18.3 | |
限制速度(rpm) | ||
脂润滑 | Grease | 20700 |
油润滑 | Oil | - |
安装尺寸(mm) | ||
da(min) | 66 | |
Da(max) | 79 | |
Db(max) | 80 | |
ra(max) | 1 | |
rb(max) | 0.5 | |
预紧力(N)-DU/DB/DF | ||
微预紧 | EL | 49 |
轻预紧 | L | 171 |
中预紧 | M | 343 |
重预紧 | H | - |
轴承刚度(N/μm)-DU/DB/DF | ||
微预紧 | EL | 47 |
轻预紧 | L | 74 |
中预紧 | M | 97 |
重预紧 | H | - |
测量轴向游隙(μm) | ||
微预紧 | EL | 0 |
轻预紧 | L | -8 |
中预紧 | M | -16 |
重预紧 | H | - |
轴承组合 | ||
方式 | 万能 | |
列数 | 2 | |
重量(Kg) | ||
0.38 |

商品 | 品牌 | 主要尺寸 | 发货仓 | 产地 | 库存 | 含税单价 | VIP价 | 操作 |